Fuel pump fuse

2008 HYUNDAI SANTA FE
76,112 MILES • 3.3L • V6 • 2WD • AUTOMATIC
Avatar
RCTEETOR
  • MEMBER
  • 5 POSTS
Fuel pump fuse blowing when trying to start. It is a crank no start. Fuel pump is not priming when turning key to on position. Looking for circuit diagrams that might be helpful. Thanks
Feb 2, 2021 at 7:30 AM
Advertisement
Avatar
SEVAG P
  • CERTIFIED EXPERT
  • 405 POSTS
hello,

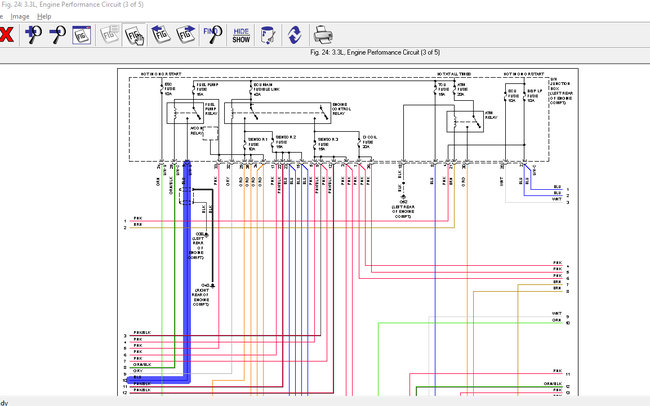
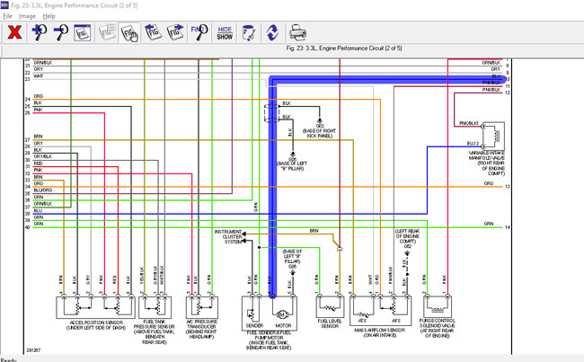
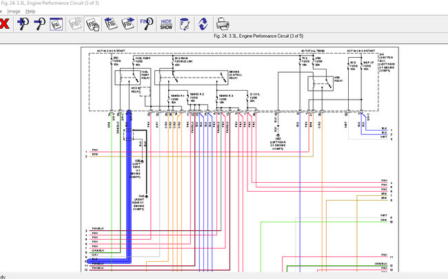
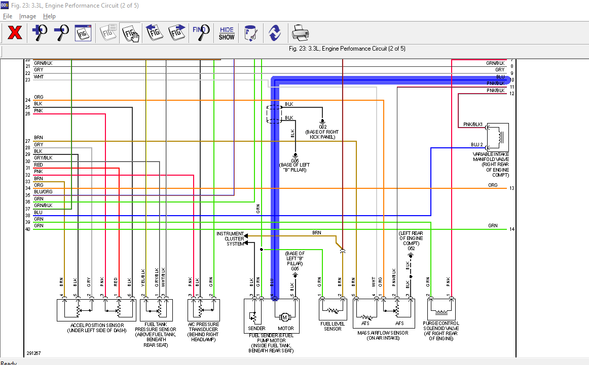
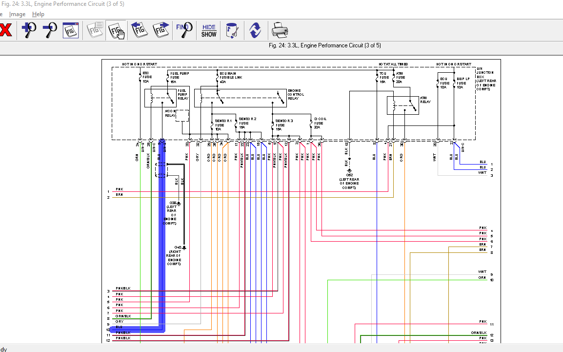
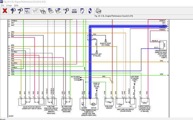
It sounds like fuel pump has internal short circuit, remove fuel pump connector. recheck if the fuse blown again then you must check the wiring between the fuse and positive of the fuel pump, check the wiring diagram below.

check our link below how to check the wires.

https://www.2carpros.com/articles/how-to-check-wiring

Let us know what happens with you.

thank you.
Feb 2, 2021 at 9:16 AM
Avatar
RCTEETOR
  • MEMBER
  • 5 POSTS
had already tested starting with fuel pump connector disconnected and fuel pump fuse does not blow. What does this tell me?
Feb 2, 2021 at 9:54 AM
Advertisement
Avatar
RCTEETOR
  • MEMBER
  • 5 POSTS
also, if the blue wire at the connector is the power, i am not getting power with my test light connected to ground and key turned on.
Feb 2, 2021 at 9:57 AM
Avatar
SEVAG P
  • CERTIFIED EXPERT
  • 405 POSTS
hello,

When the connector removed and the fuse does not blow then fuel pump must be replaced.

check the voltage of the blue wire when cranking the engine you must get 12 volt. not in ignition on.
Feb 2, 2021 at 10:03 AM
Avatar
RCTEETOR
  • MEMBER
  • 5 POSTS
thank you. can i run wires from battery back to pump and see if it turns pump on?
Feb 2, 2021 at 11:28 AM
Avatar
SEVAG P
  • CERTIFIED EXPERT
  • 405 POSTS
yes, just for diagnosis purpose and be careful from fuel fumes they are extremely flammable.

Feb 2, 2021 at 1:05 PM
Avatar
RCTEETOR
  • MEMBER
  • 5 POSTS
thank you.
Feb 2, 2021 at 1:15 PM
Avatar
SEVAG P
  • CERTIFIED EXPERT
  • 405 POSTS
you welcome. let us know what happens with you.
Feb 3, 2021 at 6:50 AM