☰
Login
Join
×
Home
Answered Questions
Repair Topics
Repair & Service Guides
Popular Questions
Warning Lights
Trouble Codes
How It Works
Testing / Diagnostics
Symptoms
Videos
Login
Become a Member
Home
Dodge
Van
Engine
Symptoms
Stall While Driving
Will not stay running
1989 DODGE VAN
119 MILES • 5.9L • 2WD • AUTOMATIC
TSHAFER43
MEMBER
1 POST
FOLLOW
It starts with gas poured into the carburetor and then after that it will not stay running. Fuel pump fuse?
Sep 27, 2018 at 8:03 AM
Advertisement
ASEMASTER6371
CERTIFIED EXPERT
52,796 POSTS
Good afternoon.
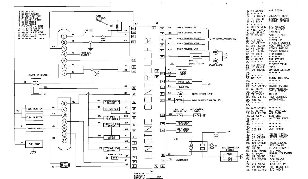
You need to check for power to the fuel pump. It is in the tank itself. I attached a wire diagram for you to view.
If it has power, the pump is the issue.
If it does not then check the wiring from the ASD relay to the pump.
Roy
Image (Click to enlarge)
Sep 27, 2018 at 10:15 AM