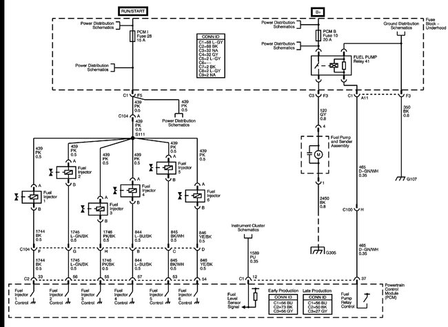
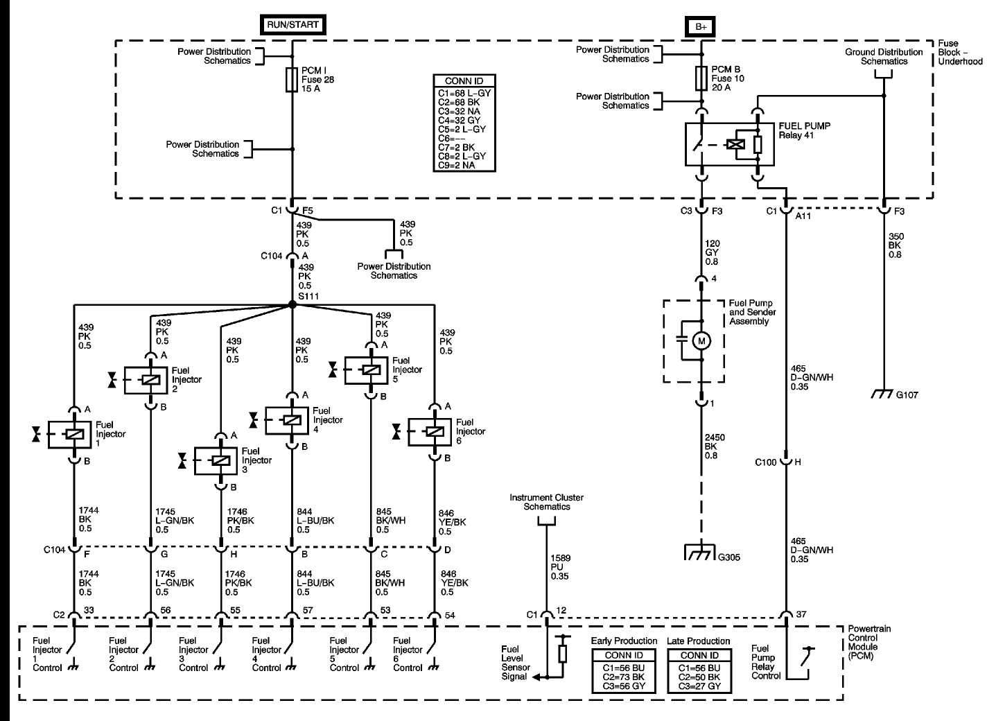
History: Vehicle was idling in the driveway when it stalled out. No successful restart since that time.
Checked all electrical to fuel pump, electrical checks out. replaced fuel pump - no change.
Bypassed the fuel pump(pin 30 to pin 87) relay and pump works. Voltage at the pump is twelve volts.
Pin 86 shows ground. Pin 85 shows twelve volts with ignition in run position.
Pin 30 shows twelve volts.
Dumping a small amount of fuel into the carburetor allows the truck to rumble for around two to four seconds.
I have tested the relay by swapping out with high beam relay, all relays work properly in the high beam slot.
Checked all electrical to fuel pump, electrical checks out. replaced fuel pump - no change.
Bypassed the fuel pump(pin 30 to pin 87) relay and pump works. Voltage at the pump is twelve volts.
Pin 86 shows ground. Pin 85 shows twelve volts with ignition in run position.
Pin 30 shows twelve volts.
Dumping a small amount of fuel into the carburetor allows the truck to rumble for around two to four seconds.
I have tested the relay by swapping out with high beam relay, all relays work properly in the high beam slot.
Oct 6, 2017 at 7:55 AM



