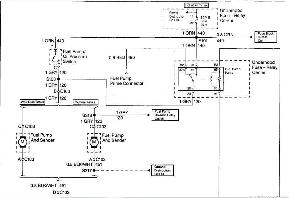
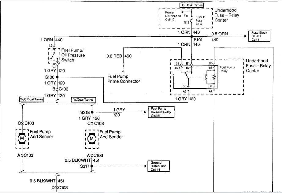
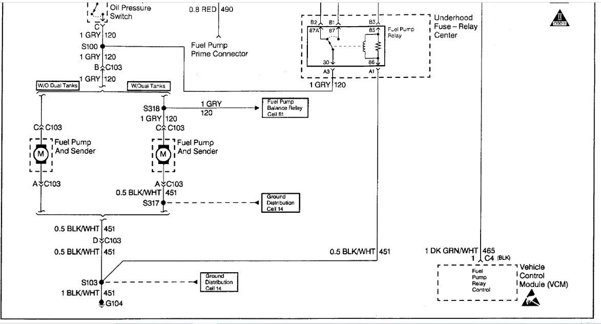
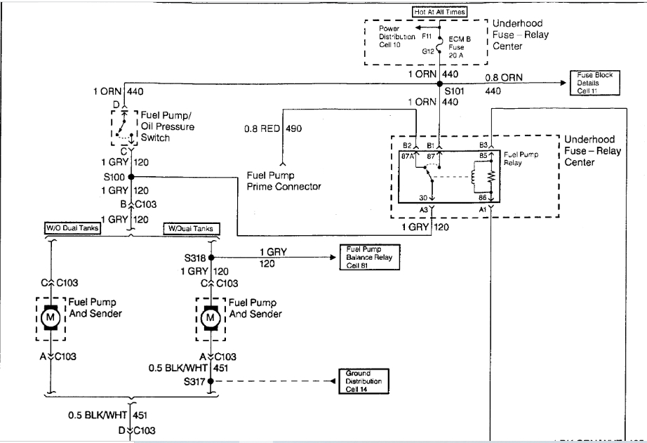
i can't seem to locate this. not above spare tire, haven't seen inside truck, looked at some under truck spots. no one seems to know, aways seems me to pump itself.
Feb 8, 2023 at 7:52 AM

