Fuel pump connection?

1998 DODGE TRUCK
308,000 MILES • 5.9L • 6 CYL • TURBO • 2WD • MANUAL
Avatar
ETHAN@08
  • MEMBER
  • 1 POST
What the wiring digram of each pin on the plug what is hot what ground
Jan 31, 2026 at 1:04 PM
Advertisement
Avatar
CARADIODOC
  • CERTIFIED EXPERT
  • 34,306 POSTS
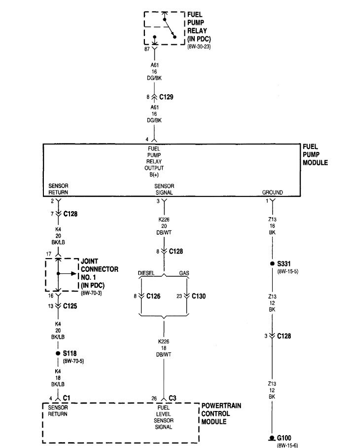
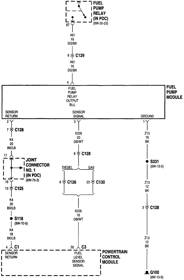
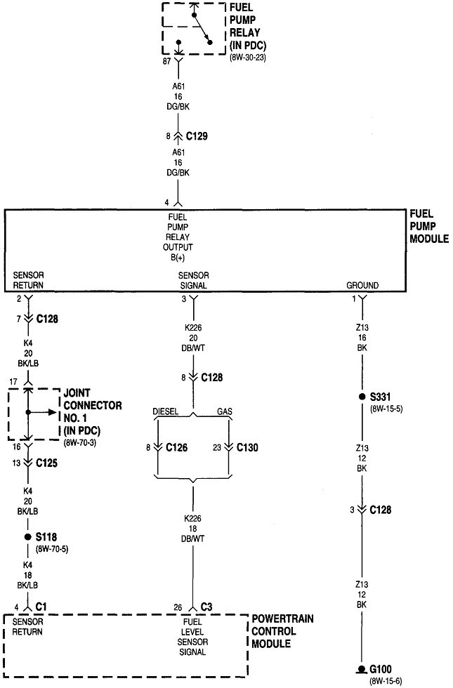
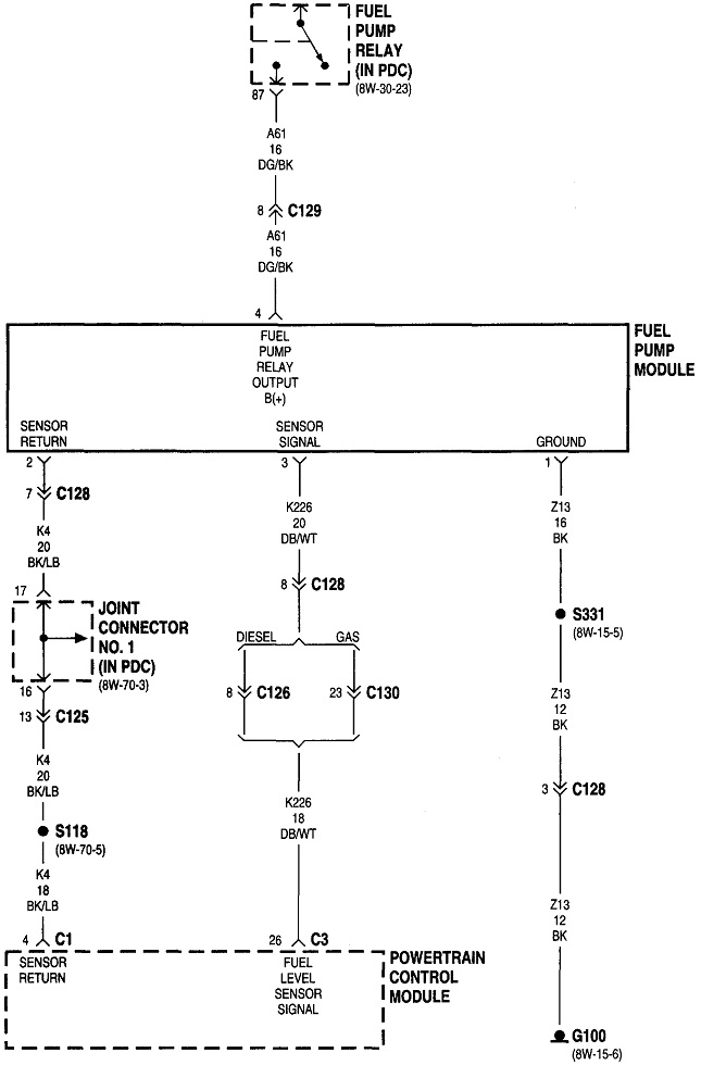
Here's the wiring diagram with the wire colors. The connector for the pump module was the hardest one to find. I'm including a number of other connectors and relays in case you need them. The pump module connector is at the top of the last drawing.
Jan 31, 2026 at 4:59 PM
Avatar
STEVE W.
  • CERTIFIED EXPERT
  • 15,113 POSTS
The 5.9 uses a simple 4 wire system on the pump. The Dark Green w/black stripe on pin 4 is power from the relay, The Black wire on pin 1 is the ground. Then for the level sender you have Dark Blue w/white as the power from the PCM to the sender on pin 3 and the return to the PCM is the Black w/light blue wire on pin 2.
Jan 31, 2026 at 5:04 PM
Advertisement