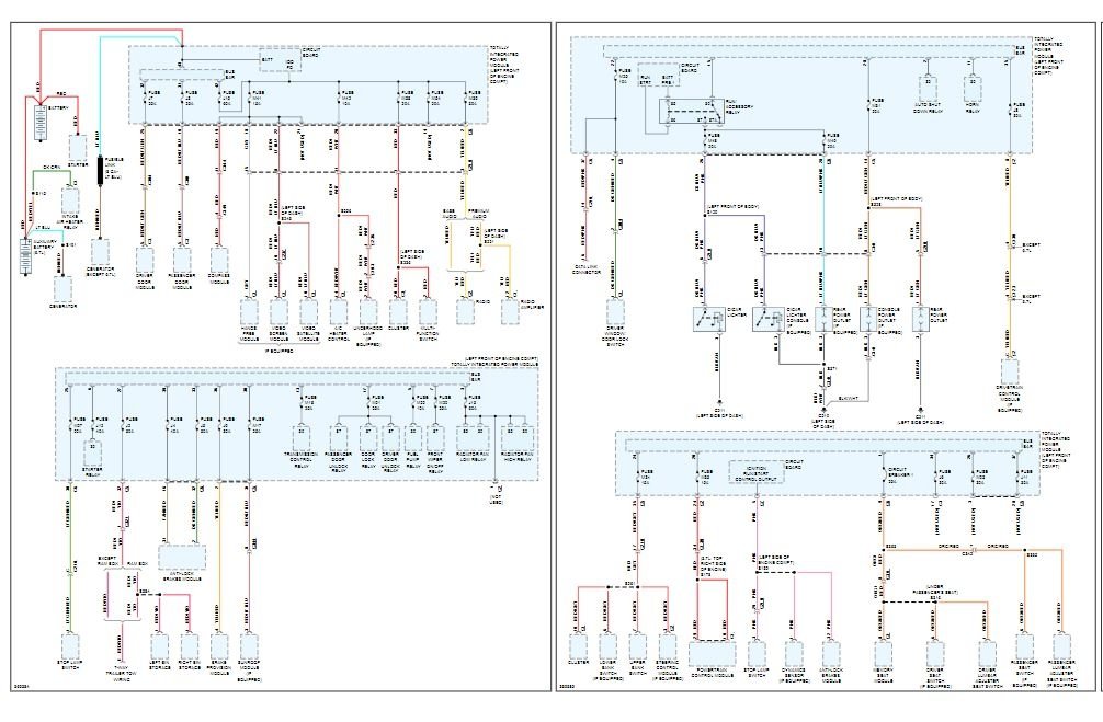
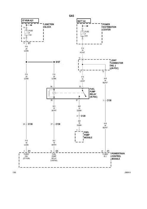
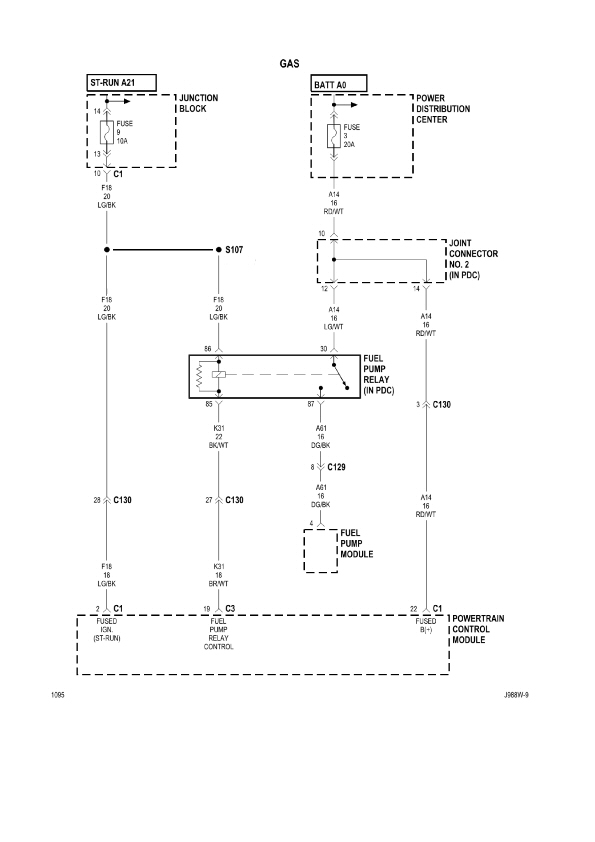
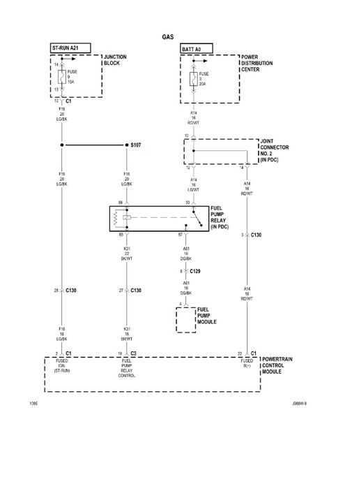
Symptoms point to a burned out fuel pump. Just want to know if the fuel pump circuit m22 is supposed to be energized all the time or only when the key is turned to the on position?
Because we checked it for power and find that there is constant power, even when the vehicle has sat for weeks with the key in the off position. Making us think maybe the fuel pump relay is stuck in the on position and has burned the fuel pump out by having it running constantly even with the vehicle off.
Because we checked it for power and find that there is constant power, even when the vehicle has sat for weeks with the key in the off position. Making us think maybe the fuel pump relay is stuck in the on position and has burned the fuel pump out by having it running constantly even with the vehicle off.
Oct 13, 2018 at 8:02 PM




