Fuel pump/ASD fuse keeps blowing

2004 CHRYSLER PT CRUISER
150,000 MILES • 2.4L • 4 CYL • FWD • AUTOMATIC
Avatar
ALEX BOUGHTON III
  • MEMBER
  • 1 POST
No starter signal, but will crank with remote starter. Crank not start.
Sep 28, 2017 at 6:00 PM
Advertisement
Avatar
JIS001
  • CERTIFIED EXPERT
  • 3,412 POSTS
If you are blowing a fuse then you will need to look at the wiring diagram for that circuit and trace for a shorted wire or faulty component.
Sep 29, 2017 at 12:03 AM
Avatar
STRAILER
  • CERTIFIED EXPERT
  • 53,854 POSTS
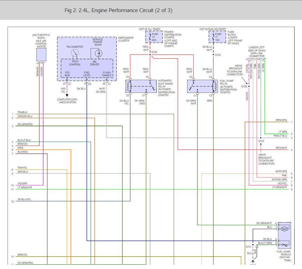
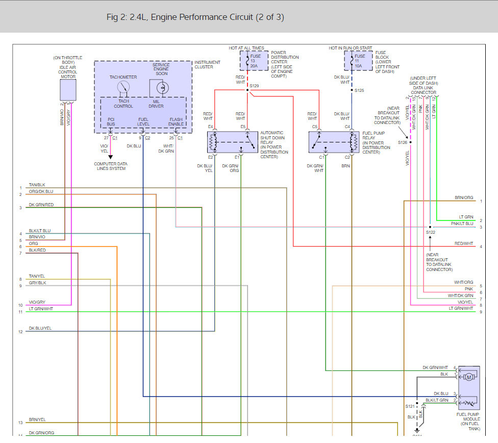
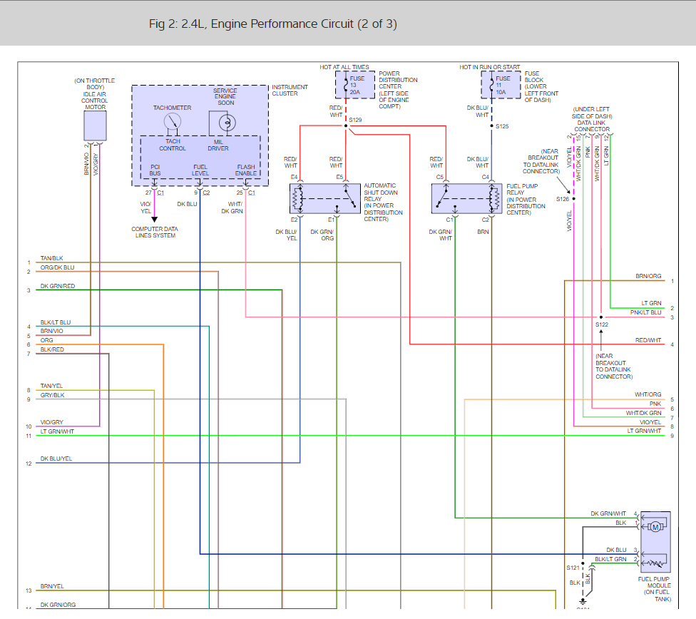
I have founds the wiring diagrams for you and a guide to help you do some testing. Some thing is shorting causing the fuse to blow.

This guide will help you test the wires to see which one is touching ground. Could be a relay shorted this is where I would start.

https://www.2carpros.com/articles/how-to-check-wiring

Please let us know what happens and upload pictures or videos of the problem.

Cheers, Ken
Sep 29, 2017 at 11:31 AM
Advertisement