fuel pump not working properly

2010 FORD ESCAPE
175,000 MILES • 2.5L • 4 CYL • 2WD
Avatar
WILLIAM REDGRIFT
  • MEMBER
  • 11 POSTS
fuel pump won't stay running after you start it.
Dec 6, 2019 at 8:40 AM
Advertisement
Avatar
KASEKENNY
  • CERTIFIED EXPERT
  • 18,907 POSTS
Can I ask how you know the fuel pump is shutting off? Are there any DTCs? Have you made any repairs like replacing the fuel pump?

Just looking for a little more info so I don't recommend something that you did.

I would suggest starting with monitoring fuel pressure when this cuts off and when you first turn the key on.
Dec 6, 2019 at 4:11 PM
Avatar
WILLIAM REDGRIFT
  • MEMBER
  • 11 POSTS
I've change the fuel pump and the fuel pump diver module. it will start then the fuel pump shuts off, could it be the oil pressure sensor?
Dec 7, 2019 at 5:07 AM
Advertisement
Avatar
WILLIAM REDGRIFT
  • MEMBER
  • 11 POSTS
the pump will run for five seconds then stop.
Dec 7, 2019 at 11:22 AM
Avatar
KASEKENNY
  • CERTIFIED EXPERT
  • 18,907 POSTS
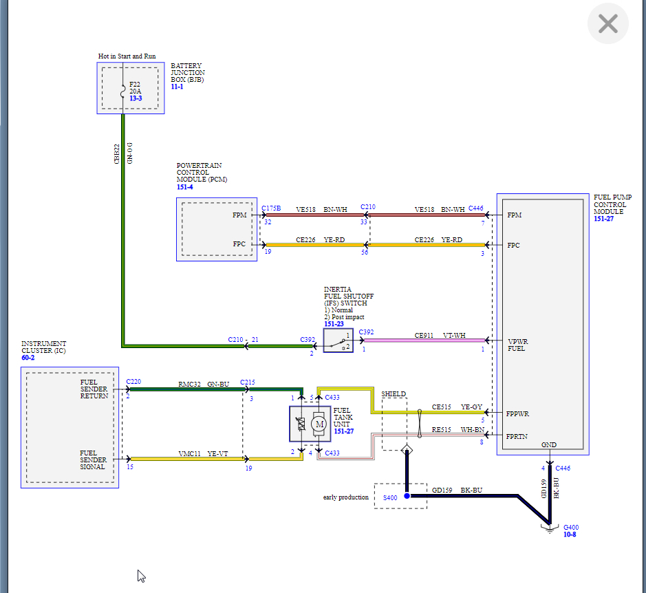
Okay. You are correct that the module directly controls the pump but the PCM is what is considered the control module. Ultimately the PCM is what tells the FPCM what to do. I would go to either the PCM or the FPCM and measure voltage on the FPC wire. The FPM is the monitor circuit and the PCM uses this to determine if there is an issue. If this is shutting it off, then there may be a code. If we haven't checked for codes, I would do this before replacing the PCM. It could be a PCM issue but it could also be something that the PCM is seeing that is causing it to cut the pump off.
Dec 7, 2019 at 6:48 PM
Avatar
WILLIAM REDGRIFT
  • MEMBER
  • 11 POSTS
Could it be the Ignition Lock Cylinder? the key is hard to turn and I have to push hard to make it start and I have to play with it get it to start.
Dec 8, 2019 at 6:10 AM
Avatar
KASEKENNY
  • CERTIFIED EXPERT
  • 18,907 POSTS
That is interesting. Yes. It could definitely be the issue. Clearly it should not be that way so even if it doesn't fix this it should be taken care of. I would go ahead and do it and see if that fixes all of it.
Dec 8, 2019 at 7:34 PM
Avatar
WILLIAM REDGRIFT
  • MEMBER
  • 11 POSTS
It fixed the key issue but it still doing the same thing.
Dec 9, 2019 at 1:57 PM
Avatar
WILLIAM REDGRIFT
  • MEMBER
  • 11 POSTS
could it be Ignition Lock Module not letting stay running?
Dec 9, 2019 at 2:28 PM
Avatar
WILLIAM REDGRIFT
  • MEMBER
  • 11 POSTS
Or is it the Ignition lock cylinder is worn out?
Dec 9, 2019 at 2:30 PM
Avatar
WILLIAM REDGRIFT
  • MEMBER
  • 11 POSTS
could it be MAF sensor?
Dec 10, 2019 at 1:05 PM
Avatar
KASEKENNY
  • CERTIFIED EXPERT
  • 18,907 POSTS
I doubt the ignition module would cause this and no the MAF will not cause the fuel pump to shut off. Have you checked for codes? I suspect we have a code that will point us in the right direction.
Dec 10, 2019 at 4:30 PM
Avatar
WILLIAM REDGRIFT
  • MEMBER
  • 11 POSTS
po453, po466 and po455.
Dec 11, 2019 at 1:03 PM
Avatar
WILLIAM REDGRIFT
  • MEMBER
  • 11 POSTS
PO 25APO581 po1000UO109.
Dec 11, 2019 at 2:01 PM
Avatar
KASEKENNY
  • CERTIFIED EXPERT
  • 18,907 POSTS
P0453 - EVAP Emission System Pressure High
P0455 - EVAP System Leak Detected
P0581 - Cruise Control Multifunction high
U0109 - Lost communication with the fuel pump module
P025A - Fuel Pump Module Control Circuit open

This is kind of what I suspected. You have a wiring issue. I would focus on the P025A and U0109. The other codes are not going to cause the fuel pump issue.

I attached the test that you need to follow. It is lengthy but should take you to the issue.
Dec 11, 2019 at 4:50 PM
Avatar
WILLIAM REDGRIFT
  • MEMBER
  • 11 POSTS
checked all the connections for lose or broken wires. is there any way it could be the PCM itself, or how can I check it?
Dec 15, 2019 at 11:47 AM
Avatar
KASEKENNY
  • CERTIFIED EXPERT
  • 18,907 POSTS
You checked the connections but did you check the wiring from end to end for an open or a short? Based on the codes that you have, a PCM is not mentioned as a possible cause so I doubt it. You have circuit codes so more than likely you have a pinched wire somewhere. The other thing named is a fuel pump but you already changed that.

You need to remove the connectors from the fuel pump and test the resistance from there all the way back up to the PCM. Start with measuring resistance from the pump to the control module. Then the control module to the PCM. I suspect one of these wires will have high resistance or even be open.
Dec 15, 2019 at 4:34 PM