☰
Login
Join
×
Home
Answered Questions
Repair Topics
Repair & Service Guides
Popular Questions
Warning Lights
Trouble Codes
How It Works
Testing / Diagnostics
Symptoms
Videos
Login
Become a Member
Home
Pontiac
Sunfire
Fuel System
Fuel Pump
Replace/Remove
No power to the fuel pump
2000 PONTIAC SUNFIRE
170,000 MILES • 2.2L • 4 CYL • 2WD • AUTOMATIC
KEN.FEIST
MEMBER
1 POST
FOLLOW
My car quit and would not start. After looking realized ignition switch was in pieces. Replaced the switch and now no power to fuel pump.
Oct 29, 2018 at 3:24 PM
Advertisement
ASEMASTER6371
CERTIFIED EXPERT
52,796 POSTS
Good morning.
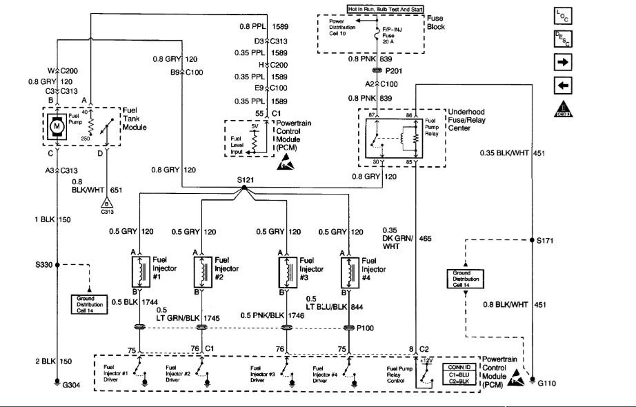
Check the fuse for the fuel pump in the diagram I attached. Verify power to the fuse on both sides with the key in the on position.
Then verify power to the relay as well.
Did you check for voltage at the fuel pump? It is the gray wire in the connector.
Roy
Image (Click to enlarge)
Oct 30, 2018 at 2:34 AM