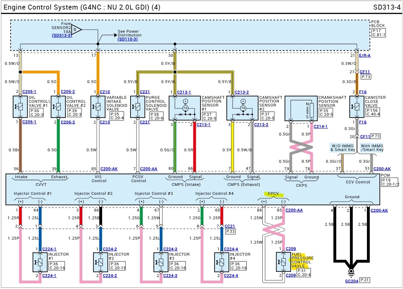
Hello, for that code (P0090) I am getting "Fuel Pressure Regulator 1 Control Circuit/Open", so a circuit code is different than a performance code. The wiring diagrams show the fuel pressure regulator being 2 wires that go back to the ECM. So although you replaced the high pressure pump, this is going to be a issue with either the wiring/connector pin issue with the control valve, or an ECM fault. Ill post the wiring diagrams for you. This is just a two wire valve, looks like a White wire and a Pink wire at the High pressure pump. The Fuel Rail Pressure sensor will have 3 wires. If you have not changed the oil yet after the new pump installation, I would do that as well before driving anymore. When the high pressure fuel system has an issue and things go out of balance, a GDI system will always end up with fuel in the oil, which causes an overly rich condition as well. See if the oil is over filled or smells like gas,
Let me get the wiring diagrams for you so you can check the wiring to the ECM, I know the ECMs on these vehicles is usually right in the engine compartment next to the air filter housing.
Jan 12, 2026 at 11:09 AM
(Merged)