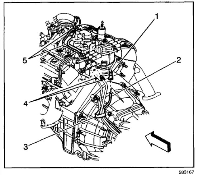
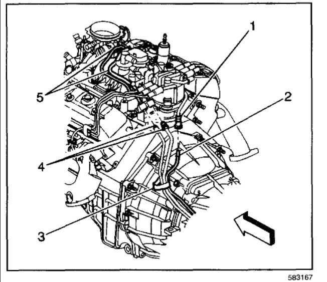
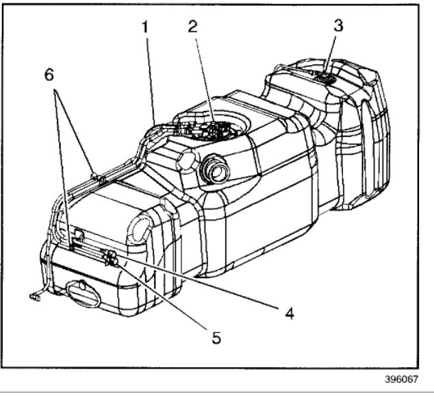
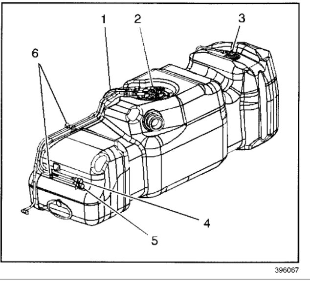
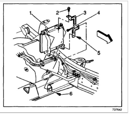
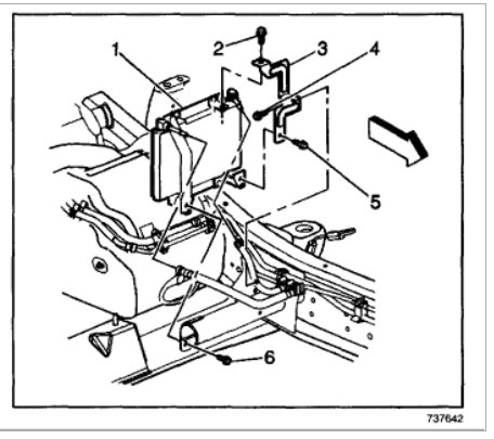
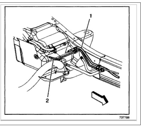
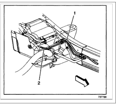
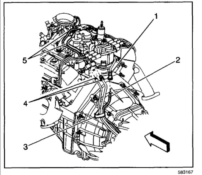
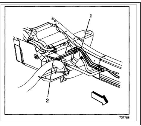
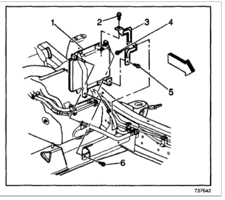
I need to replace the fuel lines that go to the fuel filter on both sides.They are rusted and stripped out badly and will not come off. I am replacing the fuel pump also if that helps. Any information would be helpful.Thanks.
Feb 11, 2018 at 6:01 AM












