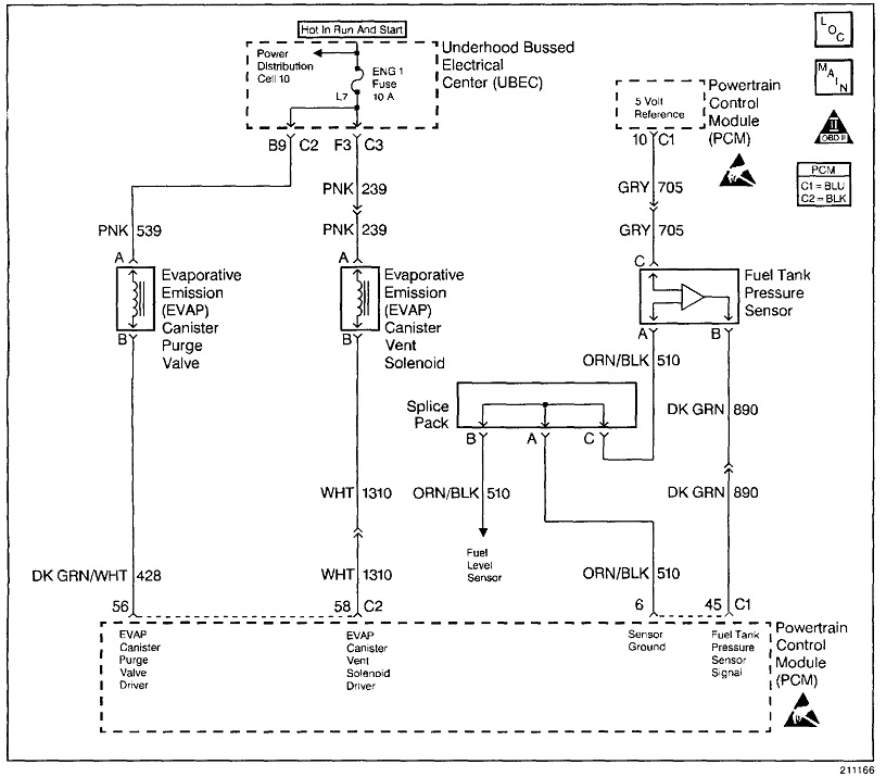
I replaced the in tank fuel pump and can’t remember which fuel line goes where. It had 3 lines going to it. It has 1bigger line which goes to the bigger outlet port. The other 2 I am not sure of. 1 line comes from the front of the truck and 1 line comes from the fuel vapor recovery. Help please. Thanks
Feb 15, 2023 at 7:41 AM






