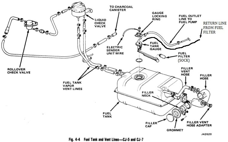
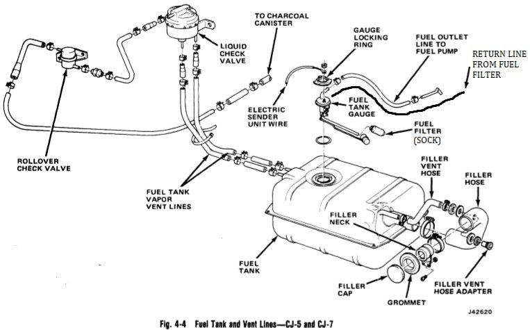
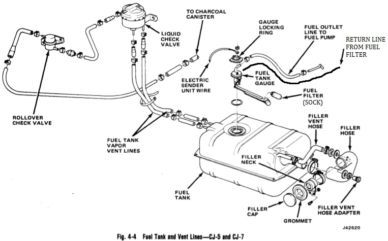
I got this vehicle from my uncle and it had been sitting in his yard for about ten years. My dad and I got it to turn and start but the fuel does not last for long because it seems to be going into the fuel line and leaking right out.
Because of this problem we took the fuel pump out and somehow the fuel is still getting to the fuel line, is there another way the fuel could be getting there?
Because of this problem we took the fuel pump out and somehow the fuel is still getting to the fuel line, is there another way the fuel could be getting there?
Jan 13, 2019 at 12:53 PM




