Fuel light on when I have a half tank of gas

2007 GMC ENVOY
250,790 MILES • 2WD • AUTOMATIC
Avatar
MSTERRI07
  • MEMBER
  • 1 POST
My tank is half full and when I left the house this morning the fuel light came on and my needle was at E. I added gas and the fuel light is still on and the needle is at E. What could the issue be?
Oct 21, 2021 at 6:02 AM
Advertisement
Avatar
SQM
  • CERTIFIED EXPERT
  • 6,383 POSTS
Hello,

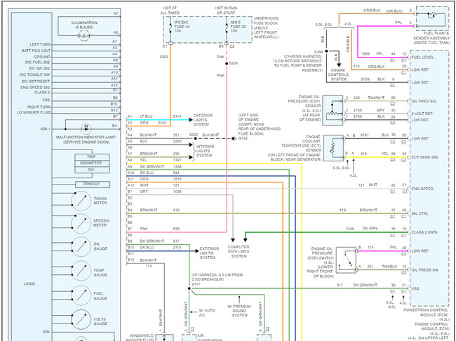
This is likely a fault in the fuel level sending unit.
The fuel level sending unit is located on the fuel pump assembly. It consists of a float and a resistor panel.
As the fuel level changes the float moves up or down and that makes contact at different part of the resistor panel. That translate to the fuel level gauge.
When that resistor panel goes bad it can display incorrect fuel level on the gauge.

In order to replace that part, the fuel tank needs to be removed from the vehicle.


https://www.2carpros.com/articles/how-to-replace-an-electric-fuel-pump

Other possibility is a faulty wiring for the gauge or a bad gauge. Which will require to check the connections for the gauge cluster.

https://www.2carpros.com/articles/how-to-check-wiring

I have attached the wiring schematics as well as replacement procedures below.

Please let me know of any questions.
Thank you.
Oct 21, 2021 at 7:42 AM