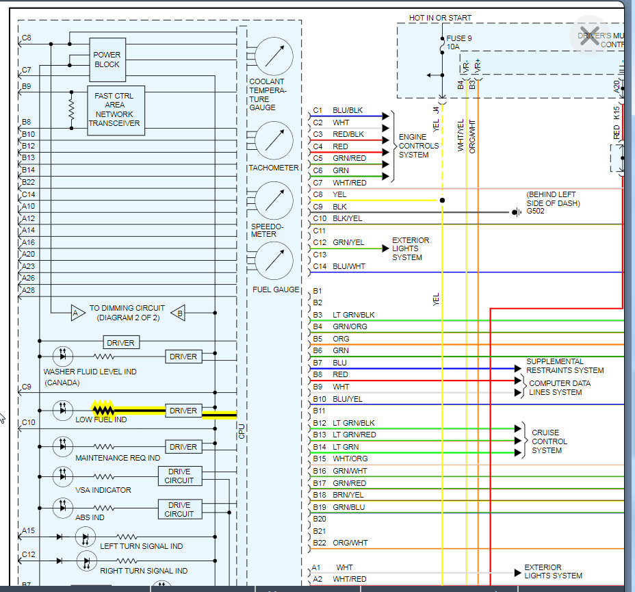
Good morning, the vehicle fuel level indication light came up, I thought I had inadequate fuel in the vehicle. I decided to buy some fuel into the vehicle but the light (orange light blinking beside the fuel gauge) did not go off. I decided to check if the problem is from the sending unit, I removed the connector from fuel pump assemble but the light did not off. With all these, the fuel gauge is still functioning (the pointer still moving from empty to full, depending on the fuel level) . Before now, the temperature gauge stop function (pointer do not move at all), after some time it started to function.
What could be the cause?
What could be the cause?
Sep 30, 2020 at 7:38 PM


