I was idling the car shut off no luck restarting it?

2005 FORD FIVE HUNDRED
221,335 MILES • 3.0L • 6 CYL • 2WD • AUTOMATIC
Avatar
ITAFREAKINFORD
  • MEMBER
  • 19 POSTS
Hi, I hope this is not a repeat it didn't show the question went through.
Okay, here is the problem: I was idling the car shut off no luck restarting it, I found a bad fuel pump it was frozen up. anyhow changed the fuel pump, now the issue is the gas gauge op 1/2 low or something to that effect. anyhow, I tried starting fluid I think it backfired one time, checked spark it was good, battery good, starter good. I see when I am cranking the motor the RPMs according to OBD reader are between 233 -300, I didn't power wire test at the pump. It has power the driver module shows power, but I was shocked to find on other side of fuel pump there is a fuel sender unit tested wires to it no power to any of the wire whether the key is off or in the on position or trying to start the car. I was wondering if I could use a jumper wire from the other pump to test the sender or what can I do? is it a wire issue bad sender unit or am I looking at wrong thing? Thank you all be in the spot with every reply, thanks. sorry once again like I said the other question I sent said it failed so I hope I am not sending same question twice. Oh and I forgot to mention while trying to start the car the rpm gauge shows rpms between 232 and 300 so with the rpms moving doesn't that show the crank sensor is working or can that still be dab inertia switch shows power in and out I just remembered this little bit of information so I figured better add it to post above
Apr 20, 2023 at 7:00 AM
Advertisement
Avatar
ITAFREAKINFORD
  • MEMBER
  • 19 POSTS
Oh, and I forgot to mention while trying to start the car the RPM gauge shows RPMs between 232 and 300 so with the RPMs moving doesn't that show the crank sensor is working or can that still be dab inertia switch shows power in and out. I just remembered this little bit of information, so I figured better add it to post above.
Apr 21, 2023 at 12:24 AM
Avatar
STRAILER
  • CERTIFIED EXPERT
  • 53,855 POSTS
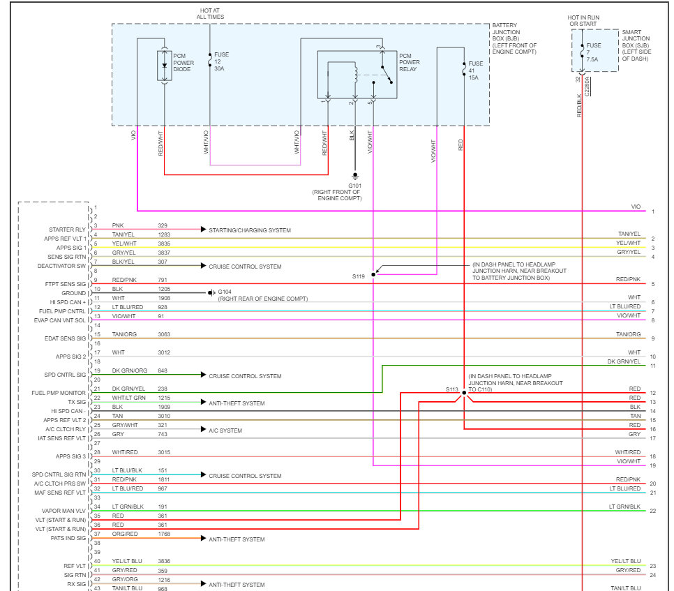
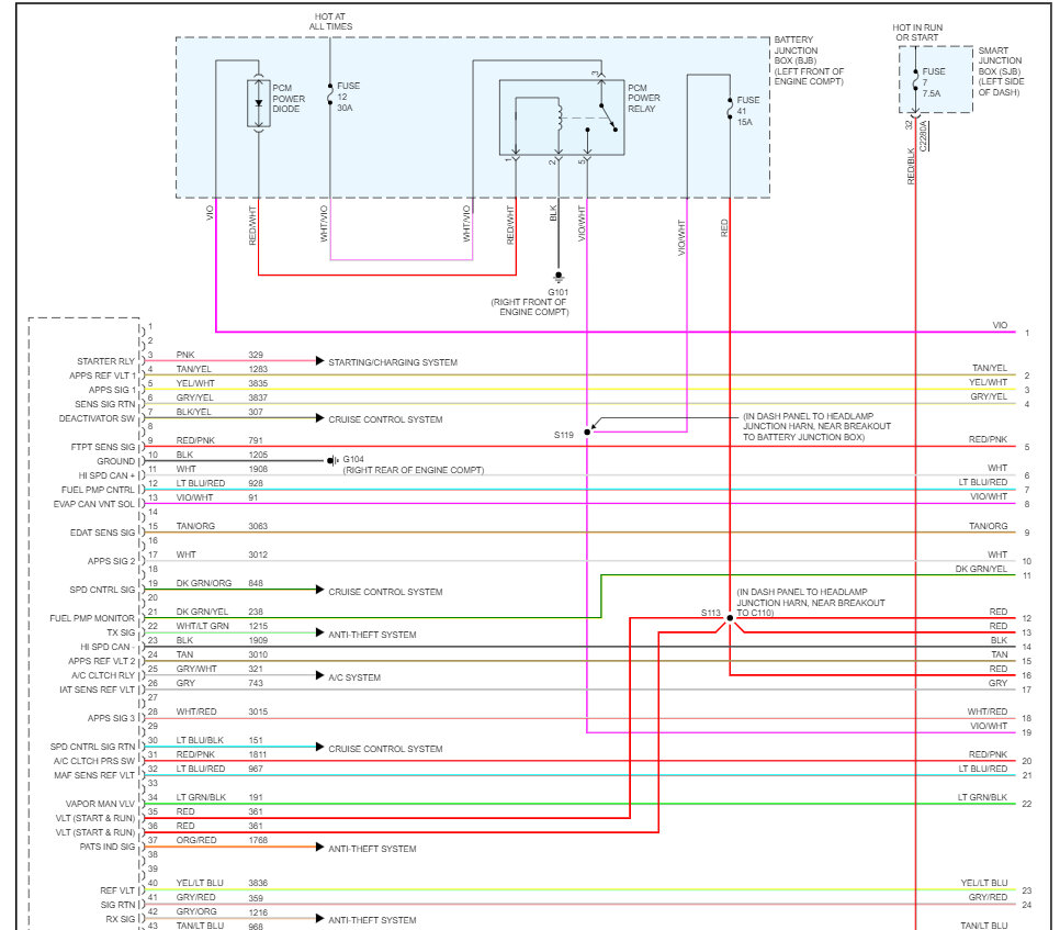
Thank you, so when you turn the key on without cranking the engine over can you hear the fuel pump run in the tank for about 5 seconds? Here are the fuel pump and engine wiring diagrams so you can test for power at the pump and see how the system works. Also, here is a guide to help you test for power:

https://www.2carpros.com/articles/how-to-use-a-test-light-circuit-tester

This guide may help as well:

https://www.2carpros.com/articles/car-not-running-advanced

You can use this video to help check for spark:

https://youtu.be/baq_aEWNQ0Y

Check out the images (below). Please let us know what you find.
Apr 21, 2023 at 11:56 AM
Advertisement
Avatar
ITAFREAKINFORD
  • MEMBER
  • 19 POSTS
Yeah, the fuel pump I can hear run, but the fuel sender has no power. Can I make a temporary jumper to see if it is bad or would it be something else? The fuel pump is brand. new power into it I disconnected the hose and fuel spewed up like a water fountain. When looking at the car fuel pump is on passenger side then driver side is what looks like a fuel pump but was told secondary pump or fuel sender unit.
Apr 21, 2023 at 1:57 PM
Avatar
STRAILER
  • CERTIFIED EXPERT
  • 53,855 POSTS
The sender should not have power, just the fuel pump. Can you upload a picture of what you are talking about? Also, did you check for spark?
Apr 22, 2023 at 10:28 AM
Avatar
ITAFREAKINFORD
  • MEMBER
  • 19 POSTS
Top of picture is the Fuel pump bottom one is the one they call a secondary fuel pump or fuel sender unit. The one at the top has power at the plug the bottom one has no power at the plug no matter key on key off. I am trying to test when cranking and I took wire plug off of a few coils and tested for power at the coil plug but will that be the same as a spark test or do I need to pull the coil and do it that way instead? thanks for the help.
Apr 22, 2023 at 3:46 PM
Avatar
STRAILER
  • CERTIFIED EXPERT
  • 53,855 POSTS
Thanks for the images. You will need to remove the coils to check for spark. Were you able to go over the wiring diagrams to see how the system works?
Apr 24, 2023 at 11:18 AM
Avatar
ITAFREAKINFORD
  • MEMBER
  • 19 POSTS
Yeah, we have spark finally got to test multi coils. What is happening is the fuel sender has no power or secondary fuel unit. Cross over pump. So, I was wondering does the fuel driver module provides power to the pump and the secondary sender unit. the gas gauge reads Low fuel. Op. 1/2 equal empty, but we put 10 gallons forgot to put the hose back on had a fountain of fuel shoot out top of fuel pump, so we know it is working power at the plug. on wire white with red stripe on.
Sender unit or cross over pump whatever second pump. Sender unit looks like green wire and green with blue stripe they are pretty dirty and partially color blind for diabetics, so I sprayed lots of either she kicked over but not a start the OBD show temperature on coolant temperature sensor RPMs between 233 -350. we have spark but when I unplug regual fuel the gas gauge does work but then it doesn't show fuel low Guage op. 1/2 equals empty so I figure all it can be is when I put the pump in either hose stops float from working right or something got crossed but if so how would gas spew if top hose is off so I took pump loose going to try looking in with a light see what happen when pump was put in tank any ideal places let me know.
Apr 25, 2023 at 5:50 PM
Avatar
STRAILER
  • CERTIFIED EXPERT
  • 53,855 POSTS
Yes, the fuel pump module sends power to the pump. Does the engine run on starting fluid? Check for twelve volts when the key is turned on at the white/red wire at the harness leading to the fuel tank. Let me know what you find. Let's check the fuel pressure as well.

https://www.2carpros.com/articles/how-to-check-fuel-system-pressure-and-regulator

It should be about 60 PSI. You can rent a pressure gauge from the auto parts store for cheap or free in most cases. Please go over this guide and report back.


Apr 27, 2023 at 9:38 AM
Avatar
ITAFREAKINFORD
  • MEMBER
  • 19 POSTS
Okay, I narrowed it down to secondary sender or driver module because there is zero power at the plug. I don't know if I could temporarily put a wire from power over and do a test on secondary pump to see if it will activate the pump. I found the float and arm fell off of main pump, so explains why fuel gauge is not working. my wife keeps telling me that is why car won't run, I try to tell her that is just to tell us what the gauge reads and how it tried to start when I sprayed fluid it throttle body just didn't seem like I could out, it has spark and all. but the jet pump or driver side crossover pump or whatever you want to call it has zero volts, so can I hook a test wire from other pump to see if it gets power to see will it run it? Or will I damage the pump, or do I just lean towards the driver control module? I am used to old school cars and these modern cars are almost alien to me. thanks for working with me.
May 2, 2023 at 6:39 AM
Avatar
STRAILER
  • CERTIFIED EXPERT
  • 53,855 POSTS
No problem, it does sound like the driver module is bad, you can run a hot wire to the pump to see if the engine will run, this will help narrow down the problem. You could have a bad/defective pump.
May 2, 2023 at 1:00 PM
Avatar
ITAFREAKINFORD
  • MEMBER
  • 19 POSTS
Okay, well I have a new thing happening on top of no start I was trying to get it to run rechecked new fuel pump good pressure well got gauge fixe showing normal I retested spark cause the cheap OBD showed 0rom during crank I charged battery all the way until charger said battery full anyhow back to spark took coil put screwdriver got it close to metal notice RPMs. We're 10 then zero then 19r them zero I grounded coil it attempted to start. Tried again just fast crank nothing reground coil it tried to start next attempt just crank no spark or RPM and I noticed when it. Did try to start spark was a weird. Orange isj red being partially. color. Blind sucks. So anyhow I figure it might be bad crankshaft. Sensor. So that is my focus right now them I. Will move. On to. Cshaft. Sensors while still trying to figure the power to aim fuel pump zero power. To. Crossover pump Or whatever the drive side pump is called Any advice I still have only code p1000 which is nothing no other codes present when battery was down had tom of random codes like TPS error out of range. Fuel pressure high input and a few other I didn't clear them soon as battery had been charged all codes Gone did the odo reset nothing bad showed up on self-test so if this was you which direction should I go change crankshaft sensor then get back to drive side fuel pump Oh and I haven't found anything inertia. Good fuses I didn't get power to was a 30amp I'n passenger compartment and one other no power with key on or off so that is where I am. Thanks for trying to help me. Sorry starting to ramble on will stop fn.
May 3, 2023 at 3:22 AM
Avatar
STRAILER
  • CERTIFIED EXPERT
  • 53,855 POSTS
yes, if there is no RPM, I would swap out the crankshaft sensor. here is the location and how to do the job in the images below. Check out the images (below). Please let us know what happens.



May 3, 2023 at 2:17 PM
Avatar
ITAFREAKINFORD
  • MEMBER
  • 19 POSTS
Okay, good outcome. I started tracing wires learning what they did at each sensor then I hooked up odb and tried to start it again spark then no spark so I went to crank sensor wiggled the pulled slightly on the wires wife cranked car it started I let go it shut off instantly so I looked at harness it went to front cam sensor and crank sensor and somewhere else I separated the harness best I could wiggled put pressure on wire no start same with cam sensor nothing just cranked grabbed both wires cam and crank sensor wires with little pressure or taught mess car started tried ech separately no luck held both ran fine so I get to each sensor looked like at some point someone probed the wires and exposed them they were twisted.so I untwisted and repaired wires to crank and cam sensor it was strange cause power showed up in I'm places it was supposed to be but there was no power secondary fuel pump came.om spark was good so as I used the diagrams you sent I stared looking at everything I could reach so now when car is under acceleration it has a odd vibration. So my last question is since battery was disconnected for over a week does the car need to relearn anything I notice shift on its own sometimes other times need to let odd gas for it to shift I don't mind doing that just happy it is back up and running normal rpms good at 700 fuel pressure good spark good temp good thank you for the diagram and staying with me while I fixed it now back to check charging system light but alt putting out 14.2 started car took cables off the battery and turned lights ac wipers out brake on and idled down a sec back to normal idle so it is a mystery to me anyhow that is it
Thanks again been bag big help.
May 3, 2023 at 7:17 PM
Avatar
STRAILER
  • CERTIFIED EXPERT
  • 53,855 POSTS
Thanks for letting us know, we are here to help, please use 2CarPros anytime.
May 4, 2023 at 11:34 AM