Fuel injectors not firing

1994 JAGUAR XJ6
135,000 MILES • 4.0L • 6 CYL • 2WD • AUTOMATIC
Avatar
WAYNEMERTZ
  • MEMBER
  • 57 POSTS
I have a no start problem with my car listed above XJ40/XJ6. I have good fuel pressure to the rail and good spark to the plugs. I have verified and re-verified that no gas is getting into the cylinders. I have checked all fuses and main relay, along with the other relays against the firewall.
I have another ECM (DBC10642) by LUCAS which I swapped out with no change to the no start condition. The blue connector to this is supposed to control the injectors, etc. I Checked pins 12, 13, 17, and 25 at the above ECM and found good continuity and condition.

From the Jag Forums, I found some help from an individual who has run into a roadblock because his JHM 1130 repair manual disk is missing page two! This page details the electrical input/output of the fuel injector circuits.

So, here I am, the car was always a good starter. Sitting out all winter and started fine. Then one day it started, ran very rough, and then wouldn't start again after I shut it down.

If you have any suggestions or access to the above missing input/output information, I would greatly appreciate it.

Thanks, Wayne
Mar 31, 2019 at 7:54 AM
Advertisement
Avatar
JOETECHPRO
  • CERTIFIED EXPERT
  • 705 POSTS
Hey WAYNEMERTZ,

Looks like you are making a good start on this issue.

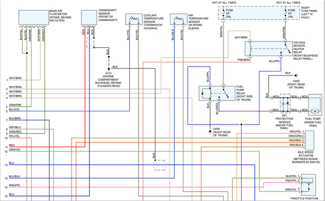
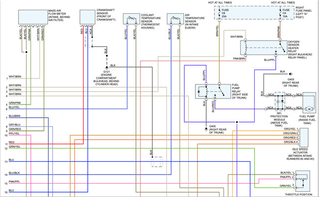
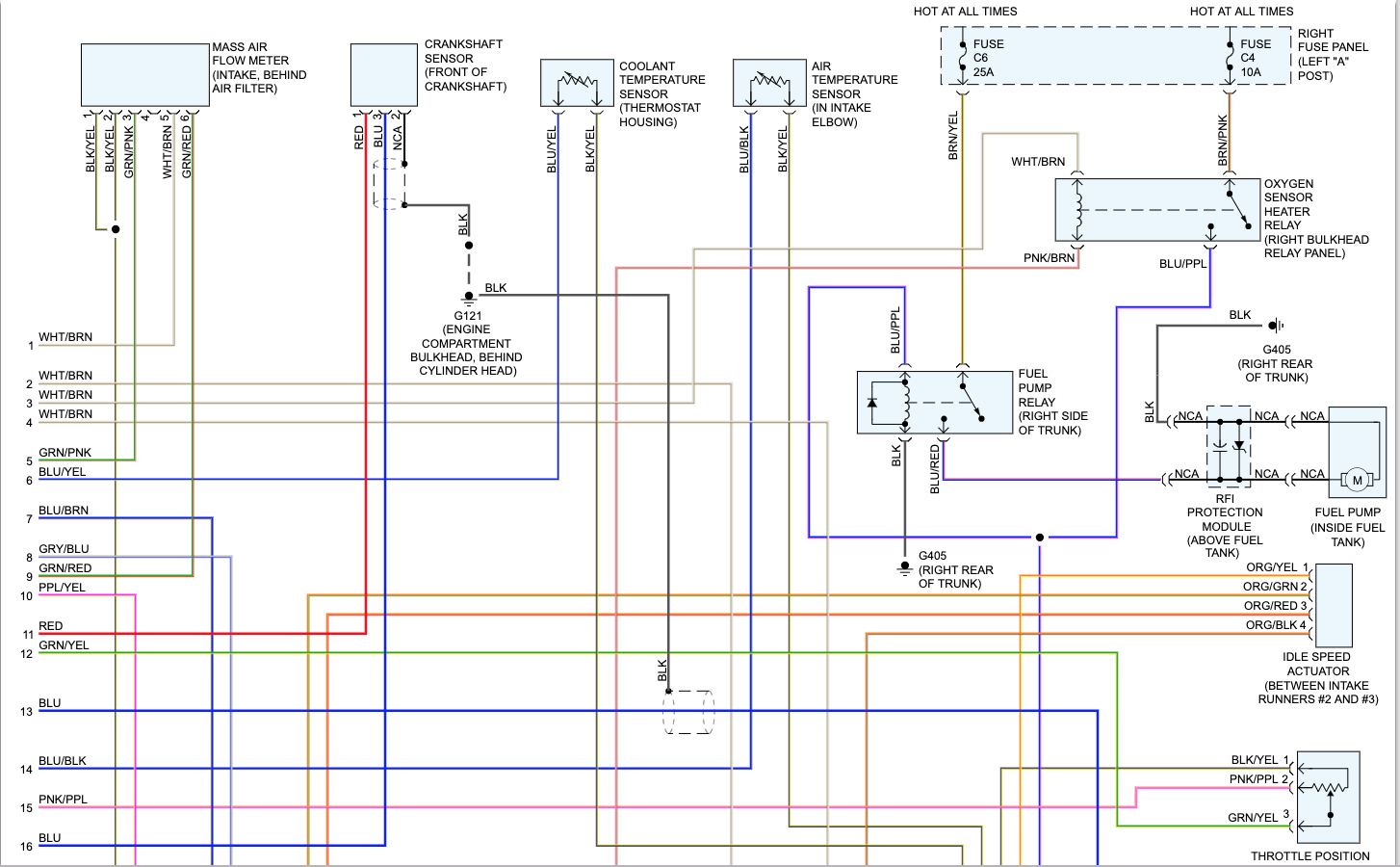
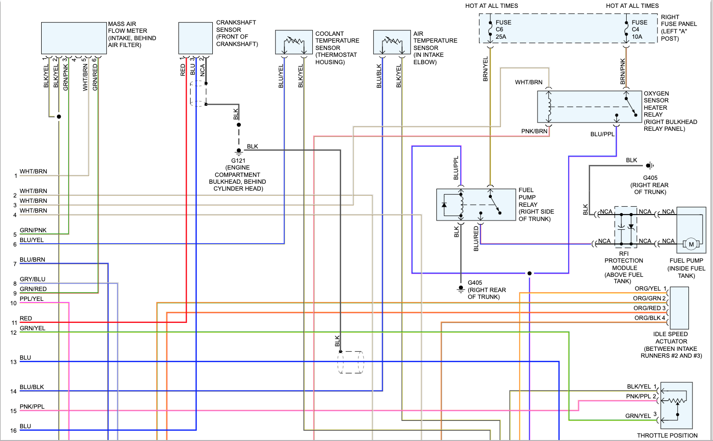
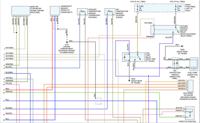
I have attached the wiring diagrams for engine controls below.

I have also attached the information for fuel pressure specs.

How did you check fuel pressure?

From the diagram it looks like all injectors are controlled from pins 12 and 25 at the blue connector on the PCM.

I would start by unplugging PCM and injectors and checking resistance from the PCM connector to each of the injectors for the PNK/BLK (pink/black) and PNK/BLU (pink/blue) wires. You should have a low number (less than 3 ohms, should be close to 0)

Also with everything still disconnected check resistance from the blue PCM connector pin 12 to ground and from the blue PCM connector pin 25 to ground. This should be open or you have a short to ground.

You can also check for voltage between the same pins and ground to ensure you are not shorting to positive.

If this checks out then check the resistance of the injectors, between the two pins of the injector you should have 2.2-3ohms - spec sheet attached.

Hope that helps

Regards, Joe
Mar 31, 2019 at 5:39 PM
Avatar
WAYNEMERTZ
  • MEMBER
  • 57 POSTS
Joe, thanks for the reply.
I used a fuel pressure gauge to check the fuel pressure at the rail.
I have checked the PCM and the pins in question as I stated above.
On my engine some idiot at the factory used black/green and black/blue wires to the injectors.
Just makes tracing and following the electrical diagrams in the manuals interesting.
The diagram attachments that you sent are all a blur.
I have clicked on them to enlarge, but even with a magnifier it is all a blur.
Do you have a higher resolution copy of these attachments?
I sure hope they detail the input/outputs of the blue connector.
Thanks again for your help,

Wayne

Mar 31, 2019 at 6:59 PM
Advertisement
Avatar
JOETECHPRO
  • CERTIFIED EXPERT
  • 705 POSTS
Hey WAYNEMERTZ,

Sorry i will try and work out the diagrams, they show all the engine controls.

I have found a procedure to check for DTC'c (diagnostic trouble codes)

Guide attached below.

Let me know if that is better resolution.

Regards, Joe
Mar 31, 2019 at 7:42 PM
Avatar
JOETECHPRO
  • CERTIFIED EXPERT
  • 705 POSTS
Hey WAYNEMERTZ,

Try these diagrams below. You can right click and the open in new tab or save the files and try opening them that way.

Let me know if that still isn't any better.

Regards, Joe
Mar 31, 2019 at 7:44 PM
Avatar
WAYNEMERTZ
  • MEMBER
  • 57 POSTS
The first two were okay, but the third with the dials, etc was too low.
Mar 31, 2019 at 7:48 PM
Avatar
JOETECHPRO
  • CERTIFIED EXPERT
  • 705 POSTS
Hey WAYNEMERTZ,

Sorry let me try one more.

That should work and give you the parts you need.

Please also ensure all the fuses for the ECM are good.

Regards, Joe
Mar 31, 2019 at 7:56 PM
Avatar
WAYNEMERTZ
  • MEMBER
  • 57 POSTS
Joe,
They still are at a too low resolution for me to make out any type on the diagrams.
Let me ask you this.
At your end, do the diagrams look good (resolution)?
If they do, something is happening in the upload.
Is there a way you can put them into a drop box and send the link, or send to my email?
In the meantime, I will try to improve them in photoshop if I can.

Thanks,

Wayne
Mar 31, 2019 at 7:56 PM
Avatar
WAYNEMERTZ
  • MEMBER
  • 57 POSTS
The last ones worked great.
Thanks,
I will take time and review.
Thanks again,
Wayne
Mar 31, 2019 at 7:59 PM
Avatar
JOETECHPRO
  • CERTIFIED EXPERT
  • 705 POSTS
Hey WAYNEMERTZ,

Perfect, sorry about the mess around with the uploads it's not working properly my end.

Also can you please check the voltage you have between the 2 pins on each of the injector connectors. Unplug the connector and test. With ignition on you should have 12V.

Regards, Joe
Mar 31, 2019 at 9:32 PM
Avatar
WAYNEMERTZ
  • MEMBER
  • 57 POSTS
I better wait until tomorrow to test again. I wasn't able to get a reading tonight.
I believe we had nearly 12 volts to both wires last weekend when we did the latest tests.
I guess the pulse to make the injectors work is a signal that grounds one of those wires.
I will have to keep you posted.
Of the diagrams you forwarded, did you send 3 pages? It looked like one of the pages said 3/3 on it?
Thanks again,
Wayne
Mar 31, 2019 at 9:51 PM
Avatar
JOETECHPRO
  • CERTIFIED EXPERT
  • 705 POSTS
Hey WAYNEMERTZ,

Yes the ECM switches the ground side to pulse the injectors.

If you have 12V with the ignition on then for some reason the ECM is not pulsing the injectors when cranking.

If you do not have 12V then i would head back to the checking of fuses and power/grounds for the ECM.

The diagram was only 2 pages, the other page was blank.

Let me know what you get tomorrow.

Regards, Joe
Mar 31, 2019 at 9:56 PM
Avatar
WAYNEMERTZ
  • MEMBER
  • 57 POSTS
Okay Joe,
Here is an update and confusing information:

I just checked the voltage at the injectors. 12 volts!
Now the confusing stuff to me:
My brother(Electronics Engineer-Retired) states that;
There is a 1 volt drop from the battery's Neg Post to the ground in the engine compartment.
There is a 2 volt drop from the battery's Pos Post to the Pos Post in the engine compartment.
I believe he said I was only getting 9 volts to the engine compartment when cranking and 5 volts to the injectors when cranking. I am not 100% sure on this technical stuff?

Hope this makes sense.

Wayne
Apr 1, 2019 at 7:59 AM
Avatar
JOETECHPRO
  • CERTIFIED EXPERT
  • 705 POSTS
Hey WAYNEMERTZ,

You could potentially have a voltage drop causing the problem.

If you have 5V at the injector whilst cranking this is not necessarily bad, the pulsing of the ground and resistance in the ECM will give you less than 12V during this test.

It sounds like it is trying to pulse the injectors.

With the engine cranking you can use a stethoscope to listen to each injector. With the harness reconnected they will be clicking if they are activating. You can also use a long screwdriver as a stethoscope for this.

The ground for the ECM is at the rear of the cylinder head.
Checking and cleaning this ground and also the battery terminal connections and the main chassis ground from the battery negative. Poor connections could be causing a voltage drop not providing enough power to the injectors to open.

Have you replaced the main relay?

Do you own a test light? The best way to easily check the power/ground at the ECM will be with a test light. This way you can see if you have a drop somewhere as the test light acts as a load on the circuit.

Regards, Joe
Apr 1, 2019 at 8:50 AM
Avatar
WAYNEMERTZ
  • MEMBER
  • 57 POSTS
I will try cleaning all the neg grounding straps, etc.
I have a stethoscope and two test lights.
I have not replaced the Main Relay, but I have checked and rechecked it.
I put a stethoscope on it as well as my fingers as the ignition was turned on and both heard and felt the relay kick in.

Wayne
Apr 1, 2019 at 8:14 PM
Avatar
JOETECHPRO
  • CERTIFIED EXPERT
  • 705 POSTS
Hey WAYNEMERTZ,

Please carry out the stethoscope check of the injectors and listen to see if you get any activation there.

If you are not getting an audible tick from the injectors when cranking then It is worth checking the resistance of all injectors (2.2-3 ohms is the spec)

Also unplug one of the injectors and when cranking carry out the ground pulse check with your test light.

Have a read through the guide below it covers most of this testing:

https://www.2carpros.com/articles/how-to-test-a-fuel-injector

Also if you have been cranking the vehicle you can remove a spark plug after and should be able to smell fuel if it is injecting but it is not firing.

If you have access to a compression gauge checking compression does not take long and will give you a quick indication if you have a timing issue or base engine fault.

Let me know how you go.

Regards, Joe
Apr 1, 2019 at 10:29 PM