Fuel injectors cut out after vehicle starts?

1990 CHRYSLER LE BARON
135,000 MILES • 2.5L • 4 CYL • TURBO • 2WD • AUTOMATIC
Avatar
HOWAANDERS8
  • MEMBER
  • 2 POSTS
This vehicle has been at two different shops for almost 10 weeks. it will fire for a few seconds and shut off the injectors. You can keep the vehicle running with starter fluid, so it is not an ignition matter. I am told it has something to do with anti-theft/security but I'm told this vehicle is not equipped with that? VIN1c3xj45j6lg476998
Aug 14, 2023 at 6:11 AM
Advertisement
Avatar
HOWAANDERS8
  • MEMBER
  • 2 POSTS
Fuel pump, filter and pressure regulator are all new.
Aug 14, 2023 at 6:13 AM
Avatar
CARADIODOC
  • CERTIFIED EXPERT
  • 34,308 POSTS
Chrysler's DRB2 scanner will show the "Fuel State" or something similar under the live data menu. If that shows it's in "Theft" mode, the Engine Computer is programed to need the disarm signal to keep the injectors firing. While your car might not be equipped with the factory anti-theft system, a used Engine Computer might have been installed that had that programming activated. Once activated, it needs to see a signal from a door switch or key fob to allow the engine to remain running.

In later years, starting around 1992 or 1993, the Body Computer became involved too. The anti-theft system was built into all of those computers, but was only activated on the cars that had that option. When you replaced either computer, it immediately learned that anti-theft programming from the other computer. Once activated, it can't be undone. If a used activated computer was installed, it taught that programming to the other computer. At that point, if the car doesn't have the anti-theft programming, both computers must be replaced at the same time with ones that don't have that programming activated.

Regardless, the scanner will show if fuel is "denied" or "allowed". If it shows "allowed", the theft system isn't the cause of the problem. Then I would look at the 12-volt feed to the injector, but there's two problems with this. First, that circuit is the same one that feeds the ignition coil and alternator field. Since we know you're not losing the ignition system, we know the automatic shutdown, (ASD) relay is working. That feeds the injector too. There would have to be a break in that wire after the splice where it turns into two circuits.

The second problem is a break in the wire feeding the injectors is the stalling is too consistent. A bad connection would disable the injectors at random times.

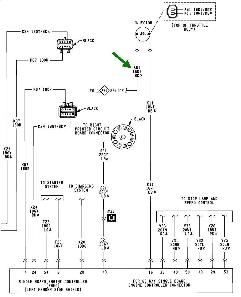
It would be smart to check that 12-volt feed anyway. It's the dark green / black wire, (dark green with a black stripe, or "tracer"), shown in these diagrams. Watching this voltage is going to be a little tricky. The ASD relay feeding the injector and the ignition coil must turn off roughly one second after the engine stops rotating. That means normal operation is for the engine to stop running, then that 12 volts at the injector drops to 0 volts a second later.
On the off chance you see the 12 volts go away first, followed by the engine stalling right after that, we have to look somewhere else.

Also consider that you could still be losing spark along with injector pulses. Starting fluid can ignite just from the heat in the cylinders. To check for this, monitor the 12 volts at the positive terminal of the ignition coil. A test light works best for this. Normal operation is to see it light up full brightness for one second when the ignition switch is turned to "run", then it will turn back off. It turns on again during engine rotation, (cranking or running). As with the injector, watch closely to see if the 12 volts goes away first, then the engine stalls, or if that 12 volts stays there as long as the engine is running on starter fluid.

If the 12 volts goes away but the engine keeps running on starter fluid, you have a very common problem with a simple solution. That is a failing distributor pickup assembly. It's a plastic disc that sits right under the rotor in the distributor. Failures of those are so high, a lot of people carry spares in the glove box. When the Engine Computer stops receiving signal pulses from the pickup assembly, it thinks the engine has stopped rotating. In response it turns off the ASD relay. That removes the 12 volts from the injector, ignition coil, and more importantly, the fuel pump.

Let me know what you find up to this point.

(I'll be on a multi-state road trip to fetch parts for a couple of days. Don't panic if I don't reply back right away).
Aug 14, 2023 at 2:25 PM
Advertisement