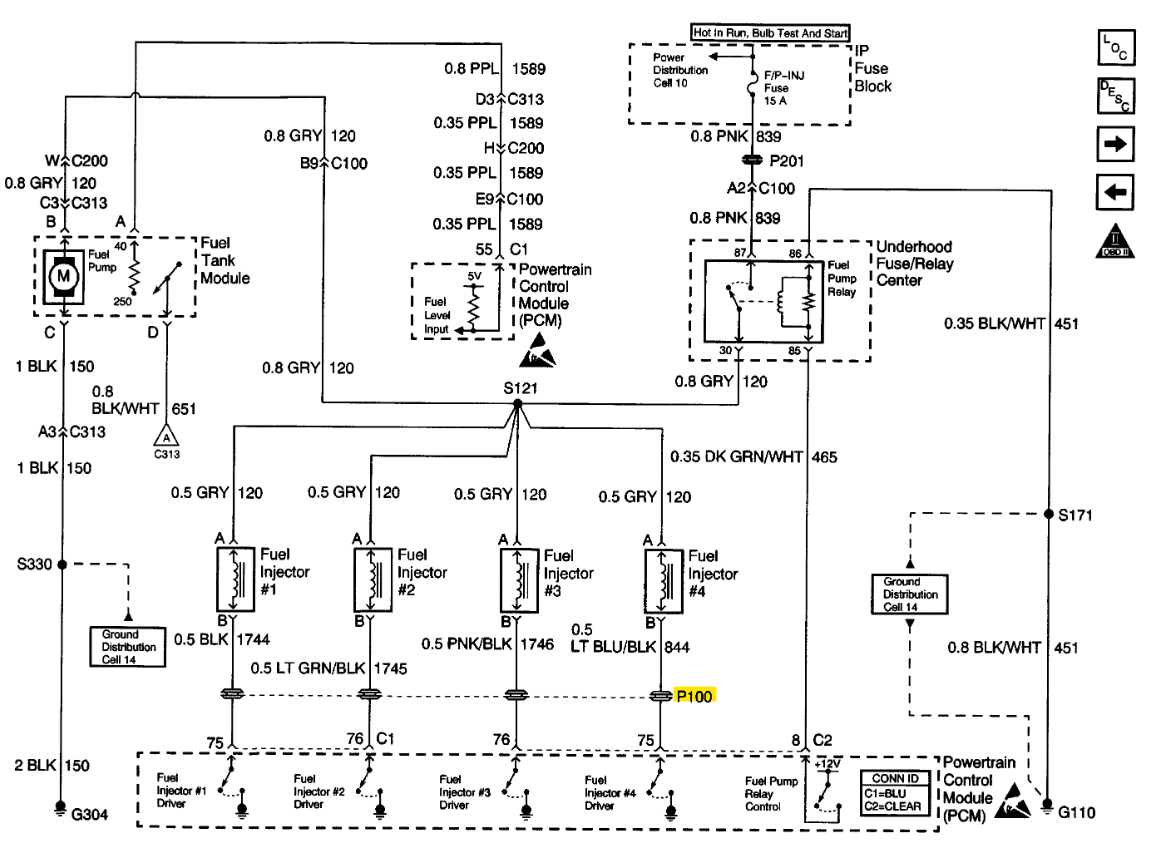
Okay, I'm not sure what you mean by free minute there. Let's start this again. You're getting a pulse on the control side of numbers 1 and 4, and on 2 and 3 the test light just stays lit. So, you're back probing the injector connectors for a pulse, so if 2 and 3 are just lighting the test light, that sounds like an open circuit in the control side of 2 and 3. The power feed is just going through the injector and lighting your test light, it's not being pulled to ground. So yes, you'll need to track down those control wires (2 and 3) and see where they are opened circuit or high resistance. I would think you are most likely going to find a corroded bulk connector somewhere. Unless some rodents got in there and chewed through a couple wires, that happens all the time, they love to chew on wires, I've seen that more times than I can count. Hopefully that's what it is, so there's no damage to the computer drivers.
This is the OEM diagram for the injectors circuit, it doesn't show any connectors, just right to the ECM, and knowing these ECMs, you might want to check the ECM connectors for corrosion. I know they keep the computers in the engine compartment, and they are not really protected from the elements very well. And considering the age of the car, it might be easier just to trace the wires right from the ECM out. I had some strange issues with one of these cars, I had to go and test right at the ECM to find the issue.
Let's hope it's just a wiring problem, which would be good.
The P100 highlighted in yellow is just a grommet, not a connector.
Jul 29, 2022 at 5:02 PM