Fuel injection wiring diagrams needed

1997 NISSAN TRUCK
100,000 MILES • 2.4L • 4 CYL • 2WD • MANUAL
Avatar
PACIFICISLANDER
  • MEMBER
  • 240 POSTS
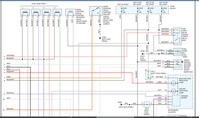
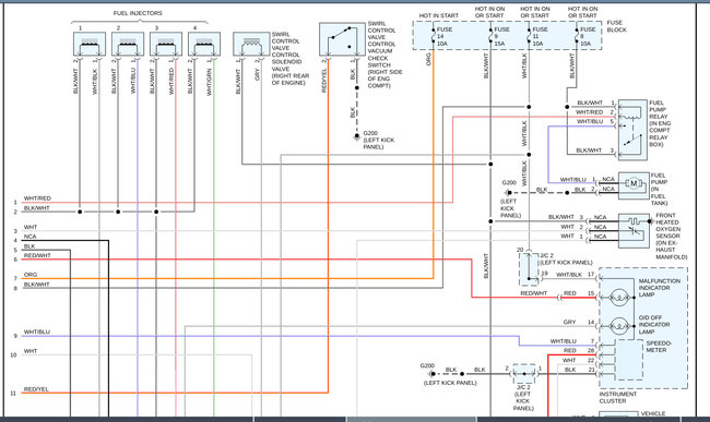
Need the wiring harness/color of wires assign to each injectors.
Dec 11, 2019 at 11:58 PM
Advertisement
Avatar
SCGRANTURISMO
  • CERTIFIED EXPERT
  • 4,897 POSTS
Hello,

In the diagrams down below I have included the information that you requested. I have included all of the engine management wiring diagrams for you. The fuel injectors are on the top of the third wiring diagram. I hope that this helps.

Thanks,
Alex
2CarPros
Dec 12, 2019 at 12:47 AM