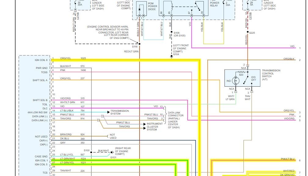
I replace the fuel pump. I have fuel pressure at the rail but it will not start. I can spray starting fluid in it and it will start and shut off. the injectors are not cycling. what controls the injection cycle? where does the power come from and what is the parameters if I taken at the injection?
Mar 1, 2020 at 1:12 PM




