If it has a fuel filter where is it located on the car listed above it is the Supreme international model?
Jun 14, 2018 at 8:57 AM
Advertisement
JACOBANDNICKOLAS
CERTIFIED EXPERT
110,175 POSTS
Hi and thanks for using 2CarPros.com.
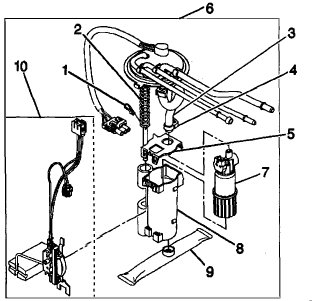
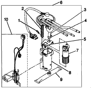
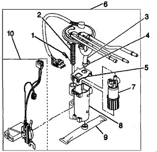
This can be one of two models Cutlass, a Ciera or full size Cutlass. The Ciera is located on the frame rail on the driver's side in front of the rear wheel. I have attached a picture of the full size Cutlass location for your review.