Hello,
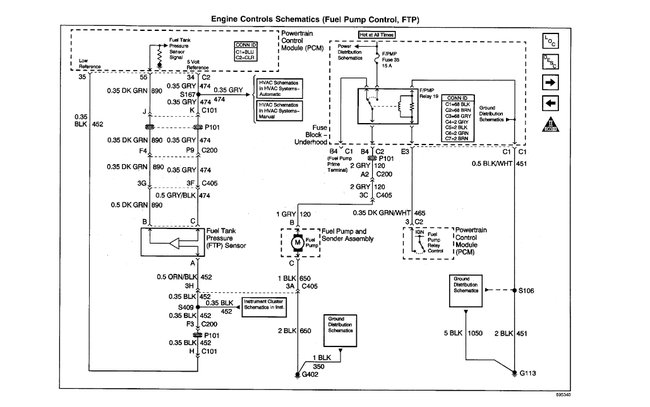
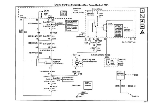
Fuses blow because your vehicle has an intermittent short to ground somewhere in the circuit[s] it is protecting. This comes about because of Ohm's law, the law that governs electricity in your vehicle. Ohm's law states that if one of the three properties of electricity is constant[Voltage-Vehicle has constant battery voltage] and one of the two other properties goes down [resistance-resistance goes to zero because of the shorted path back to battery negative post] then the final property [Amperage/Current-Amps go to battery amperage rating] must go up proportionally, and "pop" the amps exceed the amperage rating of the fuse and it melts, breaking the circuit and preventing an electrical fire or components welding themselves together. In the diagrams down below I have included the wiring diagram for your vehicle's fuel pump circuit and a guide on how to find short to grounds. Please go through these guides and get back to us with what you are able to find out. You will need to use a Digital Multi-meter [DMM] to do this so here is a link below on how to use one, if needed:
https://www.2carpros.com/articles/how-to-use-a-voltmeter
Thanks,
Alex
2CarPros
Images (Click to enlarge)
Oct 16, 2019 at 4:54 AM