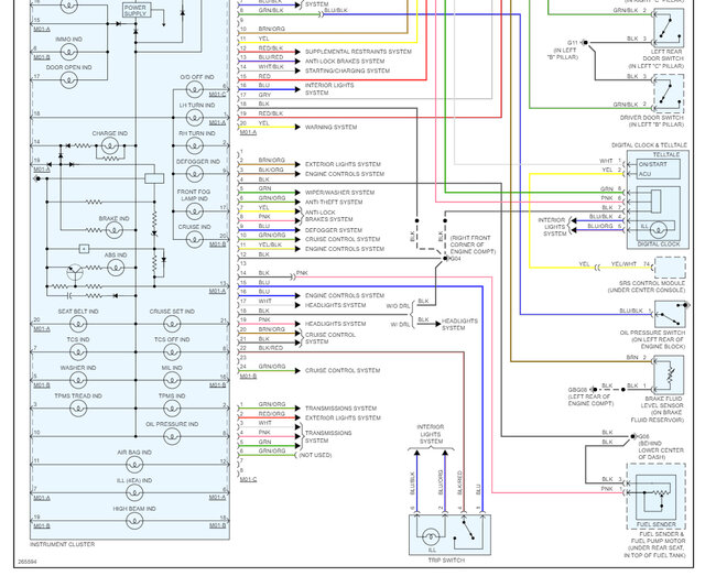
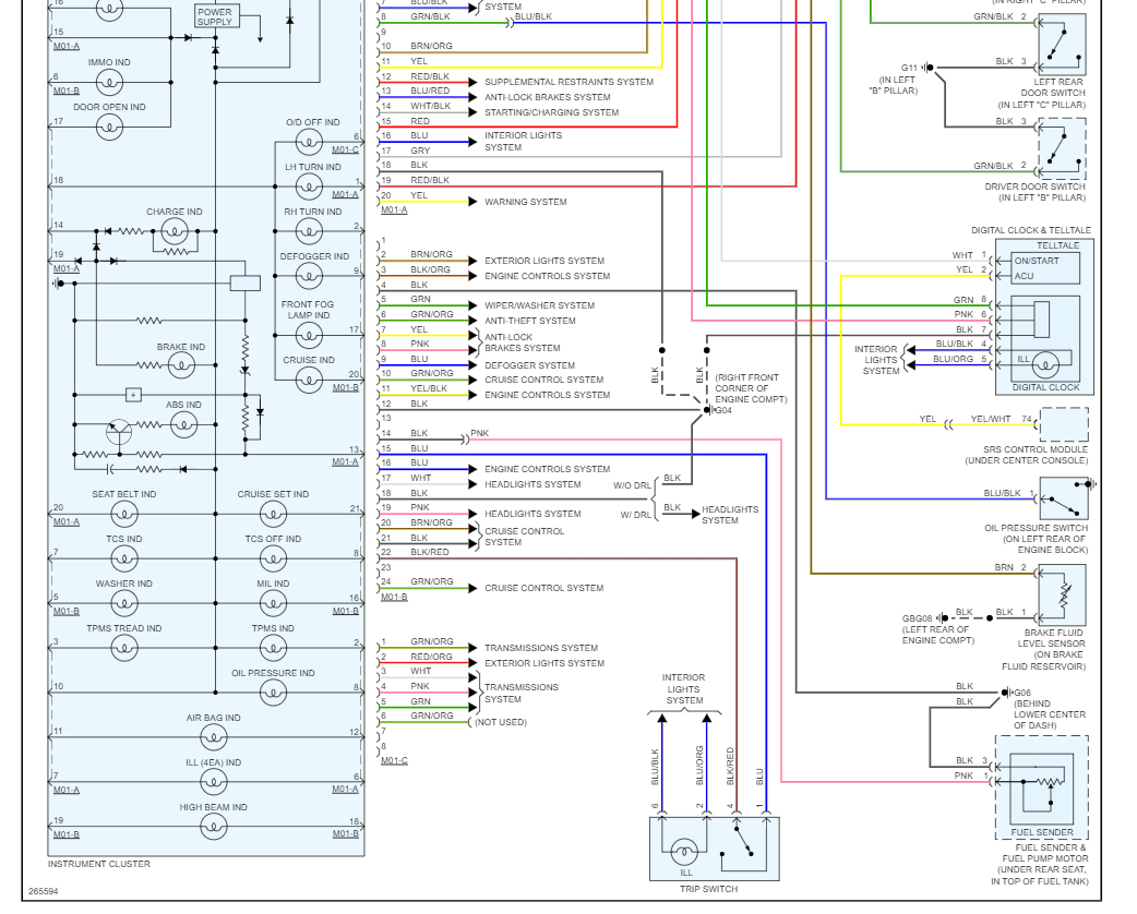
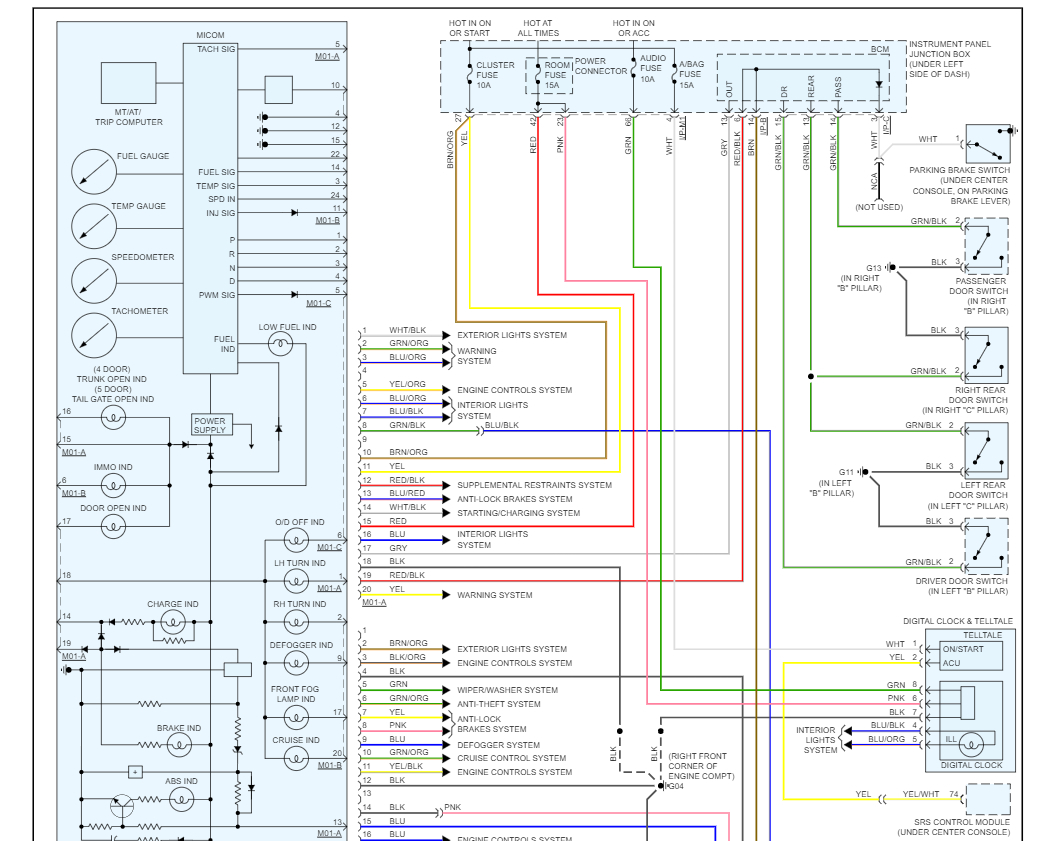
Install new pump that comes complete with gauge float
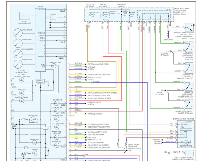
and still does not work. Any testing tips and wiring diagrams would help.
and still does not work. Any testing tips and wiring diagrams would help.
Feb 21, 2023 at 7:22 AM







