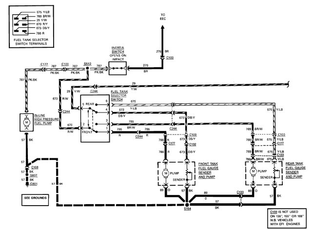
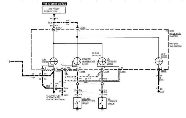
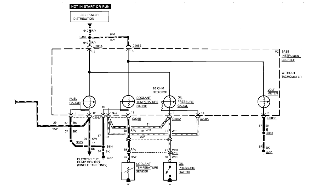
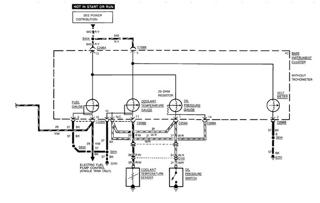
It shows it’s on full all the time until you turn the key off, then shows it’s on empty when you turn the key to off and remove key it’s not registering right correctly.
Sep 24, 2022 at 11:23 AM

