Fuel gauge not working

1987 CHEVROLET CELEBRITY
200,210 MILES • 2.8L • V6 • 2WD • AUTOMATIC
Avatar
ETERNALARIANNE
  • MEMBER
  • 203 POSTS
I was gifted the vehicle listed above. It had been sitting for 5 years and was last cranked 2 years ago. I do not know if the fuel gauge worked at all before it was parked, but when I got it the gauge read all the way to the right (past full). The battery was dead and when we put a new battery in it, the gauge now reads empty.

We replaced the sending unit and fuel pump (and cleaned out the tank) and the gauge still reads empty, no matter how much gas is in the tank. Is it possible the new sending unit is bad? Or maybe the gauge itself? Is there a way to test the gauge somehow?
Jul 11, 2020 at 6:49 AM
Advertisement
Avatar
ASEMASTER6371
  • CERTIFIED EXPERT
  • 52,796 POSTS
Hello again,

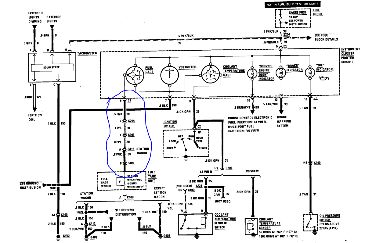
Go to the tank and disconnect the connector for the sender. The gauge should go full one way. Then ground the wire for the sender and the gauge should go full the opposite way.

If it does, the sender is bad. If it does not, then either the wiring or the gauge is bad.

It should be a purple wire in the connector. Do this test with the key on.

Roy
Jul 11, 2020 at 8:18 AM
Avatar
ETERNALARIANNE
  • MEMBER
  • 203 POSTS
Thanks again Roy. Testing concludes the sending unit is bad. What are the chances that both my brand new fuel pump and sending unit were bad? Could something have caused them both to fail?
Jul 11, 2020 at 9:29 AM
Advertisement
Avatar
ASEMASTER6371
  • CERTIFIED EXPERT
  • 52,796 POSTS
Did you use a new assembly or used assembly?

I have been stung with bad new parts many times.

Verify the connector is clean and tight.

Roy
Jul 11, 2020 at 9:30 AM
Avatar
ETERNALARIANNE
  • MEMBER
  • 203 POSTS
They were both brand new parts. The fuel pump was “generic” but the sending unit was Dorman brand.
Jul 11, 2020 at 9:32 AM
Avatar
ASEMASTER6371
  • CERTIFIED EXPERT
  • 52,796 POSTS
Okay, at least they are warranty items.

Replace them both.

Roy
Jul 11, 2020 at 9:35 AM
Avatar
ETERNALARIANNE
  • MEMBER
  • 203 POSTS
Thanks for all the help. Hopefully this will the last thing I need to get this car going.
Jul 11, 2020 at 9:51 AM
Avatar
ASEMASTER6371
  • CERTIFIED EXPERT
  • 52,796 POSTS
You are welcome.

Always glad to help.

Roy
Jul 11, 2020 at 10:01 AM
Avatar
ETERNALARIANNE
  • MEMBER
  • 203 POSTS
Sorry for the late response, replacing the sending unit did correct the fuel gauge issue. It looks like the one we originally installed was bent, causing the float to not move properly. The new one works flawlessly!
Aug 8, 2020 at 6:25 PM
Avatar
ASEMASTER6371
  • CERTIFIED EXPERT
  • 52,796 POSTS
Good, glad to hear it is fixed.

Roy
Aug 9, 2020 at 4:19 AM