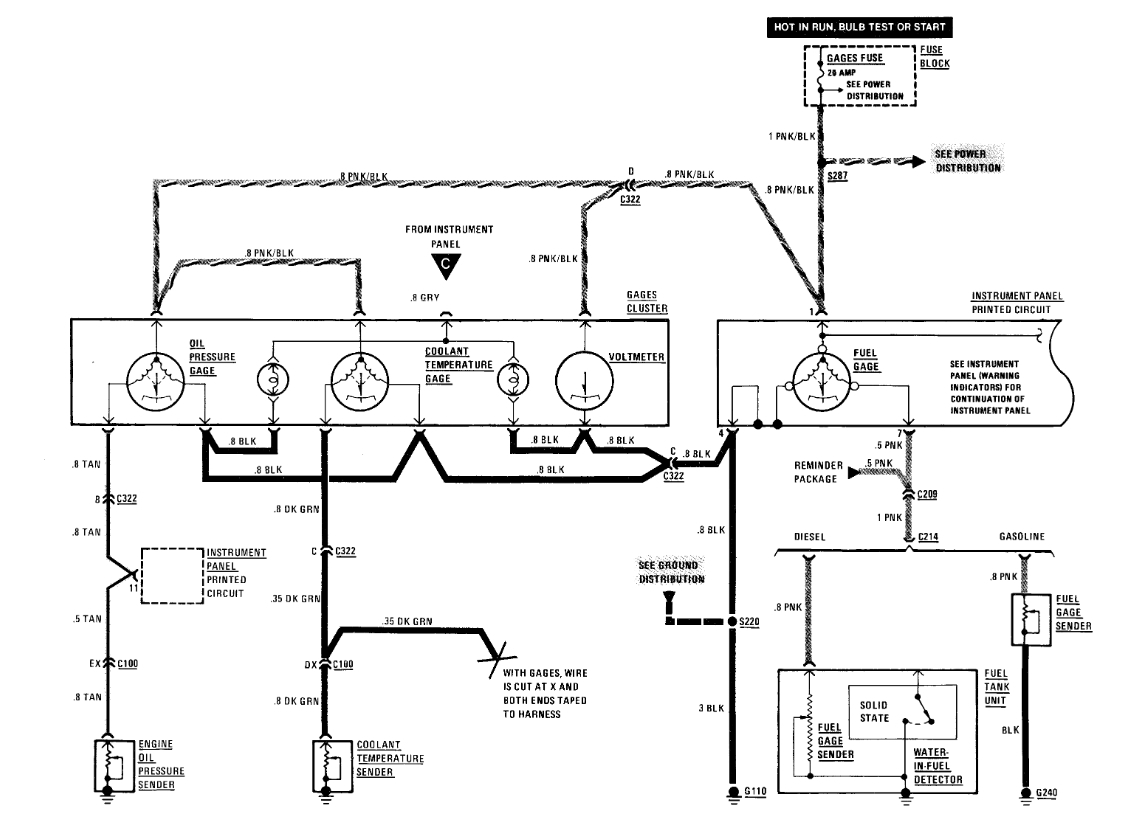
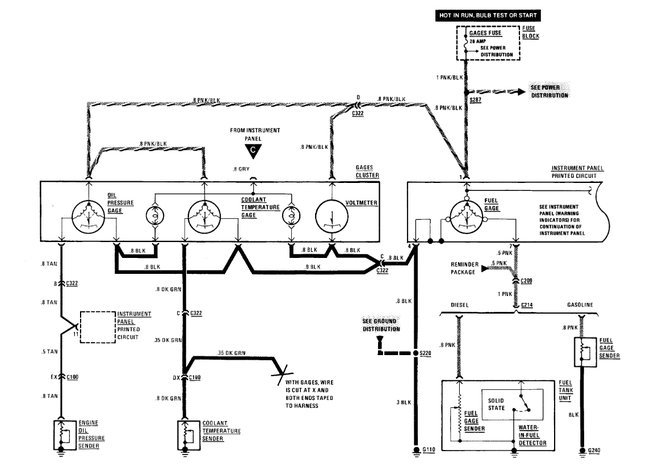
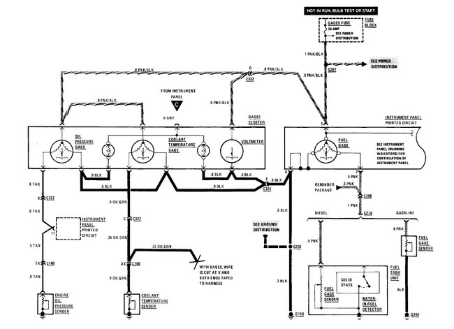
replaced the fuel tank sending unit, checked all fuses, replaced the cluster, and the fuel gauge still not reading right. Would this car carry an instrument cluster regulator if so, where is it?
Sep 3, 2022 at 1:01 AM
