fuel gauge not working properly

2008 OLDSMOBILE DELTA 88
199,001 MILES • V8 • 2WD • AUTOMATIC
Avatar
BONESMIKE
  • MEMBER
  • 21 POSTS
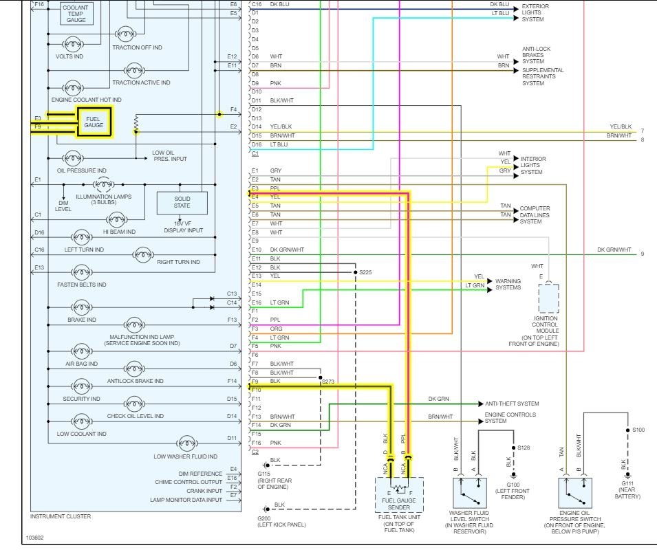
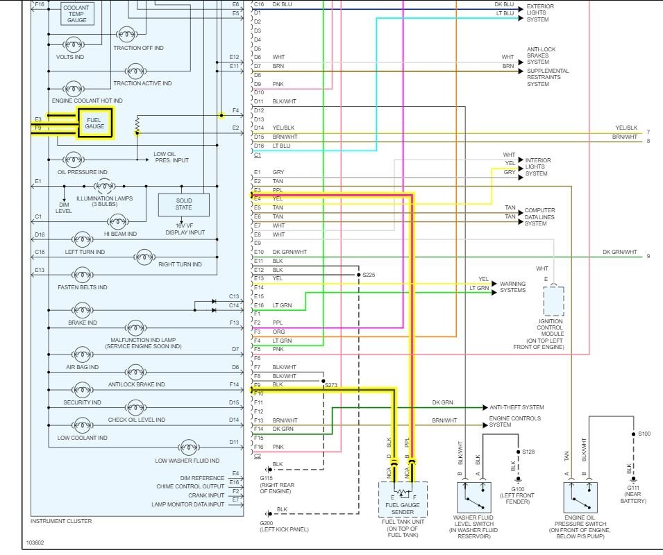
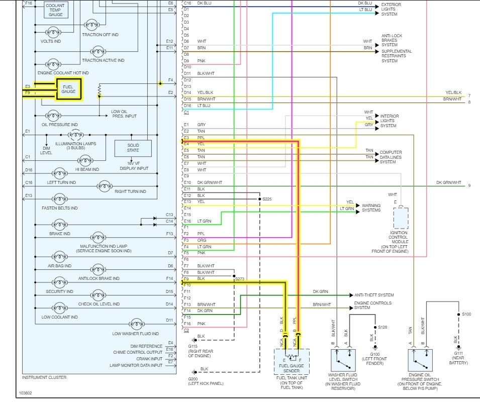
The fuel gauge stays at one position full or empty. I changed the sending unit in tank stayed the same, so I pulled the instrument cluster and put a new gauge a little change but still not reading. found two wires going to tank pink one and a dark color one checked with test light pink light up dark one no light. checked all fuses, no help. did notice when I unplugged the wires to tank gauge went to the far right. any help?
Mar 1, 2022 at 12:59 AM
Advertisement
Avatar
ASEMASTER6371
  • CERTIFIED EXPERT
  • 52,796 POSTS
Good morning,

The fuel gauge is controlled by integrated circuitry inside the cluster itself. It does not work like the older cars back in the 1980s.

If you have power on the red and the black wire is grounded, then the cluster is the issue.

https://www.2carpros.com/articles/how-to-check-wiring

I attached the procedure for the cluster below as well.

Roy
Mar 1, 2022 at 4:30 AM