Fuel Gauge not reading?

1982 GMC C2500
42,000 MILES • 5.7L • V8 • 2WD • AUTOMATIC
Avatar
HOGANJONES
  • MEMBER
  • 16 POSTS
I purchased a used fuel gauge and the previous one seems not to work at all. Needle didn't move when I turned the power on to the truck.

Currently the needle will move from all the way left position to about E "empty" when I turn the power on. but won't move past that.

1 Yes, fuel in left tank.
2. I replaced the switched and it has power.
3. I have 2 - 20 Gallon Tanks.

thank you,
Pat
Oct 22, 2023 at 11:27 AM
Advertisement
Avatar
STRAILER
  • CERTIFIED EXPERT
  • 53,854 POSTS
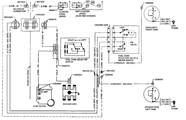
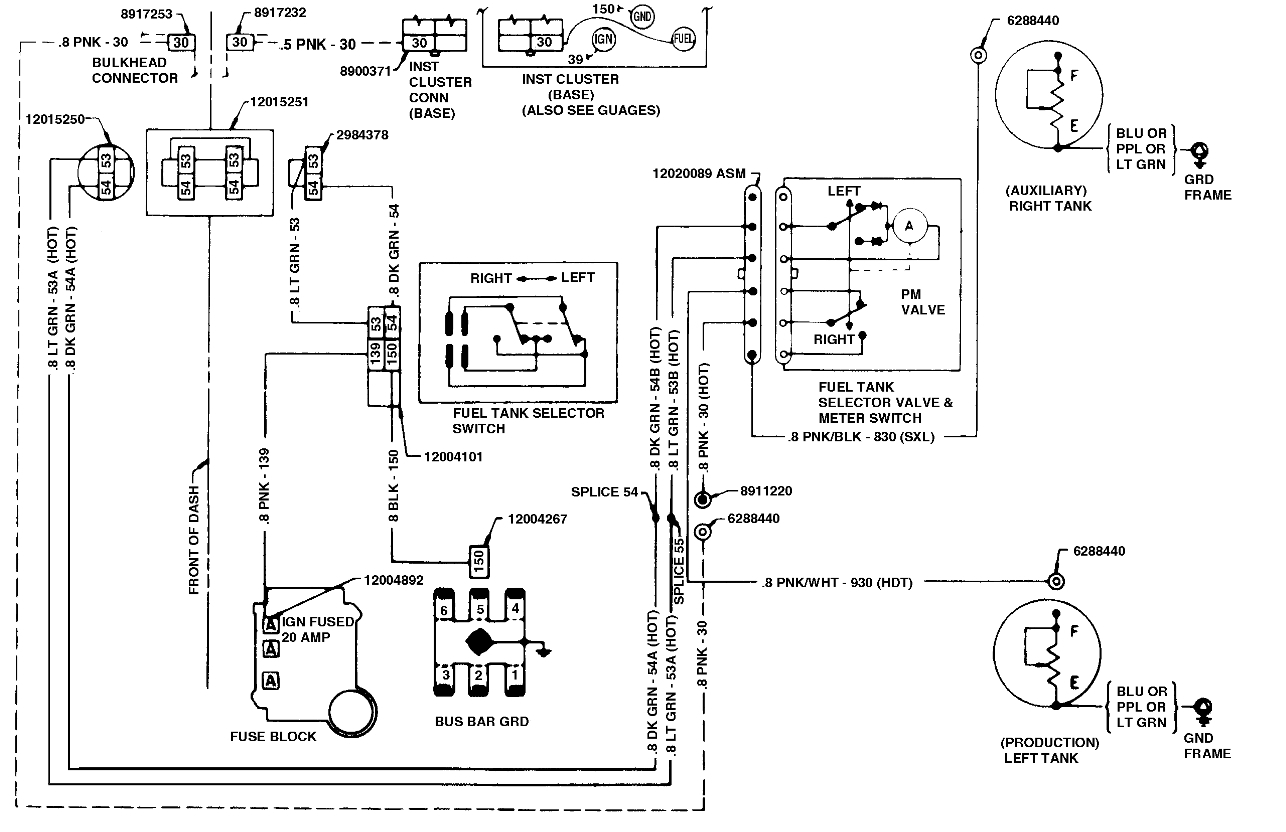
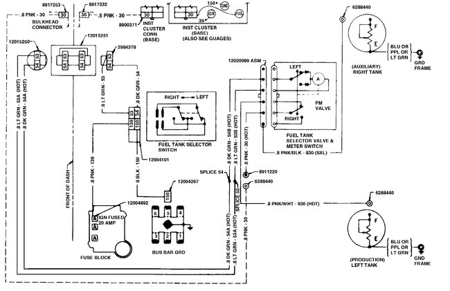
So, does it change when you switch tanks? I have seen the tank selector switch go out and cause this issue, I would remove the switch to ground the pink wire with the key on to see if the gauge moves to full, here are the fuel gauge wiring diagrams so you can see how the system works. Check out the images (below). Please let us know what happens.
Oct 23, 2023 at 7:48 AM
Avatar
HOGANJONES
  • MEMBER
  • 16 POSTS
Ken, thanks for the recommendation and I'll give it a try.
The tank switch is new and has power going to it.
Oct 23, 2023 at 8:39 AM
Advertisement
Avatar
STRAILER
  • CERTIFIED EXPERT
  • 53,854 POSTS
You are welcome.
Oct 23, 2023 at 12:32 PM