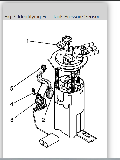
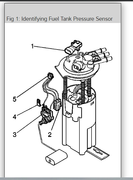
I just bought my car, I love it. But, I have an issue I need help with. When I first drove my car, I noticed the fuel gauge was stuck below empty.
I stopped and put gas in it. The fuel gauge didn't move until maybe after driving twenty miles. Then it jumped way up past half. My tachometer was stuck as well. The lot mechanic mentioned he had just changed the relay and it seemed a tad loose. So he bent the prongs out and it worked. Could this be the problem? Any help would be very much appreciated. I love this car otherwise! Thank you!
I stopped and put gas in it. The fuel gauge didn't move until maybe after driving twenty miles. Then it jumped way up past half. My tachometer was stuck as well. The lot mechanic mentioned he had just changed the relay and it seemed a tad loose. So he bent the prongs out and it worked. Could this be the problem? Any help would be very much appreciated. I love this car otherwise! Thank you!
Apr 5, 2019 at 5:28 AM

























