Fuel gauge reads empty all the time

1998 DODGE CARAVAN
188,000 MILES • 3.8L • V6 • 2WD • AUTOMATIC
Avatar
MARK COCHRAN
  • MEMBER
  • 16 POSTS
The low fuel light is on. I have replaced fuel pump and sending unit. I have removed cluster and soldered connections.. still no gauge. am I correct in that the wiring goes though the BCM? does the PCM control fuel gauge also? the van stalled and has no spark. i have ordered a new PCM, cam and crankshaft sensor hoping to getting it running again, while waiting on parts trying to solve fuel gauge problem too.
Aug 18, 2019 at 3:15 PM
Advertisement
Avatar
MARK COCHRAN
  • MEMBER
  • 16 POSTS
FYI. I ran the cluster self check and got a code 999. all the gauges swept including the fuel gauge.
Aug 18, 2019 at 3:31 PM
Avatar
MARK COCHRAN
  • MEMBER
  • 16 POSTS
Also, when I turn the key to the "on" position the gauge jumps ever so slightly for a second, then nothing like it is getting a signal for a split second.
Aug 18, 2019 at 4:15 PM
Advertisement
Avatar
JACOBANDNICKOLAS
  • CERTIFIED EXPERT
  • 110,175 POSTS
Welcome to 2CarPros.

The code you got indicates the end of the test. Here are the codes related to the instrument panel self check:


INSTRUMENT CLUSTER DTC CHART
DTC .................... Description
110 .................... Memory Fault in cluster
111 .................... Calibration fault in cluster
905 .................... No CCD bus messages from TCM
921 .................... Odometer fault from BCM
940 .................... No CCD bus messages from PCM
999 .................... End of Codes

Since that is the only code that showed, the instrument cluster isn't the problem. Next, since you replaced the fuel module in the tank and checked wiring, that leaves the body control module.

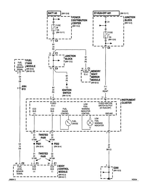
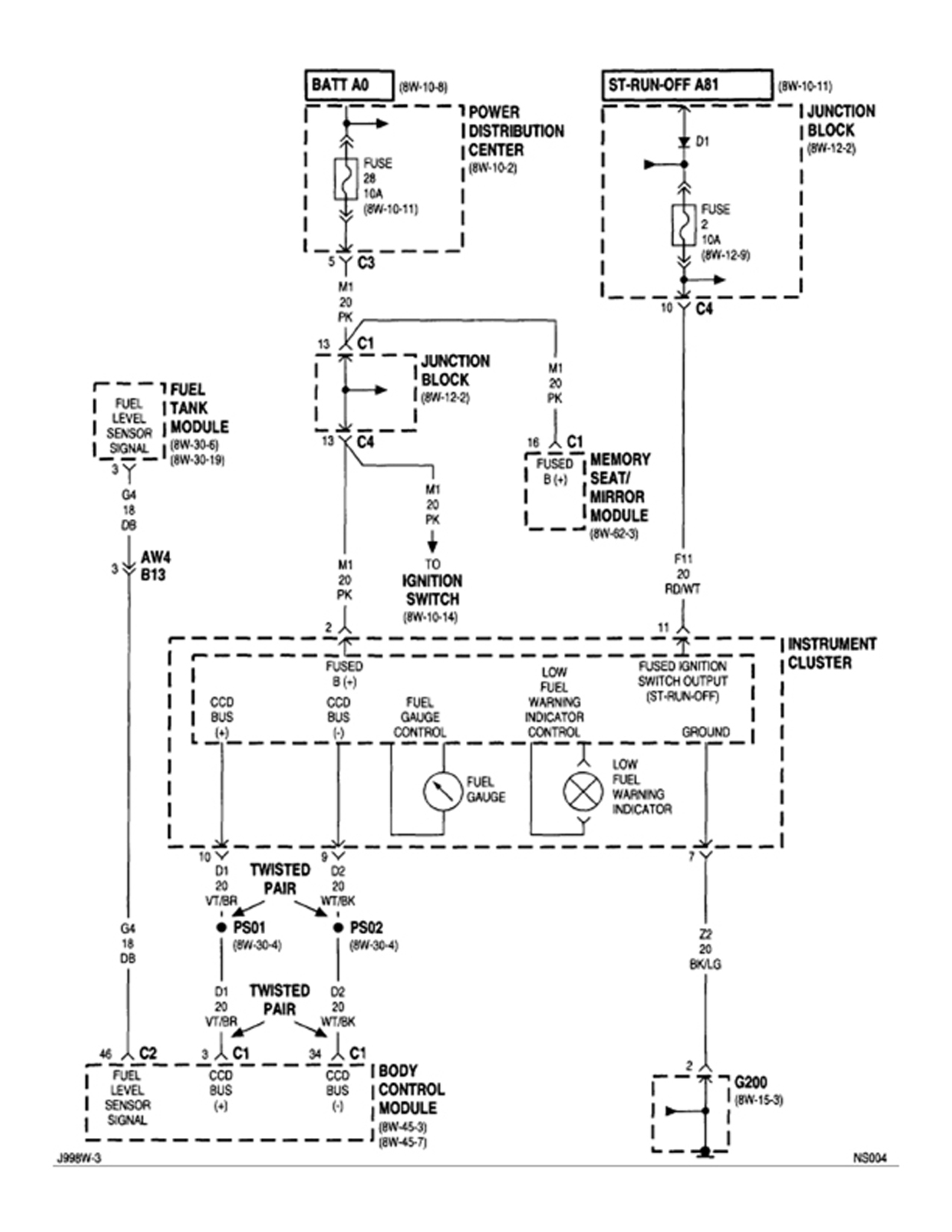
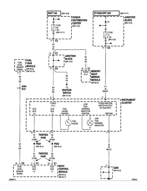
If you look at the three attached pics, they are a diagnostic flow chart for fuel gauge problems. Take a look through them. I have a feeling the body control module is the issue, but you make your determination based on the charts.

If the text in the charts is too small, let me know and I'll try to enlarge them for you.

Take care and let me know what you find or if you have other questions.

Joe
Aug 18, 2019 at 8:11 PM
Avatar
MARK COCHRAN
  • MEMBER
  • 16 POSTS
thanks so much for the information. before your reply I ordered a used replacement for the BCM. the van is my everyday driver and I need it to be reliable. one other quick question, would the BCM give a no spark symptom? I am replacing the cam and crankshaft sensors, the PCM and the BCM. hoping to cure all its problems! the parts hopefully will be here by the weekend (ordered from online) and I can see what happens. I work during the week so it is sitting in the garage awaiting treatment. I will use your sent information in the meantime to see what I can find out. Again many thanks.
Aug 19, 2019 at 1:29 AM
Avatar
MARK COCHRAN
  • MEMBER
  • 16 POSTS
that should of been cure all its problems.
Aug 19, 2019 at 1:30 AM
Avatar
JACOBANDNICKOLAS
  • CERTIFIED EXPERT
  • 110,175 POSTS
Welcome back:

If you lost spark, the first things I would recommend checking would be the crankshaft position sensor and coils. If you have a live data scanner, plug it in and check for an RPM signal when cranking. If there is no signal, chances are it is the crank sensor.

As far as the BCM, that is the body control module. It shouldn't cause no spark. The PCM could, but again, I would suggest checking the sensor first.

Let me know how you make out with this. I will watch for your reply.

Take care,
Joe
Aug 19, 2019 at 6:56 PM
Avatar
MARK COCHRAN
  • MEMBER
  • 16 POSTS
I have worked on the fuel gauge problem further. I have 2.5 volts at the DCL at pins 3 and 11 at all times. next I checked the BCM connector at pins 3 and 34. again 2.5 volts. what is my next step/s ?I replace the cam and crank sensor, plus the PCM only to find out whacking the fuse box under hood will let it start. Thinking of replacing the fuse box/block? still stuck on the fuel gauge though!
Aug 25, 2019 at 12:24 PM
Avatar
MARK COCHRAN
  • MEMBER
  • 16 POSTS
Also, ordered a BCM, but it wasn't the right one. If voltage is good on pin 3 and 34 does that mean the BCM is good?
Aug 25, 2019 at 1:05 PM
Avatar
JACOBANDNICKOLAS
  • CERTIFIED EXPERT
  • 110,175 POSTS
Welcome back, Mark:

Honestly, that doesn't sound like the BCM to me. If you can get your hands on a live data scanner, see if there is an RPM signal when cranking the vehicle.

Let me know.

Joe
Aug 25, 2019 at 7:33 PM
Avatar
MARK COCHRAN
  • MEMBER
  • 16 POSTS
I have the no spark problem located to the fuse block under the hood. a good whacking gets it going until I can locate a replacement.

so my problem is the fuel gauge. I did troubleshooter according to a forum I found. testing power at the pins for the circuit before and after the BCM.. the voltage is correct and the self check sweeps the gauges and gives a all pass. what would you check next? how can I determine if the wiring from the BCM to the gauge is good? I have taken the instrument cluster out twice and re-solder the connections. the back of the fuel gauge has 4 pins.. can I apply voltage to the gauge to confirm the gauge its self is working? on the ribbon that plugs into the back of the instrument cluster, which wire is the feed to the fuel gauge? at a blank on what's happening with the gauge. all other gauges work and the low fuel light is on all the time. if I need to I will re-check the fuel tank/sending unit, but even when I replaced the pump, the gauge still didn't work and the fuel pump wasn't the problem with it stalling out it was/is the fuse block in engine compartment.

Any ideas would be great!
Aug 26, 2019 at 12:38 AM
Avatar
JACOBANDNICKOLAS
  • CERTIFIED EXPERT
  • 110,175 POSTS
Welcome back:

If the fuel light comes on, I have to assume the BCM is working. I have attached 3 pictures below that show a flow chart for testing the gauge. Try going through it. Since it sweeps, it should be okay.

If there is something there you can't read, let me know.

Joe
Aug 26, 2019 at 5:34 PM
Avatar
MARK COCHRAN
  • MEMBER
  • 16 POSTS
can I apply power to the gauge with a dimmer switch to see if gauge is okay. starting to think it is the problem since the low fuel light stays lit. also, do you know which wires feed the cluster for the gauge?
Aug 27, 2019 at 2:44 PM
Avatar
JACOBANDNICKOLAS
  • CERTIFIED EXPERT
  • 110,175 POSTS
When you put it in self test mode, does the gauge sweep? If it does, it should be fine. However, I'm starting to feel the same as you. As far as applying power, looking at the schematic is extremely vague. I can tell you that the sender goes to the BCM via a dark blue wire. It doesn't show the signal out from the BCM. If you look at the cluster specifically, again, extremely vague.

See pictures 1 and 2.
Aug 27, 2019 at 7:45 PM
Avatar
MARK COCHRAN
  • MEMBER
  • 16 POSTS
thanks for telling me that, because I have studied that same diagram repeatedly! I always have stranger than normal issues, lol ! I searched for a cluster and not one to be found locally, and looking like a hundred dollar bill for another used one online, which i'm not sure will get it fixed. I bought the cam and crank sensors and a PCM only to find that wasn't the problem, I think it was the ASD rely, put in a new one so far has worked. do you think just the gauge itself could be gotten from a dealer? or is the cluster a whole unit always?

There are 7 wires going into the cluster:
pink m1
org e1
blk/lt gr z2
wht/blk o2
vio/br o1
red/wht f11
blk z1

any guess as to which feeds the gauge? I am going to remove the cluster yet again and see which has voltage. shouldn't the gauge feed be variable voltage according to fuel level? would that also confirm the system is working correctly up to the cluster?
Aug 28, 2019 at 1:23 AM
Avatar
MARK COCHRAN
  • MEMBER
  • 16 POSTS
doing more research...
Aug 28, 2019 at 12:38 PM
Avatar
MARK COCHRAN
  • MEMBER
  • 16 POSTS
looks like pins 9 and 10 feed gauge? should those read 2.5 volts? or variable? on BCM, what should pin 42 read? are there fuses here that might be the problem? or is it just the gauge needs replacement?
Aug 28, 2019 at 12:42 PM
Avatar
JACOBANDNICKOLAS
  • CERTIFIED EXPERT
  • 110,175 POSTS
Welcome back:

The pins to the gauge will vary. As far as the one from the BCM, that will be low voltage. At this point, what I suggest is to check for continuity between the BCM and the sending unit. You may have an open circuit the two

Let me know.

Joe.
Aug 28, 2019 at 5:03 PM
Avatar
MARK COCHRAN
  • MEMBER
  • 16 POSTS
so that is pin 42 on the BCM?
Aug 29, 2019 at 1:24 AM
Avatar
JACOBANDNICKOLAS
  • CERTIFIED EXPERT
  • 110,175 POSTS
Welcome back:

I attached a picture of the pin in question. It shows pin 46. See the attached picture.

Let me know if that helps.

Joe
Aug 29, 2019 at 6:56 PM
Avatar
MARK COCHRAN
  • MEMBER
  • 16 POSTS
I will check that tomorrow. i took the cluster out and switch the fuel and temperature gauge thinking it might be the gauge its self, nope fuel gauge worked in the temp spot and temperature gauge didn't work in the fuel gauge spot! i ordered another cluster! waiting on it to get here. while i had it apart, i checked the voltage reading at the cluster (red) plug. pink wire #2 pin 12.30 volts, orange wire #6 pin 11.34 volts, white/black wire #9 pin 2.47 volt, vt/br wire #10 pin 2.50 volt, rd/wt wire # 11 pin 11.50 volt. i have no idea what that means...lol...other than pin 9 and 10 feed fuel gauge and come from pin 3 and 34 in BCM...which also read 2.5 volts. i checked voltage at the 4 connectors on the gauge its self and got these readings ...upper left 1 volt, lower left 11.44 volts, upper right 7.82 volts and lower right 5.75 volts...again not sure what those should be?
Aug 29, 2019 at 7:12 PM
Avatar
MARK COCHRAN
  • MEMBER
  • 16 POSTS
diagram i have for the cluster says #2 pin fused B+, #6 pin panel lamps driver, #9 pin CCD BUS -, #10 pin CCD BUS +, #11 pin fused ignition switch output... almost ready to order BCM and drop tank back down to check float.. will check BCM pin 46 first and get back with you on that. more gray hairs!
Aug 29, 2019 at 7:18 PM
Avatar
JACOBANDNICKOLAS
  • CERTIFIED EXPERT
  • 110,175 POSTS
Welcome back:

At least you have hair to turn gray. LOL I've done this long enough that, well, not too much left.

Take care,
Joe
Aug 29, 2019 at 8:11 PM
Avatar
MARK COCHRAN
  • MEMBER
  • 16 POSTS
At wits end. I applied 2.5 volts directly to the cluster. .pins 9 and 10. positive and negative and the gauge didn't move. so I thought if it is bad can't hurt to apply same voltage directly to the gauge. jogging between the four pins on back of gauge.. still nothing? I have ordered a used one that is warranted to work and for 6 months, .but still unsure of what is wrong. Help!
Sep 1, 2019 at 3:15 AM
Avatar
JACOBANDNICKOLAS
  • CERTIFIED EXPERT
  • 110,175 POSTS
Welcome back:

If you applied power and it didn't respond, it does sound like it is bad. I would be trying the same thing you are doing to see if it is the cluster.

Let me know if it fixes the issue.

Joe
Sep 1, 2019 at 5:49 PM