Fuel gauge and temperature gauge not working properly

1996 CHEVROLET S-10
180,000 MILES • 2.2L • 4 CYL • 2WD • MANUAL
Avatar
SHAWNLAMB84
  • MEMBER
  • 1 POST
My fuel gauge is reading a quarter of a tank when I know it is full and the temperature gauge is reading 110. I have replaced the cluster and the sending unit. I could really use some good advice.
Nov 17, 2018 at 4:14 PM
Advertisement
Avatar
STRAILER
  • CERTIFIED EXPERT
  • 53,855 POSTS
Hello,

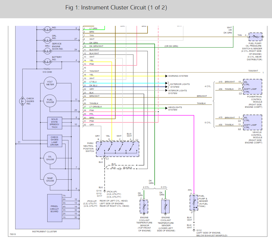
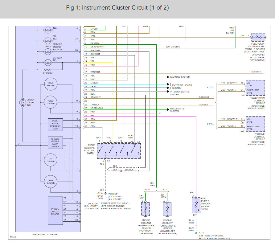
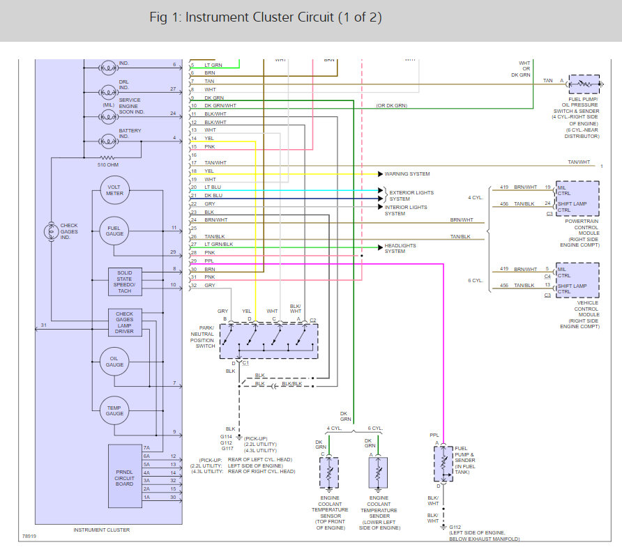
It sounds like one of the cluster grounds has a bad connection. Here is a guide and the instrument cluster wiring diagrams so you can see what wires to test:

https://www.2carpros.com/articles/how-to-check-wiring

Check out the diagrams (below). Please let us know what you find. We are interested to see what it is.

Cheers, Ken
Nov 19, 2018 at 1:35 PM