Good afternoon,
The fuel filter is part of the fuel pump module itself. It is not like the older vehicles that have external filters.
https://www.2carpros.com/articles/how-to-change-a-fuel-filter
I attached pictures of the module for you below.
Roy
REMOVAL
imageOpen In New TabZoom/Print
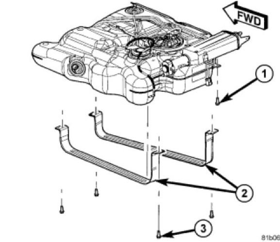
1. Remove fuel tank,See: Fuel Tank > Removal and Replacement > Fuel Tank - Removal.
imageOpen In New TabZoom/Print
2. Disconnect electrical connector (1) from fuel pump module (3).
3. Disconnect fuel line (2) quick connect from fuel pump module (3).
CAUTION: Clean the area around fuel pump module prior to removal. Make sure this area is free of dirt. Failure to clean fuel pump area prior to removal may cause dirt to get into the fuel system causing damage to the fuel system and/or engine.
4. Clean the area around fuel pump module with suitable cleaner and dry with low pressure filtered compressed air.
imageOpen In New TabZoom/Print
5. Install fuel pump module lock ring tool 9340 (1) and turn counter-clockwise to remove the fuel pump module lock ring (2).
6. Remove the fuel pump module as an assembly from the fuel tank.
Images (Click to enlarge)
Jan 19, 2021 at 11:43 AM