Engine low power

1999 BUICK PARK AVENUE
178,371 MILES • 3.8L • V6 • TURBO
Avatar
MAUDE HUFF
  • MEMBER
  • 1 POST
Car sputters and stops running when gas pedal is pressed. Can hear fuel moving around when driving.
Jun 27, 2017 at 5:57 PM
Advertisement
Avatar
STRAILER
  • CERTIFIED EXPERT
  • 53,855 POSTS
Hello,

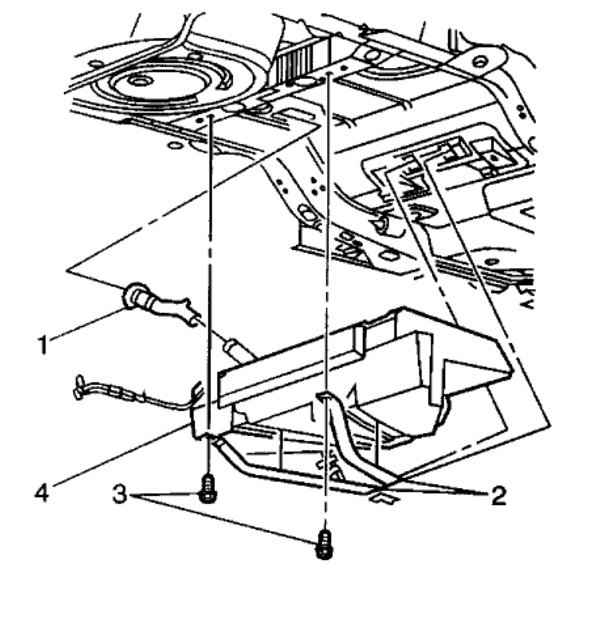
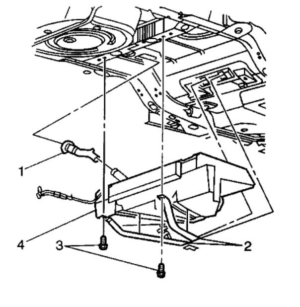
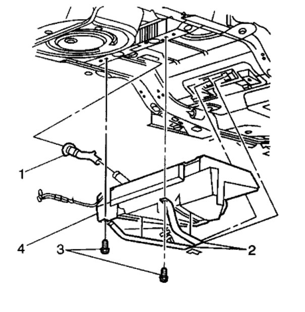
It sounds like you have a fuel pump that is going out. Here is a test you can do to confirm.

https://www.2carpros.com/articles/how-to-check-fuel-system-pressure-and-regulator

and can rent a fuel gauge from the auto parts store for free if you don't have one.

https://www.2carpros.com/articles/how-to-replace-an-electric-fuel-pump

Please run this test and get back to us we are interested to see what it is.

Here is what its like to change the pump on your car (below)

Cheers, Ken
Jun 30, 2017 at 11:56 AM
Avatar
TKAR708
  • MEMBER
  • 3 POSTS
I fixed a misfire in the car and had no codes. On my way to work during a snowstorm the car when it shifted started losing power and throwing a misfire code a long shift code a ebtcm internal fault code and battery low voltage code all came on at the same time.
The miss isn't constant its intermittent.
The codes are:
B1327
C1255
P0300
P1811
Dec 9, 2020 at 3:31 PM (Merged)
Advertisement
Avatar
STEVE W.
  • CERTIFIED EXPERT
  • 15,113 POSTS
I would check the battery cables and ground cables from engine to chassis and body at both ends for loose or corroded connections. All of the other systems rely on stable voltage to read the sensors and power the various modules. If the battery or alternator suddenly start dropping out it can cause a lot of odd issues and codes. Have seen it more than once with a bad cable or battery.

Dec 9, 2020 at 3:31 PM (Merged)
Avatar
TKAR708
  • MEMBER
  • 3 POSTS
That could cause a misfire and have the car do all the other weird things and throw the codes?
Dec 9, 2020 at 3:31 PM (Merged)
Avatar
STEVE W.
  • CERTIFIED EXPERT
  • 15,113 POSTS
Yes, it could as all of the systems need a stable and correct battery voltage to work properly. A lower voltage can cause the crankshaft and camshaft sensors to react in strange ways, the fuel pump can act up due to low voltage as well. The ABS reads signals from the wheel speed sensors and depends on having the proper voltages as well.
Voltage drop from a bad connection or corrosion can cause a lot of issues.
Dec 9, 2020 at 3:31 PM (Merged)
Avatar
TKAR708
  • MEMBER
  • 3 POSTS
Okay, thank you very much!
Dec 9, 2020 at 3:31 PM (Merged)
Avatar
STEVE W.
  • CERTIFIED EXPERT
  • 15,113 POSTS
It's also an easier first step when it has a bunch of codes with one being low battery. As it started during a snowstorm it could easily be moisture intrusion into a connection as well. But checking the common issues first is a start.
Dec 9, 2020 at 3:31 PM (Merged)
Avatar
2CP-ARCHIVES
  • MEMBER
  • 4,540 POSTS
the engine stalls, idles irradically, loses power in first gear, what causes this
Dec 9, 2020 at 3:31 PM (Merged)
Avatar
RASMATAZ
  • CERTIFIED EXPERT
  • 75,992 POSTS
Do you have a check engine light and when was the last tune-up? Also what liter engine?

Go to these links and review it then let me know:

https://www.2carpros.com/articles/engine-stalls

and

https://www.2carpros.com/articles/engine-misfires-or-runs-rough
Dec 9, 2020 at 3:31 PM (Merged)
Avatar
SHANI69
  • MEMBER
  • 3 POSTS
Throttle position sensor. It tells the fuel system how much fuel to push through the engine. When it goes bad, it just runs like crap. Replace it, and it fixes a lot.
Dec 9, 2020 at 3:31 PM (Merged)
Avatar
WESBROOK KENNY
  • MEMBER
  • 1 POST
Idles rough an when I step on accelerator it rpm's drop below 600. I've replaced ICM, coil packs, plugs an plug wires, camshaft position sensor. It will randomly run okay.
Dec 9, 2020 at 3:31 PM (Merged)
Avatar
STRAILER
  • CERTIFIED EXPERT
  • 53,855 POSTS
Hello,

It sounds like you may have a broken valve spring or a dirty throttle body. Can you please shoot a quick video with your phone so we can see what's going on? that would be great. You can upload it here with your response. This guides can help:

https://www.2carpros.com/articles/throttle-actuator-service

and

https://www.2carpros.com/articles/engine-misfires-or-runs-rough

Please run down these guides and report back.
Dec 9, 2020 at 3:31 PM (Merged)
Avatar
DIANA COOL
  • MEMBER
  • 1 POST
Runs good on flat ground, but on a hill has no power, misses and has a whining sound.
Dec 9, 2020 at 3:32 PM (Merged)
Avatar
ASEMASTER6371
  • CERTIFIED EXPERT
  • 52,796 POSTS
Good morning,

Sounds like you have a clogged exhaust from a clogged catalytic converter.

https://www.2carpros.com/articles/how-to-test-a-catalytic-converter

I would have a back pressure test done to confirm.

https://www.2carpros.com/articles/engine-has-low-power-output

Installed in the exhaust pipe between the exhaust manifold and muffler, under the vehicle.

Roy
Dec 9, 2020 at 3:32 PM (Merged)
Avatar
2CP-ARCHIVES
  • MEMBER
  • 4,540 POSTS
1992 Buick Park Ave ultra 3.8l super charged mileage: 143,000. Easy highway miles, car drives like new except: Only when engine fully warm, at highway speeds, motor bogs down when I step on the gas. Instead of a downshift and power surge, the tachometer indicates slower rpm, and the engine decelerates the car. If I keep my foot on the gas, I hear a clanking from the engine. The only way to resume acceleration (or just maintain speed) is to let off the gas and or downshift manually. Just put in new plugs, fuel filter, air filter (all were in bad shape). But problem persists. When problem is really bad, it will even happen if I rev the engine in neutral (while rolling down the highway at 60 mph). No mechanics can identify the problem (supercharger?), and this car is too good to let go of. Please help. Thanks.
Dec 9, 2020 at 3:32 PM (Merged)
Avatar
2CP-ARCHIVES
  • MEMBER
  • 4,540 POSTS
Check the catalytic converter to make sure it is not “plugged” or restricted. Your car is equipped with a computer controlled engine management system. An independent auto service center can scan your computer for fault or error codes. The information should pinpoint the mal functioning components.
Dec 9, 2020 at 3:32 PM (Merged)
Avatar
JOHN KEFALAS
  • MEMBER
  • 1 POST
Engine Performance problem
1991 Buick Park Avenue 6 cyl Automatic
----------------------------------------------------------------
Driving normal on a three lane street when all of a sudden the car began to accelerate, without my doing it. It got so bad I almost burned out my brakes trying to stop before running into back of another car. I pulled into a station, stopped the car, lifted the hood, moved the accelerator link a few times, got back in the car and had no problem since. What could have happened, could it happen again?
Dec 9, 2020 at 3:32 PM (Merged)
Avatar
LEGITIMATE007
  • CERTIFIED EXPERT
  • 5,121 POSTS
you have to check/replace throttle position sensor. but first you must clean your throttle plate and linkage, it could be sticking. the throttle position sensor is last resort.your throttle plate and linkage just may be sticking
Dec 9, 2020 at 3:32 PM (Merged)
Avatar
ASHELY
  • MEMBER
  • 1 POST
After changing the coil, the battery, and the alternator my car does a little better, but it still has this problem of random stalling, slow acceleration no matter how hard I push the gas, and loss of engine power. And it idles high with putting until it finally shuts off.
Dec 9, 2020 at 3:32 PM (Merged)
Avatar
ASEMASTER6371
  • CERTIFIED EXPERT
  • 52,796 POSTS
Good morning.

The first thing I would do is check the fuel pressure to be sure sufficient pressure is delivered to the injectors. you can rent a tester at a parts store to verify.

The other thing is a clogged catalytic converter. it would restrict the exhaust flow and you would experience low power and erratic running.

Roy
Dec 9, 2020 at 3:32 PM (Merged)
Avatar
RENEE L
  • CERTIFIED EXPERT
  • 1,260 POSTS
Hello ASHELY,

Thank you for visiting 2CarPros. Here is a helpful link to an article from this site with step by step instructions and pictures explaining the process of checking the fuel system pressure, regulator and fuel pump in less than fifteen minutes:

https://www.2carpros.com/articles/how-to-check-fuel-system-pressure-and-regulator

If you need further assistance please come back to the site we are always happy to help.

Kindest regards,

Renee
Admin
Dec 9, 2020 at 3:32 PM (Merged)
Avatar
HILLAROSE
  • MEMBER
  • 1 POST
A few weeks ago my car started vibrating when I get to about 50 and try to accelerate. The other morning I left for school and about a mile down the road it quit accelerating. I had to push the pedal to the floor to get it to 30mph. I assumed it was the cat. converter. I had my boyfriend cut it off and put on a flex pipe (no emissions testing here). I've already replaced the air shaft sensor, coil pack and ignition module along with the alternator, steering pump, water pump, spark plug wires. I dont have the cash to just take it in. I'd rather just start with the easy obvious things. Any ideas?
Dec 9, 2020 at 3:32 PM (Merged)
Avatar
JACOBANDNICKOLAS
  • CERTIFIED EXPERT
  • 110,175 POSTS
I would start with checking fuel pump pressure. There are directions on our home page under the DIY section. Next, if the check engine light is on, have the computer scanned to identify trouble codes. Most parts stores will do it for free. It could deal with a bad throttle position sensor or major vacuum leak too so keep that in the back of your mind.
Dec 9, 2020 at 3:32 PM (Merged)
Avatar
ROBERT CHOW
  • MEMBER
  • 3 POSTS
I had exact same problem with the 1998 buick park avenue that has 86k when i bought used; after drove for 5,000 miles, it accelerate short distance than stop but engine still maintain same rpm. i checked tranny fluid, was ok. i drove it the next morning but the car doing the same thing. after cool down for 15 minutes i made it to the auto repair shop. it was a major shock it to my wallet; rebuilt tranny set me back $2,500. Buick is known for tranny going south once reachs over 75K to 100k miles. the previous owner must have known this problem.
Dec 9, 2020 at 3:32 PM (Merged)