Fuel filter location

2001 INFINITI I30
16,000 MILES
Avatar
TRACY DEMPSEY
  • MEMBER
  • 1 POST
Where is the fuel filter located on the car listed above?
Apr 12, 2019 at 6:25 PM
Advertisement
Avatar
SCGRANTURISMO
  • CERTIFIED EXPERT
  • 4,897 POSTS
Hello,

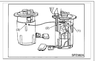
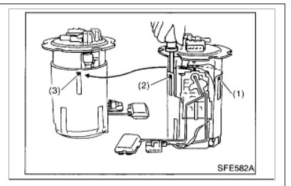
It is located in the fuel tank as part of the fuel hanger assembly. I have included an exploded diagram of the fuel pump and hanger assembly in the diagrams down below.

Here is a guide to help walk you through

https://www.2carpros.com/articles/how-to-change-a-fuel-filter

If you have any other vehicle related questions, please, feel free to ask them. That is what we are here for.

Thanks,
Alex
2CarPros
Apr 12, 2019 at 8:47 PM
Avatar
KENNETH FUNAKOSHI
  • MEMBER
  • 1 POST
please tell me the location of the fuel filter?
Sep 23, 2019 at 7:17 PM (Merged)
Advertisement
Avatar
STRAILER
  • CERTIFIED EXPERT
  • 53,854 POSTS
Hello,

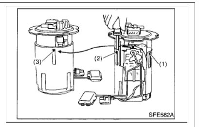
The fuel filter for this car is located int he tank and is considered a lifetime filter but I have seen them plug up. There is a hatch so you don't need to drop the tank. Here are diagrams below on how tot do the job.

Check out the diagrams (Below)

Please let us know if you need anything else to get the problem fixed.

Cheers, Ken
Sep 23, 2019 at 7:17 PM (Merged)
Avatar
SHANI1970
  • MEMBER
  • 2 POSTS
I have a 2000 I30 infiniti and when my car sits for a few hours it cranks fine but goes dead after a few seconds like its losing fuel and i have to crank it about 6 times before i can drive it. could I need a new fuel pump or filter? And if so,where is it located?
Sep 23, 2019 at 7:17 PM (Merged)
Avatar
RASMATAZ
  • CERTIFIED EXPERT
  • 75,992 POSTS
Hi shani1970 and welcome to 2carpros

The fuel pump is in the fuel tank

Check the fuel pressure with a fuel pressure gauge to confirm its within specification and comeback with the readings this is where we start. Also might want to test the coolant temperature sensor/ignition switch
Sep 23, 2019 at 7:17 PM (Merged)
Avatar
SHANI1970
  • MEMBER
  • 2 POSTS
The problem on my Infiniti was the mass airflow sensor, we had it replaced and my car is running great now! Thanks for the help!
Sep 23, 2019 at 7:17 PM (Merged)
Avatar
JESSICA.PAITSEL
  • MEMBER
  • 5 POSTS
[quote:ac2b7659bb="rasmataz"]Hi shani1970 and welcome to 2carpros

The fuel pump is in the fuel tank

Check the fuel pressure with a fuel pressure gauge to confirm its within specification and comeback with the readings this is where we start. Also might want to test the coolant temperature sensor/ignition switch[/quote:ac2b7659bb]

I have an I30 in my shop and im getting two TC
P0171 bank 1 system too lean
P0174 bank 2 system too lean
it dies right after i start it. The long term FT 3.1and short term FTis at 25.0
WHERE DO I START????
Sep 23, 2019 at 7:17 PM (Merged)
Avatar
RASMATAZ
  • CERTIFIED EXPERT
  • 75,992 POSTS
A lean fuel condition can be caused by:

* Low fuel pressure due to a weak pump or leaky fuel pressure regulator. (use a fuel pressure gauge to check fuel pressure at idle)

* Dirty fuel injectors. (try cleaning the injectors)

* Vacuum leaks at the intake manifold, vacuum hose connections or throttle body. (Use a vacuum gauge to check for low intake vacuum)

* Leaky EGR valve. (Check operation of EGR valve)

* Leaky PCV Valve or hose. (Check valve and hose connections)

* Dirty or defective Mass Airflow Sensor (MAF). (Try cleaning the MAF sensor wires or filament with aerosol electronics cleaner. Do NOT use anything else to clean the sensor, and do not touch the sensor wires)
Sep 23, 2019 at 7:17 PM (Merged)
Avatar
JESSICA.PAITSEL
  • MEMBER
  • 5 POSTS
Thanks

It was the MAF.
Sep 23, 2019 at 7:17 PM (Merged)