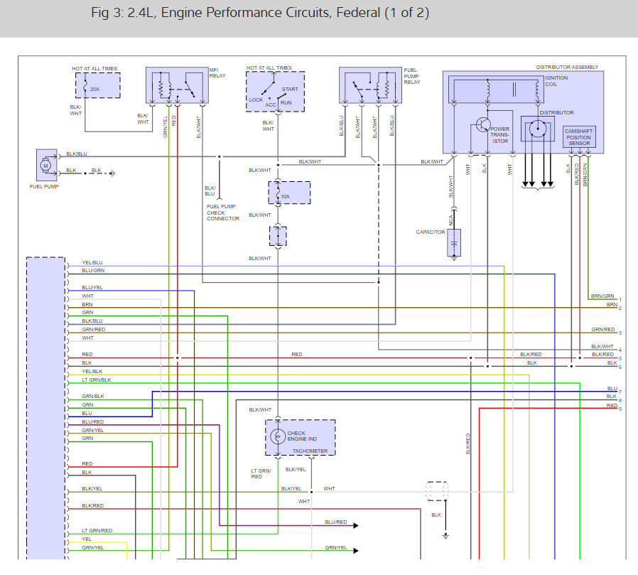
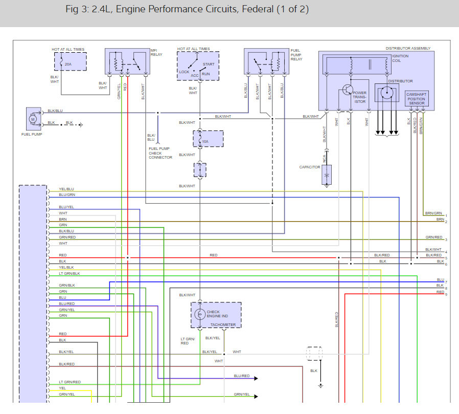
Wife's car stopped running. The mechanic replaced the fuel pump and said the fuel consumption module was not working. PN MR161489. After looking all over I cannot find the part for sale. I did find a thread that said Diamante module might be compatible there are several of those to be had.
Aug 15, 2018 at 8:45 PM



