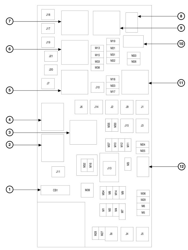
Checked the fuse that shows under the hood in the fuse panel and it is fine. Looked up online and O'riely’s auto parts called for a wiper motor relay part #RY438. Bought it, brought it home and spent an entire evening looking for where it goes. It is a five prong relay and all the relays in the fuse/relay panel are 4 prong. My question is, if a parts store has a part for your vehicle there should be a place for it on the vehicle correct? If there is no wiper relay on a Jeep Wrangler Sport, what else could it be for the front wipers not to work?They just quit over night.
Feb 10, 2020 at 10:07 PM















