Front Wipers are not working?

2004 GMC ENVOY
225,000 MILES • 4.2L • 6 CYL • 2WD • AUTOMATIC
Avatar
SWEETIE1965
  • MEMBER
  • 180 POSTS
I have changed my front wiper motor two times in about 6 months because they stop working when I need them to work. I have checked fuses they are good. I can't find a relay for them. I have read the computer board inside of the motor can go bad. I can't purchase just the computer board. Wiring looks to be okay. I need to repair this as soon as possible because of a lot of rain will be headed our way in a few days. So please guide me in the right direction. Thank you for your time.
Apr 23, 2025 at 11:34 AM
Advertisement
Avatar
STEVE W.
  • CERTIFIED EXPERT
  • 15,113 POSTS
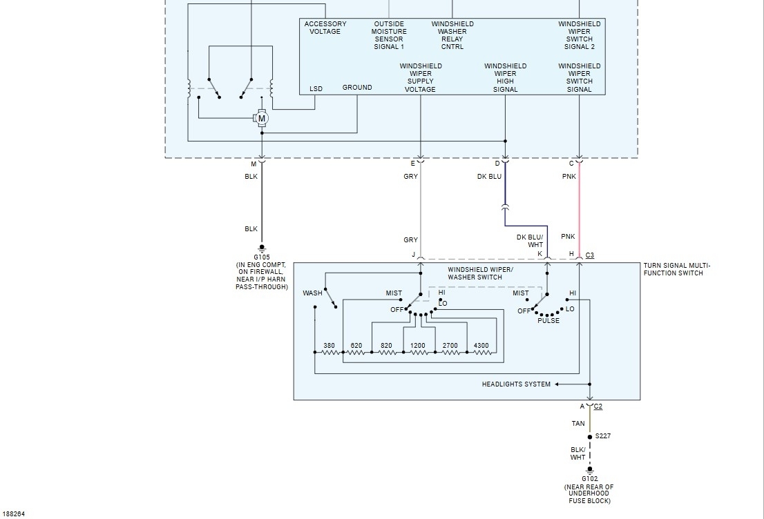
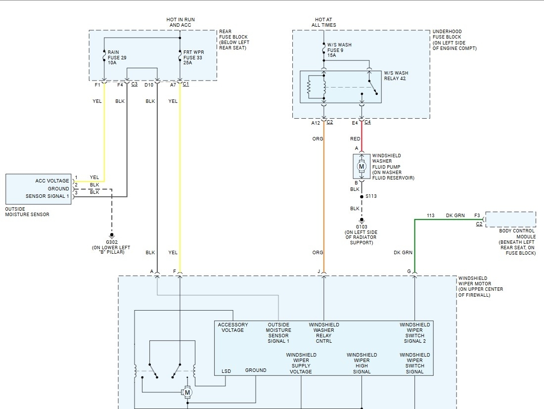
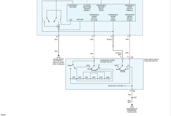
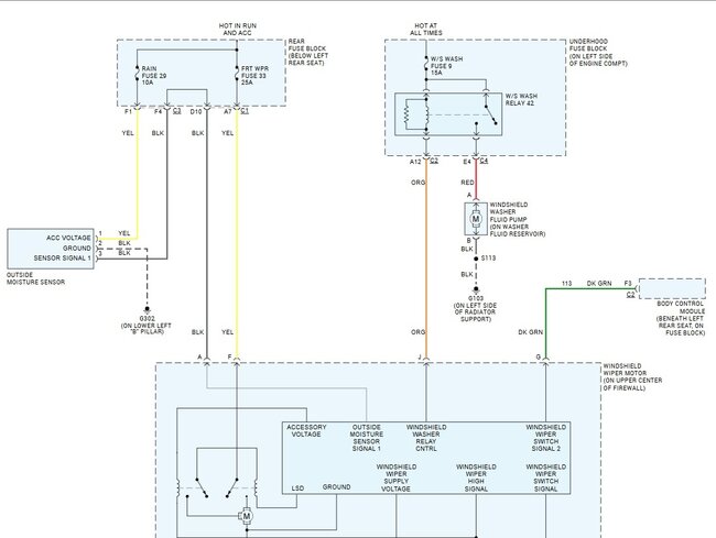
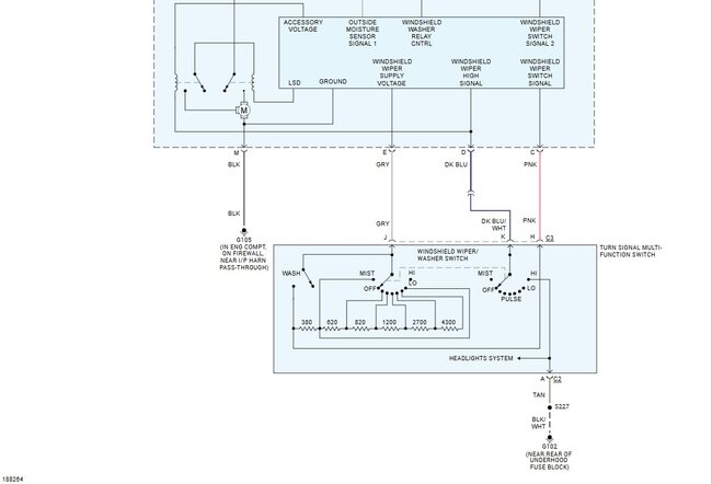
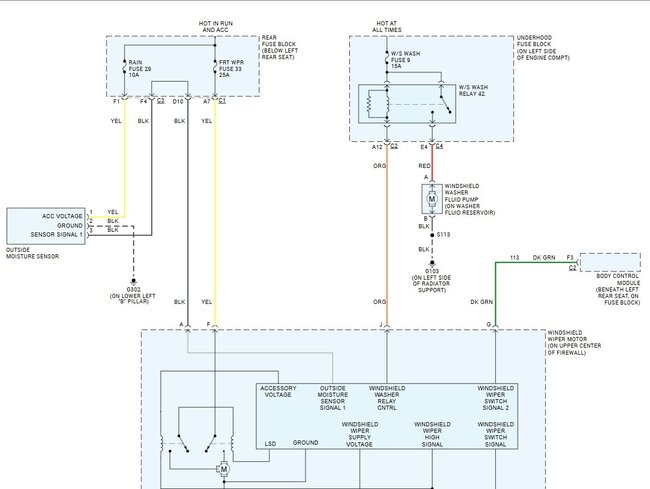
Okay, if replacing the motor works for a bit and then it stops the likely issue is a bad connection or connector itself. They are known to develop a bad ground because the ground connector corrodes where it attaches to the body near the bulkhead connector.
That is the black wire that is in the connector on the wiper motor. If it has a problem now you can test the ground simply by jumping that terminal to battery negative. Attached is the wiring diagram. The other problem area is the pins in the connector heating up and not connecting very well. Those can be tightened up by squeezing the female side barrel.
Apr 23, 2025 at 9:52 PM