Hello,
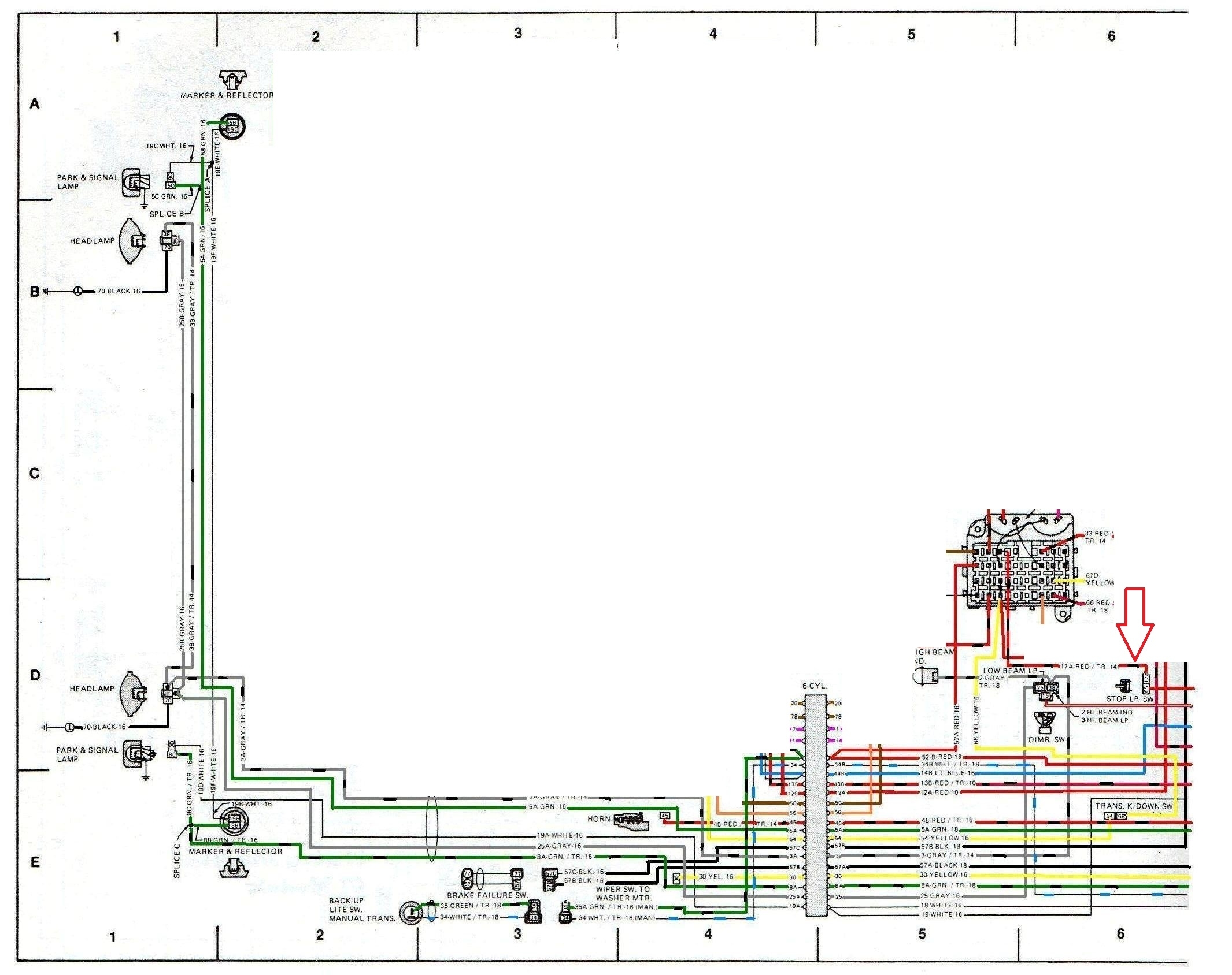
Hope anyone can read this request and help me out with my frustrating problem. I´m a proud owner of the vehicle listed above. I´m currently experiencing problems with front turning lights. They just do not work at all (turn on or blink). Rear ones do work. Stoplights work, parking lights work, reverse lights work. Hazard do not work (flasher don´t even make noise). I even noticed that when applying the brake with hazard lights switch on, fuse is blown. I have set good grounds on front grille, validated bulbs are okay, changed flasher, validated 12V is available on both ends of fuse, cleaned sockets and fuse box. When turn signal is on, voltmeter on dash dances around. Any help that anyone can provide will be very appreciated. After reading several posts, it would be ideal to receive help from "CJ MEDEVAC"
Thanks
Desperate CJ owner.
Hope anyone can read this request and help me out with my frustrating problem. I´m a proud owner of the vehicle listed above. I´m currently experiencing problems with front turning lights. They just do not work at all (turn on or blink). Rear ones do work. Stoplights work, parking lights work, reverse lights work. Hazard do not work (flasher don´t even make noise). I even noticed that when applying the brake with hazard lights switch on, fuse is blown. I have set good grounds on front grille, validated bulbs are okay, changed flasher, validated 12V is available on both ends of fuse, cleaned sockets and fuse box. When turn signal is on, voltmeter on dash dances around. Any help that anyone can provide will be very appreciated. After reading several posts, it would be ideal to receive help from "CJ MEDEVAC"
Thanks
Desperate CJ owner.
Apr 9, 2020 at 7:47 PM



































