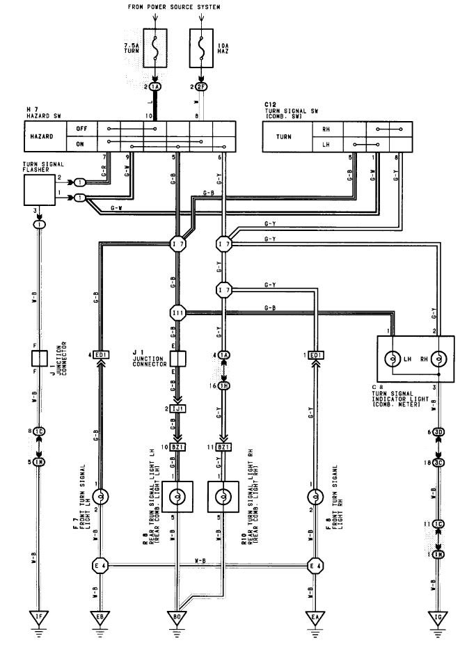
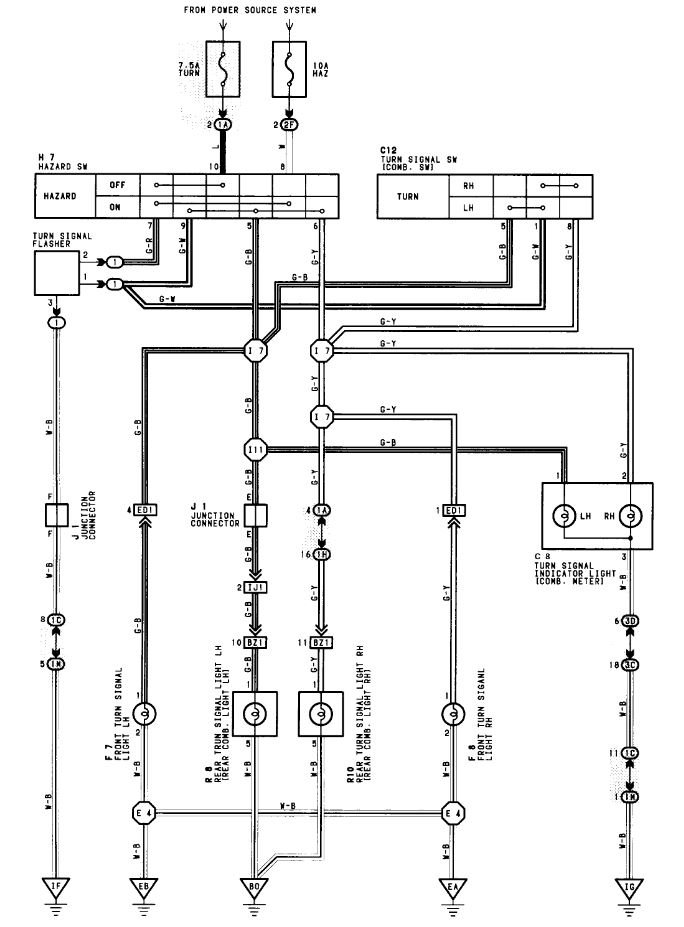
Front signal lights come on, but will not flash. rear signal lights flash as well as hazard. Instrument panel indicates flashing at high speed.I might add car was in minor accident and replaced passenger side signal-parking unit.
May 18, 2019 at 4:16 PM
