Welcome to 2CarPros.
Here are the directions for removal of front drive axles. It's more than the typical design. The attached pictures correlate with the directions.
___________________________________
Front
Vehicle Transmission and Drivetrain Drive Axles, Bearings and Joints Axle Shaft Assembly Service and Repair Procedures Front
FRONT
pic 1
DISASSEMBLY
- Jack up the vehicle and support it using jack stands.
- Remove the tire, and wheel.
- Remove the drain bolt to drain differential oil.
NOTE:
pic 2
^ During the work, be sure that the differential case is supported by the jack.
^ Remove the brake caliper fixing bolt and hang the caliper.
^ Remove the antilock brake system speed sensor. (If equipped with antilock brake system).
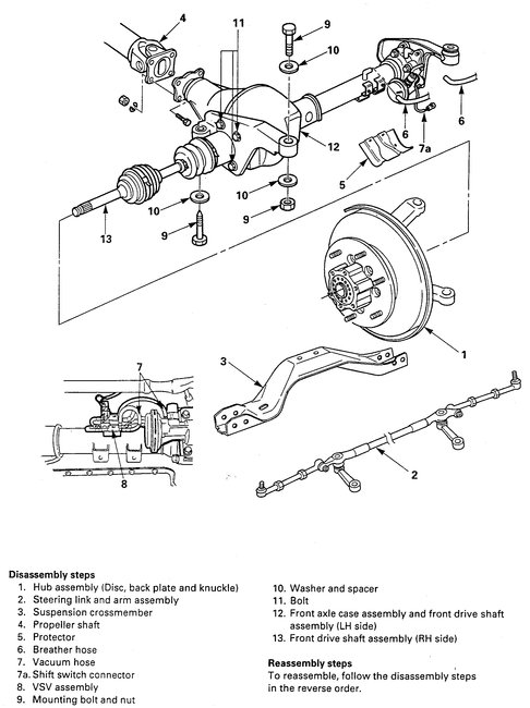
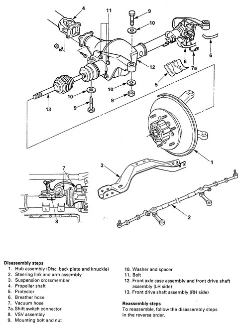
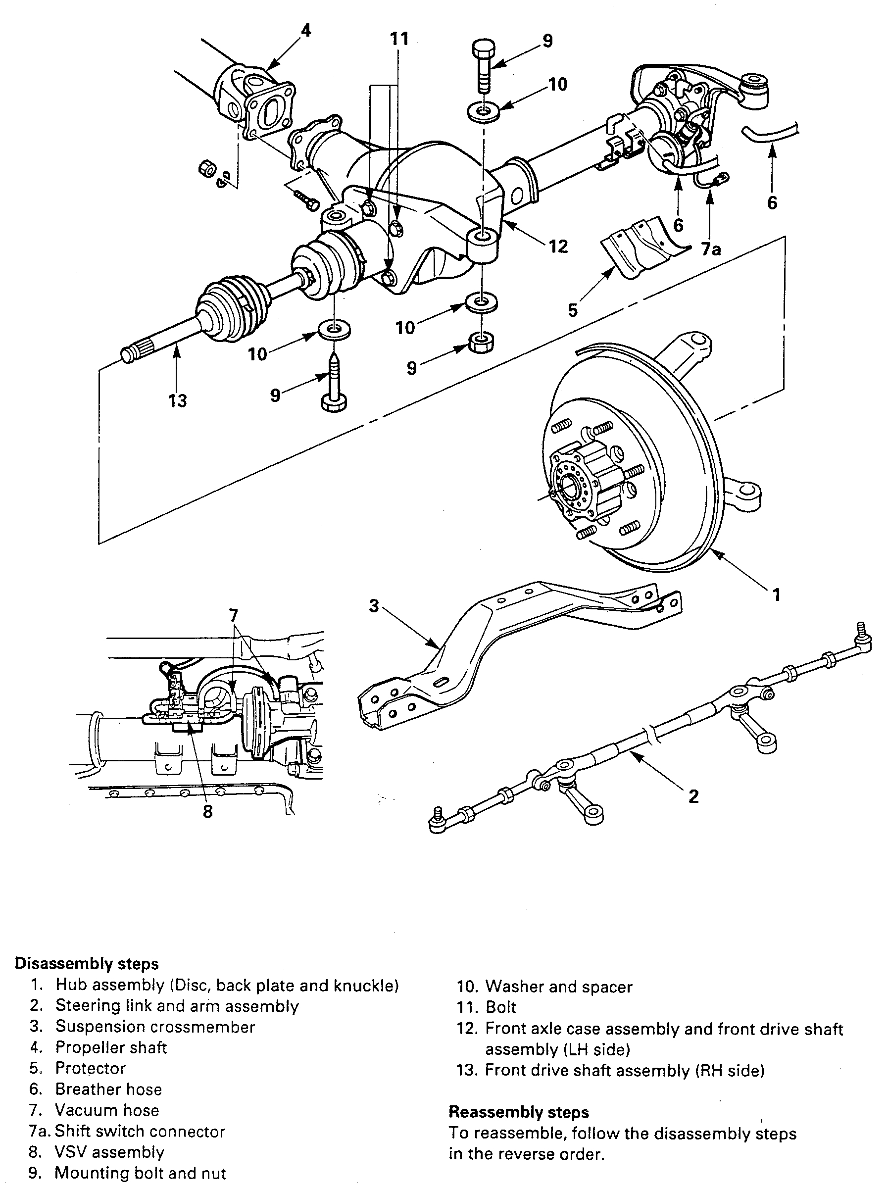
1. Hub assembly (Disc, back plate and knuckle)
- Remove the locking hub.
- Disconnect the knuckle and the suspension arm.
2. Steering link and arm assembly.
3. Suspension crossmember
4. Propeller shaft
5. Protector
6. Breather hose
- Remove the hose clip.
- Disconnect breather hose from front drive axle tube and disconnect housing.
7. Vacuum hose, as follows:
a. Disconnect vacuum hose from actuator.
pic 3
b. Shift switch connector.
- Disconnect shift switch connector.
8. Vacuum Switch Valve (VSV) assembly.
NOTE: Be sure not to remove hose and connector from VSV assembly.
pic 4
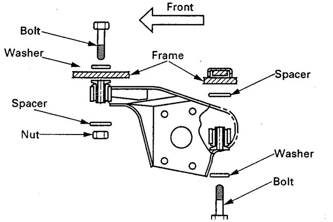
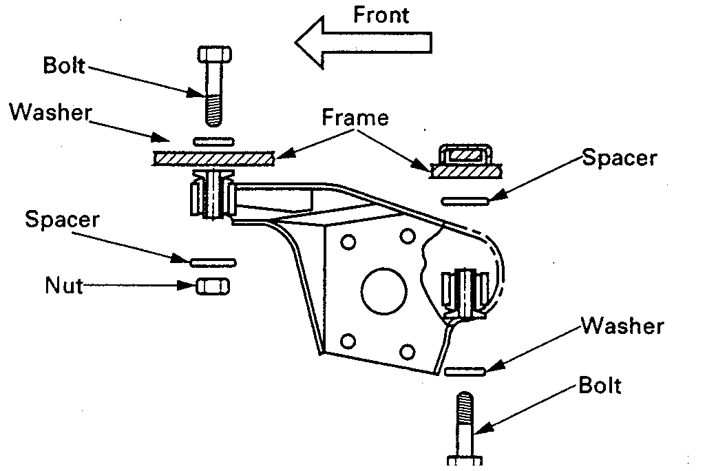
9. Mounting bolt and nut.
10. Washer and spacer.
pic 5
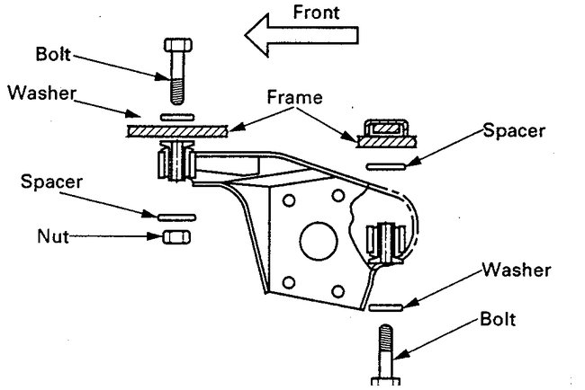
11. Bolt
- Remove the mounting bracket fixing bolt.
pic 6
12. Front axle case assembly and front drive shaft assembly Left Hand (LH side). Lower the vehicle and disconnect the Right Hand (RH) front drive shaft assembly, and then remove the front axle case assembly and front drive shaft assembly (LH).
13. Front drive shaft assembly (RH).
ASSEMBLY
1. Front drive shaft assembly Right Hand (RH) (13)
- Lay the assembly on the lower arm.
2. Front axle case assembly and front drive shaft assembly Left Hand (LH) (12).
- Place the axle case on the jack, connect to the front drive shaft assembly (RH) before installing to the vehicle.
3. Bolt (11)
- Tighten the mounting bracket fixing bolt to the specified torque.
Torque: 116 Nm (85 ft. lbs.).
pic 7
4. Washer and spacer (10)
5. Mounting bolt and nut (9)
- Tighten the mounting bolt and nut to the specified torque.
Torque: 152 Nm (112 ft. lbs.).
6. Vacuum Switch Valve (VSV) assembly (8)
- Tighten nuts to specified torque.
Torque: 8 Nm (69 inch lbs.).
7. Shift switch connector, as follows:
a. Install the shift switch connector.
NOTE: Be careful not to permit the entry of dust into the connector.
b. Vacuum hose. Install the actuator side of hose.
NOTE: Be careful not to permit the entry of dust into the hose.
8. Breather hose (6)
- Install the hose clip.
9. Protector (5)
- Tighten bolts to specified torque.
Torque: 26 Nm (20 ft. lbs.).
10. Propeller shaft (4)
11. Suspension crossmember (3)
12. Steering link and arm assembly (2)
13. Hub assembly (Disc, back plate and knuckle) (1).
____________________________-
Let me know if this helps.
Joe
Images (Click to enlarge)
May 6, 2019 at 6:46 PM