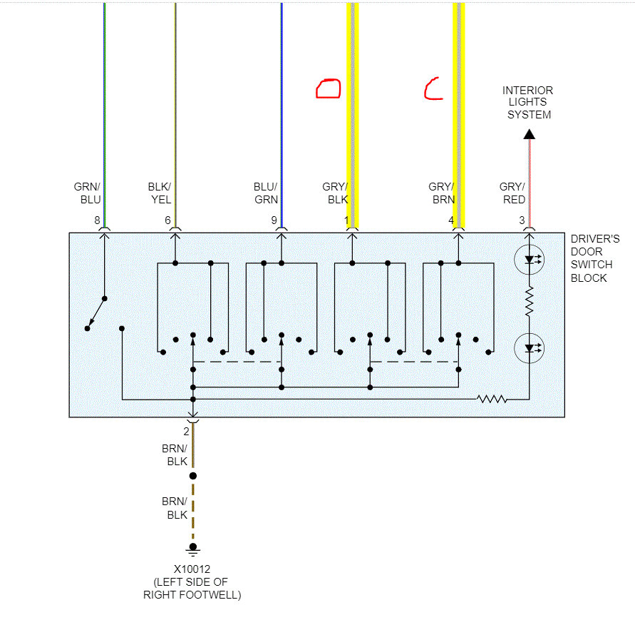
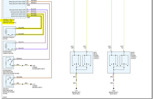
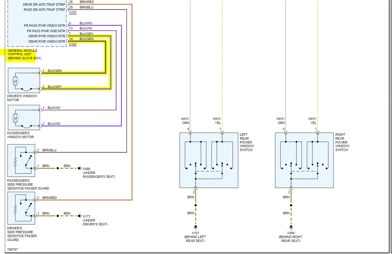
The driver's window doesn't go down. When you press the door switch you can hear a faint click. When you press the down door switch nothing happens.
I have replaced the door master switch, the main switch, the window motor all with good working units from my other BMW 3 series of the same year.
Any help appreciated.
I have replaced the door master switch, the main switch, the window motor all with good working units from my other BMW 3 series of the same year.
Any help appreciated.
Apr 26, 2022 at 11:29 AM







