Front passenger window switch wiring

1987 BUICK LESABRE
150,000 MILES • V6 • 2WD • AUTOMATIC
Avatar
BUICK_DUDE
  • MEMBER
  • 91 POSTS
Anyone have the color coded diagram and function? Trying to get that window to roll up. Switch is toast.
Apr 11, 2020 at 1:37 PM
Advertisement
Avatar
KASEKENNY
  • CERTIFIED EXPERT
  • 18,907 POSTS
Looks like you have a 2 Door vehicle. Is that true?

If so, you want want to jump the dark blue (solid wire not the dark blue with white) to the black ground wire. This should roll it up. Let me know if this does not work and we can figure out another way.

Thanks
Apr 11, 2020 at 4:27 PM
Avatar
BUICK_DUDE
  • MEMBER
  • 91 POSTS
I have the four door model. Is it different? Also, I want to go up.
Apr 12, 2020 at 8:59 PM
Advertisement
Avatar
DANNY L
  • CERTIFIED EXPERT
  • 5,648 POSTS
Hello, I'm Danny.

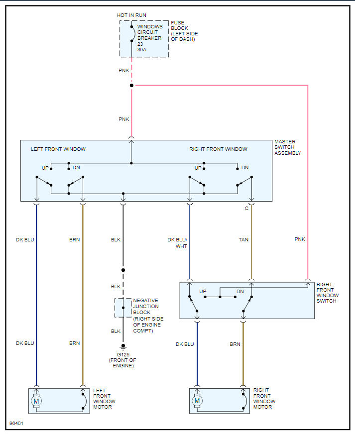
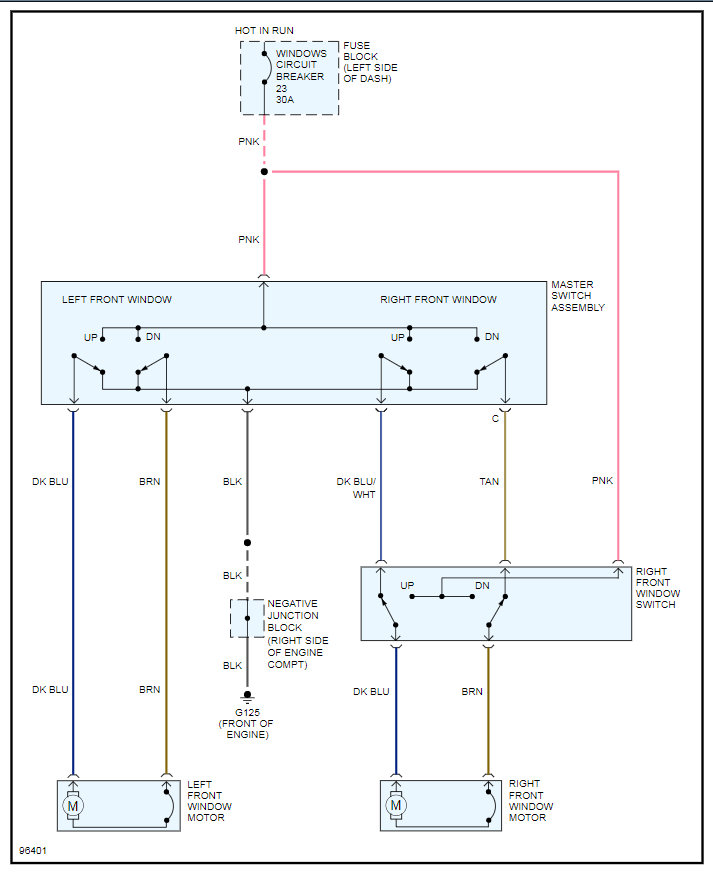
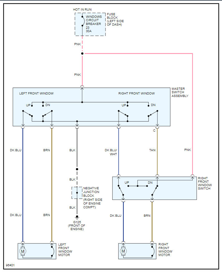
Just to help I've included the 4 door version power window diagram. I've attached the pictures below.However, I've cut the picture in 3 pieces so you can view larger.Hope this and thanks again for using 2CarPros.
Apr 12, 2020 at 10:03 PM
Avatar
BUICK_DUDE
  • MEMBER
  • 91 POSTS
Okay, thanks. to be honest I have no training in reading schematics, wish I would of kept my basic electronics books. So I assume the pink is power, black is ground. My question is, does the master switch play a part in the passenger switch working? I would be manually jumping the blue/white and pink wire on the passenger door switch plug to make the motor go up and if when I do, would the master switch not working play a part in not allowing that wire jump on the passenger door to work?


It is a little hard to explain, please let me know if I can explain more.
Apr 13, 2020 at 1:46 AM
Avatar
KASEKENNY
  • CERTIFIED EXPERT
  • 18,907 POSTS
You are correct that the pink is power. You need to jump pink to blue/white to make it go up. The master switch does play a part in this because the control is feed through the master switch. However, it will not affect you jumping the switch as long as you have power on the pink wire. By doing this you are bypassing both switches.

Hopefully that answers your questions. Let us know if you need more info. Thanks
Apr 13, 2020 at 8:17 AM
Avatar
BUICK_DUDE
  • MEMBER
  • 91 POSTS
Got sparks. Motor is toast. I will check fuse tomorrow. And see my options.
Apr 13, 2020 at 7:32 PM
Avatar
KASEKENNY
  • CERTIFIED EXPERT
  • 18,907 POSTS
Sounds good. Please keep us updated on what you find. Thanks
Apr 13, 2020 at 7:44 PM