front passenger window not working?

2007 CHRYSLER PT CRUISER
188,860 MILES • 2.4L • 4 CYL • 2WD • AUTOMATIC
Avatar
JERRYSIDDOCK
  • MEMBER
  • 58 POSTS
Master Front Power Window Switch. the front passenger window stopped about three inches from fully closed. i opened the switch and burnished the contacts, (passenger and driver needed shining), but didn't clear the fault. the three other windows work. where is the regulator power originate after the switch? i did find two free hanging 10A fuses under the steering wheel but neither one is opened.
Feb 10, 2023 at 1:19 PM
Advertisement
Avatar
STRAILER
  • CERTIFIED EXPERT
  • 53,854 POSTS
If the other windows work chances are the window motor itself went out, there is nothing between the master switch and the driver's side window motor. To be sure you can use a test light to confirm the motor is getting a ground and power.

https://www.2carpros.com/articles/how-to-use-a-test-light-circuit-tester

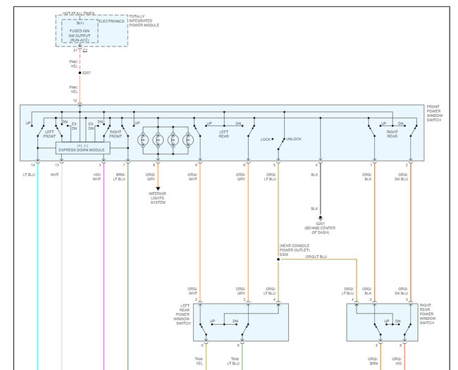
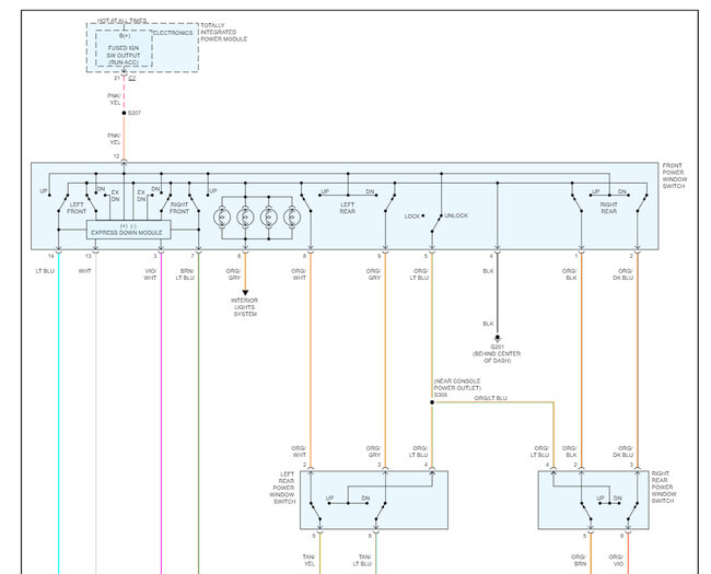
Here is how to change the motor out and I have included the power window wiring diagrams so you can see how the system works.

REMOVAL
1. Move the window to the full UP position, if possible.

2. Disconnect and isolate the battery negative cable.

3. Remove door trim panel.

4. Disconnect electrical harness connector from motor.

5. Remove window regulator.

6. With regulator on bench, remove three screws retaining the motor to the regulator and remove motor.

INSTALLATION
1. With regulator on bench, install three screws retaining the motor to the regulator.

2. Install the window regulator.

3. Connect the electrical harness connector to the window motor.

4. Install door trim panel.

5. Connect battery negative cable.

This video shows the job being done on a similar vehicle by the process is the same:

https://youtu.be/lLnoAIBsZ-M

Check out the images (below). Please let us know what happens.
Feb 10, 2023 at 3:40 PM
Avatar
JERRYSIDDOCK
  • MEMBER
  • 58 POSTS
There was a broken soldered joint at the soaking wet electrical harness connector from the window motor. Is there a pinout of the TIPM available? thank you for your help.
Feb 11, 2023 at 1:58 PM
Advertisement
Avatar
STRAILER
  • CERTIFIED EXPERT
  • 53,854 POSTS
Hi Jerry, and thanks for the donation. Here is the pin out diagrams for the TIPM as you have requested. and thanks for the image as well. Are you getting power to the pink/yellow wire with the key on? It seems like there is only one power in so if the other windows work, I would check the motor for power to confirm the failure.
Feb 12, 2023 at 12:43 PM
Avatar
JERRYSIDDOCK
  • MEMBER
  • 58 POSTS
The broken wire at the connection was the problem, the window works now. thank you for your help and the pinouts.
Feb 12, 2023 at 3:23 PM
Avatar
STRAILER
  • CERTIFIED EXPERT
  • 53,854 POSTS
Nice work, please use 2CarPros anytime, we are here for you and please tell a friend.
Feb 13, 2023 at 1:46 PM