Front fan motor not working

2012 KIA SEDONA
91,000 MILES • 3.6L • 6 CYL • 2WD • AUTOMATIC
Avatar
CRAIGFIAL
  • MEMBER
  • 2 POSTS
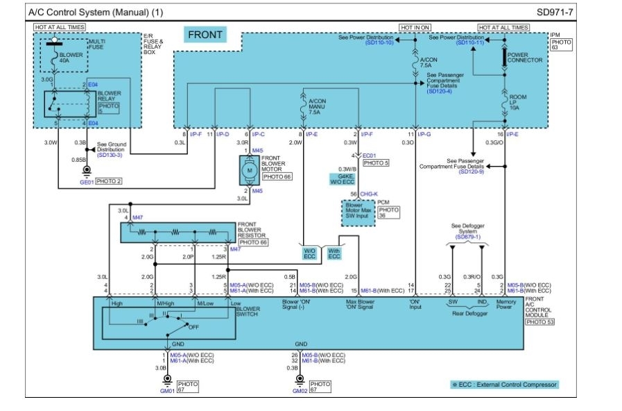
I recently replaced the front fan motor and everything was working fine, but stopped working again. Just before it stopped working I smelled something like electrical burning. I checked the fan and it works. Rear fan works, rear A/C works. Just nothing to the front fan. I am guessing a relay or something burned out but only affects the front fan.

Any ideas?
Oct 21, 2018 at 11:20 AM
Advertisement
Avatar
ASEMASTER6371
  • CERTIFIED EXPERT
  • 52,796 POSTS
Good afternoon.

There is a 40 amp fuse that controls power to the blower motor. Make sure it has power on both sides with the key on.

There should also, be power directly from that fuse to the blower. The A/C system controls the ground through the control head and the blower resistor. The blower resistor is a common failure for this issue and would explain the smell.

Roy
Oct 21, 2018 at 11:33 AM
Avatar
CRAIGFIAL
  • MEMBER
  • 2 POSTS
I do not have any way to test for power but based on everything. It does appear that the RU-767 Intermotor HVAC Blower Motor Resistor is probably bad. I am going to replace it and keep my fingers crossed.
Oct 21, 2018 at 11:51 AM
Advertisement
Avatar
ASEMASTER6371
  • CERTIFIED EXPERT
  • 52,796 POSTS
Okay, I would also get a test light at the parts store. It is only about eight bucks and a good testing tool.

Roy
Oct 21, 2018 at 11:54 AM