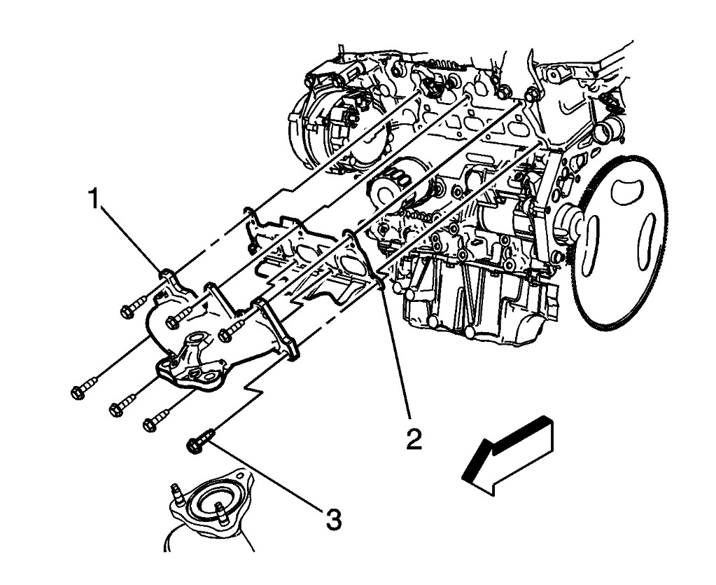
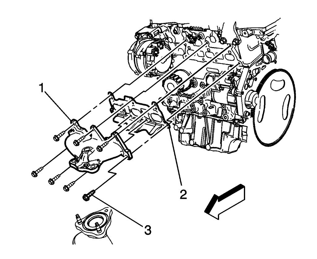
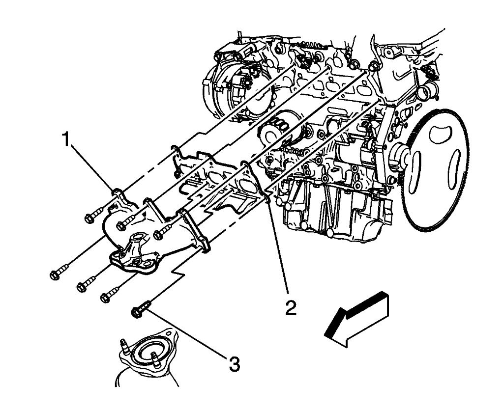
Front exhaust manifold

2010 BUICK LA CROSSE
132,000 MILES • 3.6L • V6 • 2WD • AUTOMATIC
Avatar
FLIPPA334
  • MEMBER
  • 42 POSTS
Can someone show me and give me the part number for the front exhaust manifold on mth car I put in. Mines is cracked and I need to replace the original one that came on the car
Aug 11, 2025 at 2:26 PM
Advertisement
Avatar
STEVE W.
  • CERTIFIED EXPERT
  • 15,113 POSTS
GM says that both are the same part number 12608747. Replacement is straightforward, remove the heat shield, remove the O2 sensor, then the nuts for the converter. Then the bolts from the manifold. I generally like to drop the exhaust pipe so I can get more room on the bolts and the cat won't lower if the pipe is attached. Then clean the block. The new one goes on and torque the bolts to 7 ft lb, then to 15 ft lb. Start in the center and work outward using an X pattern. Cat to manifold nuts are 40 ft lb.
Aug 11, 2025 at 7:08 PM