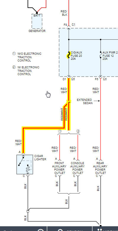
I own the car listed above (MAXX) and I've been through my owner's manual, I've opened the passenger side console panel and I have looked at the fuse box under the hood by the battery. I cannot find the location for the fuse for the front cigarette lighter fuse. Help?
Aug 9, 2020 at 6:08 PM



