Front brakes locking after 15 minutes driving

2001 HYUNDAI SANTA FE
189,000 MILES • 2.4L • 4 CYL • 2WD • MANUAL
Avatar
STEVE SCHLOGEL
  • MEMBER
  • 6 POSTS
After I start driving it takes about 15 minutes then the brakes get hard as a rock and the car decelerates and stops. Calipers are locked and then after the car cools down, they release, and I can repeat this scenario over and over. I've replaced calipers and hoses. It's like pressure can't escape. I saw a thread that was similar and recommended adjusting the proportion valve in the master cylinder? I have not tried this yet.

Before this started, I replaced an alternator and the belts and the MAF sensor and then this started out of the blue two days later.

Update: while waiting for reply I was going to to try a fix I read in different place on this site for similar issue. I just got that valve exposed. so, I'll go and give it a turn or two and go from there. I posted a pic of what I'm about to adjust just FYI.

Update #2: No change still experiencing same issues. I talked to a family friend, and he said it's most likely the plunger in the master cylinder is hanging up and to replace it. so, I'm going to give it a shot and see what it does... Will update here afterwords.
Apr 11, 2022 at 8:46 AM
Advertisement
Avatar
CARADIODOC
  • CERTIFIED EXPERT
  • 34,306 POSTS
This dandy photo is of the push rod coming out of the power booster. Most often when these are adjustable, like it is here, it is on import models. It's rarely adjustable on domestic models. Readjusting that is not going to solve anything. This is not meant to be readjusted except for when it is first installed on the vehicle. If the pistons in the master cylinder are not fully retracting, it is usually due to the brake light switch is misadjusted and holding the brake pedal down an inch or so. You can often identify that by pulling the brake pedal up with your foot when the brakes are locking up.

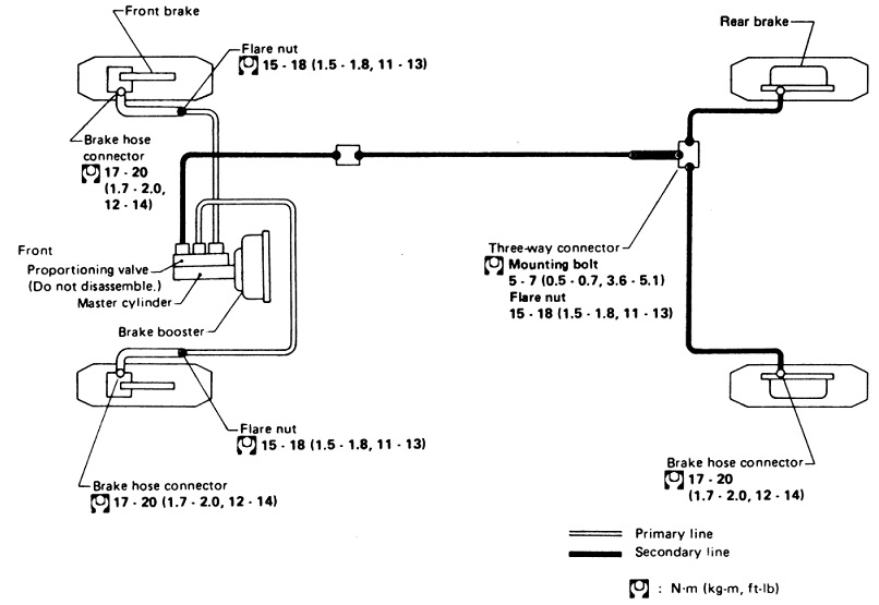
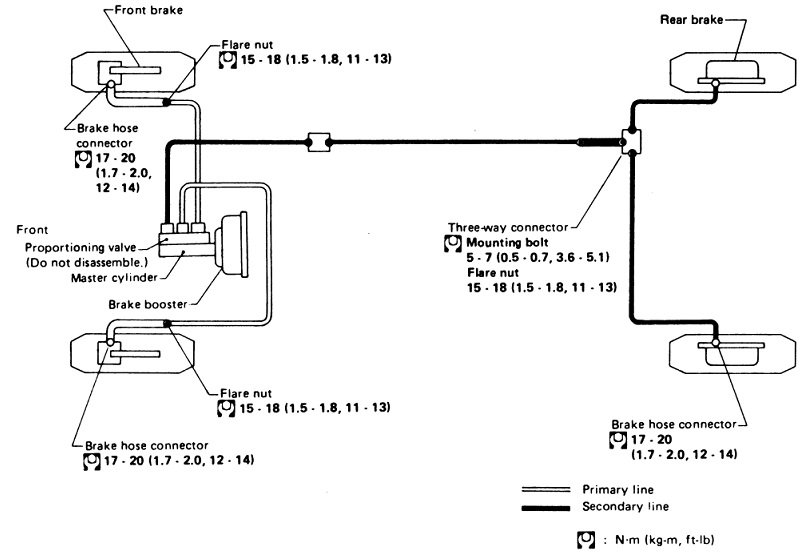
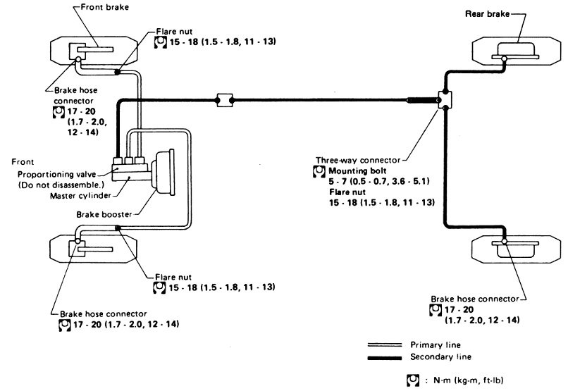
The most common cause of the symptoms you described are the flexible brake hoses, but you replaced those already. Rust build-up develops under the crimped fitting by the red arrow. Other models often have a mounting bracket crimped around the middle of the hose. Rust builds up inside the crimp too and constricts the hose. You can force some brake fluid through the restriction with your foot, but the fluid can't release back to the reservoir. Those crimps can be opened up with a pliers or large screwdriver to remove the restriction. The best way to identify these as the cause is that one brake caliper will release when the bleeder screw is opened, but next time it happens, it will remain locked if the steel line is loosened at the master cylinder.

When this happens, the brake drags enough to generate heat. That heat migrates to the brake fluid causing it to expand. That makes the trapped fluid apply the caliper even harder, then the pads generate even more heat until that brake locks up.

As a point of interest, a lot of vehicles today, especially front-wheel-drive vehicles, use a "split-diagonal" brake hydraulic system that pairs one front brake with the opposite rear brake on one circuit. Usually when locking brakes occur, it only affects one front brake first, but if both are locking with split-diagonal systems, you have to loosen both steel lines at the master cylinder to release both front brakes, or you have to open both front bleeder screws on the calipers at the same time.. If you're parked on a slight incline and shifted to "neutral", the vehicle will start to creep downhill when you open both hydraulic systems at the same time. Suggest you place a block of wood about a foot down hill of one tire so you don't look funny chasing after the vehicle! More on this in a moment.

Update: I found the brake line routing diagram from Auto Zone. It's the second drawing below. It shows you have the standard front and rear hydraulic circuits. Even better, the two front lines start right at the master cylinder. That makes it convenient for loosening them to let brake fluid release.

Proportioning valves are not adjustable and are usually not in the master cylinder. (Trucks and minivans, and other models that can see a wide variety of loading in the rear often do use an adjustable height-sensing proportioning valve, but those are mounted in the rear, and won't cause locking brakes). Those are a story for another day. When proportioning valves are up in front, they're inside the combination valve assembly, and they are very carefully calibrated for the specific model with its unique set of optional equipment, (weight). These are definitely not a one-size-fits-all part. They rarely cause a problem. That said, yours is one of the few models that do put the proportioning valve in the master cylinder. They can be replaced separately, but they rarely cause trouble.

Many models don't have a proportioning valve if the vehicle came with anti-lock brakes. That opens up a whole new area of discussion. We always wonder if a sticking or leaking valve in the hydraulic control assembly is responsible for dragging or locking brakes, but I don't ever recall anyone solving such a problem by replacing that controller. That should be our last suspect on the list. Good stuff has to happen inside that controller when you're in a skid, but during normal driving and everything is relaxed, or off, every fluid passage is open for fluid to flow freely in both directions. At worst, a leaking or sticking valve would cause a low and mushy brake pedal.

That brings me to my best suspect after the flex hoses, (and related to your "Update # 2), but I really hope I'm wrong. That is brake fluid contaminated with a petroleum product. That includes engine oil, transmission fluid, power steering fluid, axle grease, and penetrating oil. I've been involved with three of these since the mid '80s. Rubber parts that contact brake fluid are not compatible with petroleum products. They will expand and become mushy. In the master cylinder, the seals on the pistons will grow past the fluid return ports and block them. That's what traps the brake fluid and keeps the calipers dragging and building heat. With this cause, the brakes will release when you open the hydraulic system anywhere, most importantly the two steel lines coming out of the master cylinder. If that lets them release, that proves everything else is clear and unobstructed. The lip seals inside the master cylinder are the only thing left, so this is pretty conclusive.

As I alluded to earlier, a misadjusted brake light switch can hold the brake pedal down. That also holds the lip seals past the fluid return ports, so the symptoms will be the same, but that rarely occurs on its own. This typically shows up after other work was done in the area, and pulling the brake pedal up with your foot lets the brakes release.

If the brakes do not release when you loosen the lines at the master cylinder, that's good news as it suggests this may not be due to contaminated brake fluid. Now, work your way down the line to the next connection that you can loosen and let brake fluid escape. When you reach the first one that lets the brake release, you just reached or just passed the restriction.

The reason I hope I'm wrong is the only proper repair for contaminated brake fluid is to remove every part that contains rubber that contacts the brake fluid, flush and dry the steel lines, then install all new parts. That includes replacing the new calipers and hoses. It does not include the power booster or any rubber caliper mounting parts. The only exception, although it makes me nervous, is if the contamination is caught right away, as in within a few hours of its introduction. I do know people have quickly replaced just the master cylinder and gotten away with it, but that definitely doesn't apply if the brake fluid was bled all the way down to the calipers and wheel cylinders. If it comes to that, I have a simple trick that allows a master cylinder to be replaced with no need to bleed the system anywhere else other that right at the ports on the master cylinder. Another story for another day.

For contamination that occurred some time ago, if any rubber parts are not replaced, such as the combination valve that is often overlooked, the contamination will leach out of it and recontaminate the new brake fluid. That might go with no continuing symptoms, but it's not really worth the risk. Unfortunately, the cost of this repair can render an older vehicle not worth repair, especially if you have to pay a shop to do the work.

For the three vehicles I was involved with, the calipers, wheel cylinders, rubber flex hoses, combination valve, master cylinder, and the rubber bladder seal(s) under the reservoir caps were all replaced. Those bladder seals are another clue to fluid contamination. They'll blow up and pop out of the cap when removed, and you won't be able to poke them back in. They'll feel slimy too.

The other observation you mentioned is the brake pedal becomes high and hard. That is proof the brake fluid is pushing the pistons in the master cylinder back. Normally that clue points to constricted flex hoses. The fluid has to be getting past the fluid return ports to get to the front of the lip seals in the master cylinder. That clue gives me hope this is not an expensive fluid contamination problem.

See how far this gets you and let me know what you find. We'll figure out where to go next.
Apr 11, 2022 at 8:04 PM
Avatar
STEVE SCHLOGEL
  • MEMBER
  • 6 POSTS
Interesting read. The new master cylinder just showed up. Nothing on visual inspection with the original matter cylinder shows signs of slimy rubber parts anywhere. Adding a picture before I touch it for visual ref.

Side note: I did have the little pad crumble and fall off the brake pedal that touched the brake light switch to turn off the rear lights when I let off the pedal. I replaced it with a home fix until I was able to get a replacement pad to install. That was the calm before the storm. After that piece crumbled the alternator quit working and now, I'm here, lol. I can't imagine that little pad could lead to this but felt obligated to mention it.

I had no restrictions on the lines when I bled them after I did the front calipers and lines also

I'll pop back after I get the new master on and set and update on what happens... Fingers crossed I really need this to work lol

Update: there's a plug going into the side of the reservoir on top the old master cylinder that I can't get off to save my life. (Adding pic) Any ideas?
Apr 12, 2022 at 7:37 AM
Advertisement
Avatar
CARADIODOC
  • CERTIFIED EXPERT
  • 34,306 POSTS
I'm relieved to see the rubber seal in the cap is okay. That shows we don't have to worry about fluid contamination.

I forgot to include earlier another easy test is to loosen the nuts holding the master cylinder to the power booster. Do this when the locking is occurring. Pull the master cylinder forward about an eighth of an inch. If the brakes release, look at the brake light switch and the booster's push rod. This test only applies if the brakes will release when you loosen the steel lines at the master cylinder. Something has to be blocking the fluid from flowing back into the reservoir. The only thing that can do that is the rubber lip seals, and since they haven't grown from contamination, the only other thing is the pistons are not being allowed to fully retract. The push rod doesn't become misadjusted on its own. That leaves the brake light switch or heavy corrosion is in the master cylinder's bore causing the rear piston to stick. (I've never seen that).

If you look at this wire ring, you gotta pry that up with a small pick, then the plug can be pulled off. Then, push that ring back down so it doesn't fly off and get lost. To reconnect that plug, just push it on. The ring will lift up enough on its own to go back on, then it will already be snapped on to lock it again.
Apr 12, 2022 at 1:24 PM
Avatar
STEVE SCHLOGEL
  • MEMBER
  • 6 POSTS
So new master cylinder and same issue; 15 minutes here pedal car stops. I pulled the master cylinder away from the booster like suggested and brakes came back. I'm guessing I spent several hundred and several days and it's just this brake light switch? I'm going to look into how to adjust that and see what happens.

Update: so I'm having trouble understanding how the brake light switch could beat factor here. Isn't that just a thing to turn the lights off? Maybe I'm not seeing something.

Wouldn't it be more likely that the booster push rod needs adjusting? It's like the master cylinder is being preloaded? Ugh this is frustrating.
Apr 12, 2022 at 4:55 PM
Avatar
CARADIODOC
  • CERTIFIED EXPERT
  • 34,306 POSTS
Okay, lets just give up and solve this. Here's what likely happened. The brake pedal arm pivots on the bushing with the blue arrows. That bushing can become sticky causing the pedal to not return fully under its return spring tension. When this happens in your driveway, it leaves less pressure between the pedal arm and the brake light switch. That could allow that cap, or button on the end of the switch to fall off, especially in hot weather. That keeps the brake lights on. You solved that with a temporary cover that might be thicker than the original part. Many people adjust the switch forward and don't replace that rubber cap. The problem is they adjust the switch to meet the pedal when it's in the stuck position, which is partially-applied.

With normal driving before any of this happened, normal road vibration causes the brake pedal to return fully almost right away. There's no brake locking problem. When you do have to work on the switch, you aren't aware the pedal isn't fully returned, and you adjust the switch just to the point it is turned off and the brake lights are off. Now when you start driving, the pedal can't come back any further because the switch is holding it down and partially applied. It only has to hold the pedal down a little to move the pistons in the master forward enough for the lip seals to pass the fluid return ports and trap the brake fluid ahead of them. That's when the fluid gets pushed to the wheels when you push the brake pedal further. But now, since the pistons can't come back far enough to expose those ports, the fluid remains trapped and gradually builds up heat from the dragging brakes, and pressure, which applies the brakes harder and harder as you drive.

The easier clue that often works is to pull the brake pedal up with your foot when the dragging brakes occur. On most Asian imports, the brake light switch is mounted on a thin metal bracket that can be bent with foot pressure to allow the master cylinder to fully release.

The best fix for your vehicle, if you haven't readjusted the brake light switch, is to find the original cap and glue it back onto the switch. If your home made repair is otherwise working well, just readjust the switch. The instructions are included with these last two drawings.

At first logic would dictate you can accomplish the same results by shortening the push rod in the front of the power booster. In fact, yours is one of those that is adjustable, but that was carefully set at the factory. In fact, the rubber diaphragm has an at-rest or released position. When you press the pedal, all that happens is it opens a vacuum valve that lets vacuum come into the front chamber of the booster. That vacuum pulls the diaphragm forward and the push rod is attached to that, so it also moves forward to push on the master cylinder's pistons. As the diaphragm moves, the vacuum valve catches up to the brake pedal and closes, then no further movement occurs. If you decide to push further on the brake pedal, you just open the vacuum valve again and the process repeats until the diaphragm pulls the valve closed again.

The point of this sad story is when you release the brake pedal, it opens a vacuum release valve, then atmospheric pressure is on both sides of the diaphragm. A huge internal spring wants to center it, but it can't quite get there due to the brake light switch holding the pedal down a little. With the diaphragm not being centered, the vacuum release valve can still be slightly open. You may be able to hear a constant hissing as engine vacuum has a leak now. Just as you want the master cylinder fully released, you want the booster's diaphragm to be centered too, and the only way to achieve that is to address the brake light switch.

I should mention too that there is a two part metal push rod between the brake pedal and the diaphragm in the booster, but there's a significant gap between the two parts. They never contact each other during normal operation. It's only when engine vacuum is lost that this assembly becomes the back-up link, then the pedal pushes the diaphragm mechanically. That accounts for the longer pedal travel. You're also pushing against that big return spring in the front chamber of the booster. That's why the pedal is so hard to push.

I'll be waiting to hear you have this handled.
Apr 12, 2022 at 7:48 PM
Avatar
STEVE SCHLOGEL
  • MEMBER
  • 6 POSTS
Wow, okay. I have to say the level of your knowledge is outstanding. Thank you for the Indepth description. I'm going to mess with that in the morning and I'll get back to you. I pointed out to a mechanic at my work that I thought the pad I installed was thicker than the original and could that have any impact, but he just waved it off. I didn't realize that that it being just a little thicker could have that much of an impact. I will reply in the morning. I can't thank you enough for the info sir.

#godsend
Apr 12, 2022 at 8:19 PM
Avatar
STEVE SCHLOGEL
  • MEMBER
  • 6 POSTS
Sir, I cannot thank you enough. A quick adjustment to the brake light switch and I trimmed the bumper down, so it fits better, and problem solved. Being able to reach out like this and get real answers with the theory behind things is worth its weight in gold. You are a gem. Thank you!
Apr 13, 2022 at 8:53 AM
Avatar
CARADIODOC
  • CERTIFIED EXPERT
  • 34,306 POSTS
Dandy. I knew you were going to solve this.
Apr 13, 2022 at 11:26 AM
Avatar
STEVE SCHLOGEL
  • MEMBER
  • 6 POSTS
Trust me, it was more you than me. I hope this thread can be of help to others. The information here is just amazing. Again, thank you for your time. I will recommend this site to any and every one that is in need.

Issue resolved: adjusted the brake light switch height.
Apr 13, 2022 at 1:10 PM