☰
Login
Join
×
Home
Answered Questions
Repair Topics
Repair & Service Guides
Popular Questions
Warning Lights
Trouble Codes
How It Works
Testing / Diagnostics
Symptoms
Videos
Login
Become a Member
Home
Chrysler
Town and Country
Climate Control
Blower Fan
Speed
A/C blower motor only works at higher speeds ?
2007 CHRYSLER TOWN AND COUNTRY
239,778 MILES • 3.8L • 6 CYL • 2WD • AUTOMATIC
MATTIIE_B
MEMBER
4 POSTS
FOLLOW
Front A/C blower motor only works at higher speeds
Jun 10, 2020 at 8:03 PM
Advertisement
ASEMASTER6371
CERTIFIED EXPERT
52,796 POSTS
Good morning,
Do you have a voltmeter or test light to do some checks for the blower motor system?
https://www.2carpros.com/articles/blower-fan-motor-works-on-high-speed-only
https://www.2carpros.com/articles/replace-heater-core
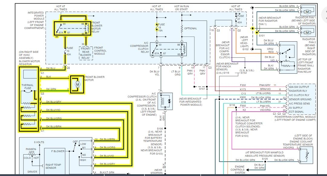
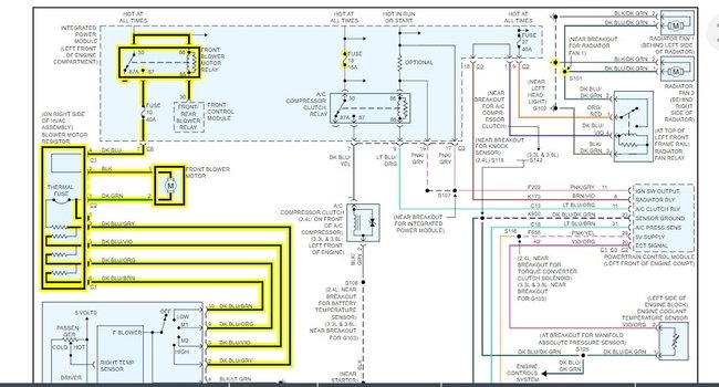
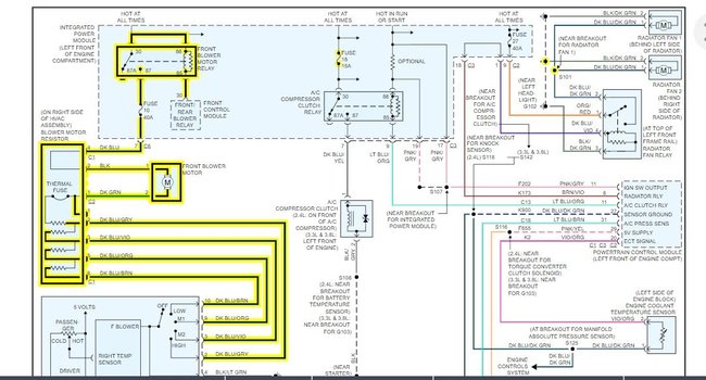
I attached a wire diagram and need to see if the correct voltages are present for proper operation.
https://www.2carpros.com/articles/how-to-check-a-car-fuse
Roy
Images (Click to enlarge)
Jun 11, 2020 at 2:17 AM