no starter operation - not cranking over?

2013 FORD EXPLORER
65,000 MILES • 6 CYL • AWD • AUTOMATIC
Avatar
MIKE RUIZ
  • MEMBER
  • 2 POSTS
This is the second time this has happened to me. The car would work just fine until I parked the car and turned the vehicle off. When I try to start the car again the console would start blinking along with the other lights, then the car would just not start at all.

Yesterday, I drove the car got back home then I realized I forgot something at the store. When I went to start the car again, everything just went dead.

The battery is less than a year old, as it was replaced. I had no receptacles plugged in.
May 21, 2016 at 7:43 AM
Advertisement
Avatar
STRAILER
  • CERTIFIED EXPERT
  • 53,854 POSTS
Hey MIKE,

It does sounds like the battery or cable or the problem, here is an article that can help explain the problem.

https://www.2carpros.com/articles/everything-goes-dead-when-engine-is-cranked

Let us know what you find

Best, Ken

May 24, 2016 at 5:20 PM
Avatar
MIKE RUIZ
  • MEMBER
  • 2 POSTS
Thank you for your feedback. As fate would have it, I used a baking soda/vinegar solution to clean the contacts from the cables to the battery. That actually did the trick. Thank you very much, once again.
May 24, 2016 at 8:28 PM
Advertisement
Avatar
STRAILER
  • CERTIFIED EXPERT
  • 53,854 POSTS
That is so good to hear! please use 2Carpros anytime we are here to help :)
May 25, 2016 at 8:24 AM
Avatar
ELSEYK3
  • MEMBER
  • 5 POSTS
wont do nothing when key turned. Starter wont do anything i replaced battery starter cable and ends still nothing could this deal with alternator
Dec 31, 2020 at 8:33 AM (Merged)
Avatar
MHPAUTOS
  • CERTIFIED EXPERT
  • 31,937 POSTS
Do you have dash lights with ignition on? check for power at the starter main cable at the starter motor and 12V at the small solenoid terminal on the starter with the key on crank, start here. These guides can help us fix it

https://www.2carpros.com/articles/starter-not-working-repair

and

https://www.2carpros.com/articles/car-battery-load-test

Please run down these guides and report back.
Dec 31, 2020 at 8:33 AM (Merged)
Avatar
ELSEYK3
  • MEMBER
  • 5 POSTS
i cant get power from ignition switch too starter i can cross terminals too crank starter please help ive missed 4days at work
Dec 31, 2020 at 8:33 AM (Merged)
Avatar
MHPAUTOS
  • CERTIFIED EXPERT
  • 31,937 POSTS
Starter relay or transmission isolator switch sounds like the most obvious cause, check the relay first see pic for location.
Dec 31, 2020 at 8:33 AM (Merged)
Avatar
ELSEYK3
  • MEMBER
  • 5 POSTS
replaced1battery,cables2 starter3 30amp starter relay key turns no power anywhere
Dec 31, 2020 at 8:33 AM (Merged)
Avatar
ELSEYK3
  • MEMBER
  • 5 POSTS
help my job on the line
Dec 31, 2020 at 8:33 AM (Merged)
Avatar
MHPAUTOS
  • CERTIFIED EXPERT
  • 31,937 POSTS
have you checked that the ignition switch is actually working? it may be that the switch is faulty.
Dec 31, 2020 at 8:33 AM (Merged)
Avatar
ELSEYK3
  • MEMBER
  • 5 POSTS
how do i check switch
Dec 31, 2020 at 8:33 AM (Merged)
Avatar
MHPAUTOS
  • CERTIFIED EXPERT
  • 31,937 POSTS
Check terminals on back of switch, one will be power in one will be ignition out on first click, and power out on crank.
Dec 31, 2020 at 8:34 AM (Merged)
Avatar
EHUNKIN
  • MEMBER
  • 1 POST
Truck wouldn't start in the morning, battery was dead (clicking noise while key was turned), replaced battery and tries to start. Turned over and fired up but died immediately. Was suggested to replace alternator, once this was done I again tried to start the truck...and again it turned over fired up and immediately died.
The onboard system say to "check charging system" . I was told by my "mechanic" friend that it's most likely either the fuel pump or the starter. I'm not sure which I should try next?

FYI: I have checked all fuses and the fuel pump reset switch, and all seem to be operating...
Dec 31, 2020 at 8:34 AM (Merged)
Avatar
JACOBANDNICKOLAS
  • CERTIFIED EXPERT
  • 110,175 POSTS
First, if the battery is fully charged, a bad alt will not cause it to shut down until the battery runs dead. As far as the starter, if it is turning the engine over and starting it, then chances are it is fine.

As far as the alt issue, it should be addressed, but I don't think that is the problem here unless the battery is really weak. So, I need you to start by checking fuel pump pressure to see if it is within the manufacturer's specs. Do that and let me know what you find. If you need directions, go to the home page under "Repair and Service" section. There is a video and directions for this process.
Dec 31, 2020 at 8:34 AM (Merged)
Avatar
JOLONG777
  • MEMBER
  • 16 POSTS
The battery is brand new and alternator is good, but it does not turn on sometimes. It could be right after driving it. It does not want to turn over as if it is dead. No noise accept click when turning key. I really believe it has to do with the alarm or the button. When I get in the truck and click the open button on the keyless remote a couple times then the truck sometimes just starts right up. Sometimes I get in truck lock it with keyless remote than unlock two times then I am able to start it. What is this and what can I do to fix? Maybe disable all cables dealing with alarm?
Dec 31, 2020 at 8:34 AM (Merged)
Avatar
JOHNNYT73
  • CERTIFIED EXPERT
  • 924 POSTS
It sounds as if the battery cables themselves have a poor connection, or even more likely the starter is beginning to fail. the next time it "clicks" you can try tapping the starter with a mallet or hammer and see if starts up. The "click" is going to be the starter solenoid plunger pushing out the starter gear to engage with the flywheel but the starter motor is not turning, or getting enough volts/amps to turn it.
Dec 31, 2020 at 8:34 AM (Merged)
Avatar
SOKRAT GEGA
  • MEMBER
  • 17 POSTS
hi,
maybe the problem is starter or ignition key check key terminal fifty when turn key to start position. is voltage 12.6 volts? if not the problem is ignition key. if you have voltage in this terminal the problem is starter. you can repair just to change brushes.
sorry for my bad english.
Dec 31, 2020 at 8:34 AM (Merged)
Avatar
STRAILER
  • CERTIFIED EXPERT
  • 53,854 POSTS
Great suggestions guys,

I have included a guide to check the starter, also when this happens is the alarm system light flashing?

Here are some guide to help.

https://www.2carpros.com/articles/how-to-replace-a-starter-motor

and

https://www.2carpros.com/articles/how-to-reset-a-security-system

Please let us know happens so it will help others.

Best, Ken

Dec 31, 2020 at 8:34 AM (Merged)
Avatar
JENNSAM00
  • MEMBER
  • 3 POSTS
When I put my key in, all my lights and chimes come on, I turn the key and nothing does not even try to turn over. All dash lights and inside lights work. Got a jump and it did not change. Does say check charging system. Prior to it not starting, it would take a little bit to get it to turn over and it does idle rough when it's first started or when the A/C is on. Also when I get low on gas it chokes out, tries to shut off and loses power when I push in the gas. Can someone help me? I am thinking the low gas issue is a clogged fuel filter, but for my truck to have power but not turn over? I have no idea!
Dec 31, 2020 at 8:34 AM (Merged)
Avatar
VSSOUTLET
  • MEMBER
  • 57 POSTS
The first part sounds like it could be a bad alternator and/or battery. Cars do all kinds of dodgy things when things are not getting powered. See if you can have your battery and alternator tested.
Dec 31, 2020 at 8:34 AM (Merged)
Avatar
JENNSAM00
  • MEMBER
  • 3 POSTS
The battery is good, and I have someone otw with a voltage meter to test the other stuff in my charging system. Do you know what my alternator, starter and solenoid should read in the meter?
Dec 31, 2020 at 8:34 AM (Merged)
Avatar
JACOBANDNICKOLAS
  • CERTIFIED EXPERT
  • 110,175 POSTS
Hi and thanks for using 2CarPros.com.

We need to start at the beginning. Often times, the battery terminals are corroded or loose enough to provide power to lights, gauges, but when you put the load of the starter on it, the connection is lost. Go through this link first. Since things do not change when trying to jump start, this is my first suspect.

https://www.2carpros.com/articles/everything-goes-dead-when-engine-is-cranked

If that is checks good, then we need to determine if there is power to the smaller wire on the starter solenoid when you turn the key to the start position. Follow this link.

https://www.2carpros.com/articles/starter-not-working-repair

You mentioned that the battery is good, so I will not suggest a load test.

If you find there is power to the starter (solenoid) as mentioned in the aforementioned link, then the starter is bad. If there is no power, check fuses (under hood/ignition fuses and starter fuse. Also switch the starter relay with a different one from the box that has the same part number (to see if it makes a difference).

You mentioned concerns related to the alternator. Here is a link that shows how to check one. It is very easy to do, but the engine has to run. Please keep in mind, a bad alternator will not stop the engine from starting. (Your battery is good and you tried a jump) Also, you mentioned that it says check charging system. That is normal if the engine is not running because the alternator cannot charge without the engine turning it.

https://www.2carpros.com/articles/how-to-check-a-car-alternator


Let me know if any of this helps or if you have other questions.

Take care,
Joe
Dec 31, 2020 at 8:34 AM (Merged)
Avatar
JENNSAM00
  • MEMBER
  • 3 POSTS
I ended up getting it to start. The problem was the solenoid was loose! My husband saw a spark come out from under the truck when I started it and he thought maybe a bare wire was touching metal, so he got under there and checked all the wires out and discovered it was not getting a good connection because it was loose. Have not had any problems with it since. Except the idle seems to be off. It kind of chokes (loses power then gets it back) when I take off sometimes. Do you think it could be the fuel filter? If so, how do I change it?
Dec 31, 2020 at 8:34 AM (Merged)
Avatar
JACOBANDNICKOLAS
  • CERTIFIED EXPERT
  • 110,175 POSTS
Hi and welcome back.

Ia m glad you got the starting issue repaired. As far as the fuel filter, here are the directions.


Exploded View

Removal and Installation

WARNING:
- Do not smoke or carry lighted tobacco or open flame of any type when working on or near any fuel-related component. Highly flammable mixtures are always present and may be ignited. Failure to follow these instructions may result in personal injury.
- Fuel in the fuel system remains under high pressure even when the engine is not running. Before servicing or disconnecting any of the fuel lines or fuel system components, the fuel system pressure must be relieved to prevent accidental spraying of fuel which can cause a fire hazard. Failure to follow these instructions may result in personal injury.

CAUTION:
- Fuel injection equipment is manufactured to very precise tolerances and fine clearances. It is therefore essential that absolute cleanliness is observed when working with these components. Always install blanking plugs to any open orifices or tubes.
- When reusing liquid or vapor tube connectors, make sure to use compressed air to remove any foreign material from the connector retaining clip area before separating from the tube.

NOTE: During the repair or replacement of fuel-related components, all liquid and vapor fuel openings shall be capped, taped or otherwise appropriately protected to prevent the ingress of dirt or other contamination. All caps, tape and other protective materials shall be removed prior to installation.

1. With the vehicle in NEUTRAL, position it on a hoist.
2. Release the fuel system pressure.
3. Disconnect the battery ground cable.


4. Remove the bolts and the fuel filter heat shield.
- To install, tighten to 20 Nm (15 lb-ft).

5. Remove the nuts and the fuel filter shield.
- To install, tighten to 6 Nm (53 lb-in).

6. Disconnect the fuel supply tubes quick connect couplings.
7. Remove the fuel filter.
8. To install, reverse the removal procedure.

Let me know if this helps or if you have other questions.

Take care,
Joe
Dec 31, 2020 at 8:34 AM (Merged)
Avatar
JIM FOSTER2
  • MEMBER
  • 2 POSTS
Runs great. Has been hesitating at first crank but would start easily. Today stopped cranking. It had been started and used about 6 times during the day. After 4 the stop the starter would not crank. All accessories still operate. Besides starter is there a possible issue related to security system?
Dec 31, 2020 at 8:34 AM (Merged)
Avatar
DANNY L
  • CERTIFIED EXPERT
  • 5,648 POSTS
Hello, I'm Danny.

Is the security light on or flashing on the dashboard? Here is a tutorial showing how to reset the anti-theft system:

https://www.2carpros.com/articles/how-to-reset-a-security-system

After reading tutorial scroll the page at the bottom to find Ford.Before I suggest having the starter tested is the battery fully charged? Let me know and we'll go from there.Hope this all helps and thanks for using 2CarPros.
Dec 31, 2020 at 8:34 AM (Merged)
Avatar
STEVE W.
  • CERTIFIED EXPERT
  • 15,113 POSTS
When you say it doesn't crank is it doing nothing? Not even a click? You say it hesitated at first start before, that makes me think of either a bad connection or failing starter as the vibration and heat would tend to scrub the connection some and maybe make it connect better. If you turn the lights on and try to start it do the lights dim at all?

If the security light is on try Danny's suggestion first.
Dec 31, 2020 at 8:34 AM (Merged)
Avatar
JIM FOSTER2
  • MEMBER
  • 2 POSTS
There is not a click. Almost the same as if the battery was not connected. Most times when I turn the key the first starter effort sounds like a hard effort followed by a quick starter cranking and the engine starts. I will need to check the light dimming and security light question. Thanks
Dec 31, 2020 at 8:34 AM (Merged)
Avatar
STEVE W.
  • CERTIFIED EXPERT
  • 15,113 POSTS
Okay, that description sounds like a bad connection, Take a close look at the battery connections to the starter and the grounds to the body and block. If you have a multi-meter you can do a voltage drop test at those connections without removing them and see if they are the issue. Start by putting the meter on the battery positive post itself, then measure for voltage to the cable connector, then to the connector on the starter and the post on the starter to that connection. If there is a bad connection or a bad cable you will find a voltage higher than about .25 volts when probing the connections. Do the same on the negative cable. That way you don't need to remove parts that are Okay.

Video examples of the process.
https://www.youtube.com/watch?v=3xjLtg3FLoA&disable_polymer=1
https://www.youtube.com/watch?v=APLic9F7ZsA&disable_polymer=1

In the diagram I drew the points to test with the meter. 1-1 2-2 and so on.
Dec 31, 2020 at 8:34 AM (Merged)
Avatar
DANNY L
  • CERTIFIED EXPERT
  • 5,648 POSTS
Hello again.

It sounds like you might also be having an issue with the starter motor solenoid.It might be defective and not allowing your truck to start properly.Here are a few few tutorials to view about the operation of the starter,the starter motor solenoid, and removal:

https://www.2carpros.com/articles/how-a-starter-and-solenoid-works

https://www.2carpros.com/articles/starter-not-working-repair

https://www.2carpros.com/articles/how-to-replace-a-starter-motor

Between the last post by Steve and my post here she should have enough to test to figure this issue out.Keep us updated and let us know what you find out.We're here to help and let us also know if you have any further questions about this issue.Thanks again for using 2CarPros.

Danny-
Dec 31, 2020 at 8:34 AM (Merged)
Avatar
KARENLOWERY
  • MEMBER
  • 4 POSTS
About a month ago got water in my gas but put some gas treatment in and it was fine. Well now I'm going down the road and it just started stalling out and now wont crank. Not battery or fuel pump. What could it be
Dec 31, 2020 at 8:34 AM (Merged)
Avatar
CARADIODOC
  • CERTIFIED EXPERT
  • 34,306 POSTS
You're describing two different problems, and you didn't say how the battery was tested and proven to be okay. What does "started stalling out" mean? If the starter doesn't engage, what sounds are you hearing? What happens to the brightness of the head lights or interior lights when you try to crank the engine? Measure the battery voltage and holler back with that number. If it's good and fully-charged, it will be 12.6 volts.
Dec 31, 2020 at 8:34 AM (Merged)
Avatar
KARENLOWERY
  • MEMBER
  • 4 POSTS
The starter is engaging. The fuel pump is turning on cause I can hear it do so. The battery is ok cause it says so on the voltage gauge. Stalling out means it acts like its not getting gas
Dec 31, 2020 at 8:34 AM (Merged)
Avatar
CARADIODOC
  • CERTIFIED EXPERT
  • 34,306 POSTS
Dandy. First of all, forget the battery gauge on the dash. That is nowhere accurate enough for doing any type of diagnostics. They are notoriously inaccurate and their only real value is to the person who regularly drives the vehicle and will recognize when it indicates something different than what it normally does. That's also why they don't have numbers on the entire scale. The difference between a good, fully-charged battery and one that's good but totally discharged is only 0.4 volts. You'll never see that minute change in the gauge reading. To get the accurate "state-of-charge" reading, you need an inexpensive digital voltmeter, and the reading has to be taken right at the posts on the battery. If you don't have a voltmeter, you can find them at Walmart, Sears, Radio Shack, and any hardware or auto parts store. Harbor Freight Tools has a perfectly fine one that is usually on sale for less than eight bucks.

Second, since the starter is cranking the engine, the battery state-of-charge is not an issue. The confusion here is you originally said it "won't crank". A lot of people confuse that terminology to mean the engine fails to start and run. "Cranking" and "turning over" mean the starter is spinning the engine. Whether it starts and runs is a separate issue. "Cranking" is a leftover term from the days of hand cranks to start engines.

The water in the tank is almost certainly not related to this sad story. It has been run through the engine by now, and any problem it was going to cause would have occurred long before now.

The first thing you have to do is determine if you have spark. Next is to determine if the fuel pump is running during engine cranking but this is more involved. The one or two-second hum you hear when you turn the ignition switch on tells us the pump is operational, but it takes a different set of circumstances to turn it on again when the engine is being cranked. If you do not have spark, it is pretty likely the pump isn't running either at that time, but that is only an additional symptom or clue, not the circuit that needs to be diagnosed.

You listed two different symptoms for the running problem so please clear that up first before I wear my fingerprints off on this keyboard. "Stalling out" and "acts like its not getting gas" implies the engine is running but poorly. At first you said, "it just started stalling out and now wont crank" which I think you meant the engine won't start up or run at all.
Dec 31, 2020 at 8:34 AM (Merged)
Avatar
KARENLOWERY
  • MEMBER
  • 4 POSTS
Yes sir, I'm sorry I am female and don't have a clue what I'm talking about. Staling out for me means it got kinda sluggish then died. I tried to start it back up and it it started for me for a split second as long as I pushed on the gas pedal but died quickly I'm sorry for confusions
Dec 31, 2020 at 8:35 AM (Merged)
Avatar
CARADIODOC
  • CERTIFIED EXPERT
  • 34,306 POSTS
Your problem is not related to being female. It's that very few people, guys included, know much anymore about the machines we trust to get us back home. For the record, three of my top students over a nine-year period were girls. The guys had a lot of respect for them as do I.

I still am skeptical that water in the tank is related to the current problem, but now it does sound like you have a fuel supply issue. That doesn't necessarily mean a fuel pump problem. It sounds more like the Engine Computer is not commanding the correct amount of fuel for proper engine operation, and that is usually based on sensor readings. One thing you can check yourself is the fresh air tube between the mass air flow sensor and the throttle body. That tube is typically three or four inches in diameter, hard plastic usually with lots of ribs around it, and it may extend to an air filter box. Between the sensor and throttle body there can't be any leaks from cracks or loose hose clamps. If any air sneaks in there that doesn't go through the mass air flow sensor, it won't get measured and the computer won't know about it so it won't command the corresponding amount of fuel to go with it.

The next thing is to check for diagnostic fault codes. On a vehicle as new as yours, only Chrysler makes it possible to read them yourself. For all others you need a scanner or code reader. The people at most auto parts stores will read them for you for free but they usually can only read codes stored in the Engine Computer, not the dozens of other computers. It's very important to understand, (which many parts salesmen don't), that those fault codes never ever say to replace a part or that one is defective. They only indicate the circuit or system that needs further diagnosis or the unacceptable operating condition. There are well over 2,000 potential fault codes, and about half of them refer to something that could adversely affect emissions. Those are the ones that must turn on the Check Engine light. A lot of people, especially mechanics, think the Check Engine light has to be on for there to be fault codes to read, but that is not true.

If there are no fault codes to get you started in the diagnosis, then you need a full scanner to view live data. That usually means going to a mechanic. He can watch the readings the Engine Computer is seeing from its sensors and is responding to. Experienced engine performance specialists can usually see where to start looking based on those numbers.
Dec 31, 2020 at 8:35 AM (Merged)
Avatar
KARENLOWERY
  • MEMBER
  • 4 POSTS
The fuel pump turns on but its not getting any gas at all at the fuel pump check valve could the fuel filter be clogged
Dec 31, 2020 at 8:35 AM (Merged)
Avatar
CARADIODOC
  • CERTIFIED EXPERT
  • 34,306 POSTS
Don't know why this happened, but I'm sorry I missed your reply.

Don't suspect the fuel filter. They don't become totally blocked all of a sudden. The symptoms of a plugged filter are very different and can include engine stalling when coasting down from highway speed, among other things.

Where is this check valve you're referring to? Have you actually tested the fuel pressure with a gauge? That is the only accurate way to know what's going on. It will show how much pressure develops just from turning on the ignition switch, whether that pressure increases during engine cranking, and if it bleeds down right away or holds for at least a few hours.

Many auto parts stores rent or borrow tools now. They will have a fuel pressure gauge you can use.
Dec 31, 2020 at 8:35 AM (Merged)
Avatar
ROGGLE
  • MEMBER
  • 1 POST
2006 Ford Explorer. Ran errands, came home. Went to go back out again 30 min later, nothing. No dash lights. Tried to jump it, got dash lights and it seems electronics came on. Tried to turn over but just can't. Need to go to work tomorrow! Any advice?
Dec 31, 2020 at 8:35 AM (Merged)
Avatar
HMAC300
  • CERTIFIED EXPERT
  • 48,601 POSTS
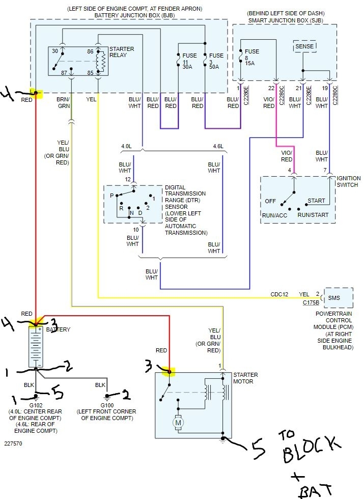
check fuse 11 &3 undrhood by battery and fuse 8 under dash. also check starter relay underhood by fuses. anyo fhtose will rprevent truck from starting. then check blue/white wire going to start relay and see if igniition switch is sending power to start. if not it's either ignition switch or nuetral switch. there are also two brown to red fusible links at battery junction box, check to make sure they are still good if they burn out power to certain areas of vehicle will be effected.
Dec 31, 2020 at 8:35 AM (Merged)